中心議題:
- 安森美面向不同電源與不同應用的LED解決方案介紹
解決方案:
- AC-DC LED照明解決方案
- 功率高于50 W的AC-DC LED照明應用
- 8 W-25 W AC-DC LED照明應用
- DC-DC LED照明方案
- LED手電筒驅動方案
LED照明的應用已經從傳統的便攜產品背光拓展至室內照明、室外照明及手電筒等應用。根據驅動電源的不同,LED照明通常可以劃分為交流-直流(AC-DC) LED照明、直流-直流(DC-DC) LED照明電源以及電池供電的LED手電筒等不同類型,LED燈具及其功率也各不相同,如3 W PAR16、3×2 W PAR20、10 W/15 W PAR30、15 W/22 W PAR38、1 W G13、3 W GU10、1 W MR11、3 W MR16、3 W/9 W/15 W嵌燈、1 W LED閱讀燈等。
AC-DC LED照明解決方案
安森美半導體在AC-DC電源供電的LED照明應用,提供各種離線控制器及功率因數校正(PFC)控制器,并配合隔離及非隔離要求提供不同的LED應用方案。
在交流線路電壓與LED之間沒有物理電氣連接的隔離應用中,常見的拓撲結構有反激(Flyback)、正激(Forward)及雙電感加單電容(LLC)半橋諧振。不同拓撲結構適合于不同的功率范圍或是用于滿足特別的設計要求。例如, 反激拓撲結構是小于100 W的中低功率應用的標準選擇,而LLC半橋拓撲結構是高能效的首選。

圖1:不同功率范圍的隔離型拓撲結構。
AC-DC LED照明應用中,小功率的LED應用通常以恒流(CC)來驅動,而恒壓(CV)功能是在輸出開路的情況下作為保護功能。大功率的LED應用可能需要在電路中增加功率因數校正(PFC),其中的AC-DC轉換與LED驅動兩部分電路既可能采用整體式(integral)配置,即兩者融合在一起,均位于照明燈具內,也可以采用分布式(distributed)配置,從而簡化安全考慮,并增加系統靈活性。
從應用的具體功率范圍來看,AC-DC LED照明應用主要包括:
- 1 W-8 W:G13/GU10/PAR16/PAR20照明
- 8W -25 W:PAR30/PAR38照明
- 50 W-150 W:區域照明
- 100 W-300 W:區域照明
1) 1 W-8 W AC-DC LED照明應用
這類應用要求的輸入電壓為90至264 Vac,能效達80%,同時提供短路保護、過壓保護等保護特性,并提供350 mA、700 mA恒流,應用領域包括G13、GU10、PAR16、PAR20及嵌燈(downlight)等。
這類應用中可以采用安森美半導體的NCP1015自供電單片開關穩壓器。這器件集成了固定頻率(65/100/130 kHz)電流模式控制器和700 V的高壓MOSFET,提供構建強固的低成本電源所需的全部特性,如軟啟動、頻率抖動、短路保護、跳周期、最大峰值電流設定點及動態自供電功能(無需輔助繞組)等。圖1顯示的是NCP1015在隔離型1 W-8 W范圍AC-DC LED照明應用的電路示意圖。指得一提的是,NCP1015同樣可用于非隔離型(電路中不含高頻變壓器)1 W-8 W范圍的AC-DC LED照明應用,電路中可以采用抽頭(tapped)電感來提高MOSFET工作的占空比,并改善系統能效及電路性能。

圖2:安森美半導體8 W LED驅動應用電路示電圖(輸入電壓為85至264 Vac)[page]
2) 8 W-25 W AC-DC LED照明應用
美國能源部(DOE)“能源之星”(ENERGYSTAR™)固態照明(SSL)規范中規定任何功率等級皆須強制提供功率因數校正(PFC)。這標準適用于一系列特定產品,如嵌燈、櫥柜燈及臺燈,其中,住宅應用的LED驅動器功率因數須大于0.7,而商業應用中則須大于0.9。但這標準屬于自愿性標準,即可以選擇不遵從或是遵從。
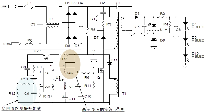
相應地,在8 W-25 W AC-DC LED照明應用中,我們考慮兩種情況,一種是應用沒有功率因數要求,即不需采用PFC控制器,另一種是要求采用PFC控制器。在不需要PFC的應用中,我們假定輸入電壓規格為90~132 Vac或180~264Vac(或通用輸入),能效達85%,提供短路保護及開路保護等保護特性,輸出電流為350 mA、700 mA及1 A恒流,相應地可以采用安森美半導體的NCP1028或NCP1351。其中,NCP1028是一款增強型單片開關穩壓器,適用于在通用主電源輸入的應用中提供數瓦至15 W的輸出功率。NCP1028的導通阻抗比NCP101x更低,提供800 mA峰值電流,具備NCP101x的諸多特性,此外還提供過功率保護、內置斜坡補償及輸入欠壓保護等特性。NCP1351則是一款固定導通時間、可變關閉時間脈寬調制(PWM)控制器,適用于成本至關重要的低功率離線反激開關電源應用。這器件支持頻率反走,還具有閂鎖輸入、自然的頻率抖動、負電流感測及擴展的電源電壓范圍等特性。圖3顯示的是90至264 Vac輸入條件下基于NCP1351的8 W-25 W LED照明方案。

圖3:基于NCP1351的8 W至25 W AC-DC LED照明應用電路示意圖。

圖4:基于NCP1607/8 PFC控制器的8 W-25 W AC-DC LED照明應用示意圖。
需要PFC的8 W-25 W AC-DC LED照明應用中,假定輸入電壓規格為90至264 Vac,功率因數高于0.9,能效達80%,提供短路及過功率保護,輸出電流同樣有350 mA、700 mA和1 A等不同選擇。在這類應用中,可以采用安森美半導體的NCP1607或NCP1608 PFC控制器。NCP1607是一款高性價比的臨界導電模式(CrM) PFC控制器。這器件與業界標準引腳對引腳兼容,簡化工程師的設計。可調節的過壓保護(OVP)及環路開路保護等功能也增強了設計靈活性及強固性。圖4展示的是NCP1607/NCP1608在85至135 Vac或185至264 Vac輸入條件下的LED照明應用方案。 [page]
3) 功率高于50 W的AC-DC LED照明應用
功率高于50 W的AC-DC LED應用廣泛用于街道照明及大功率區域照明,可以采用不同的LED方案,用于50 W-150 W或100W -200 W的功率范圍。假定其輸入電壓規格為90至264 Vac,功率因數高于0.95,能效達85%,提供短路及過壓保護,及350 mA、700 mA和1 A的恒流輸出。
此類應用可以采用下述不同方案,適合不同應用要求:
- NCP1652:改進型單段式PFC
- NCP1607/8+NCP1377:臨界導電模式PFC+準諧振電流模式PWM
- NCP1607/8+NCP1396:臨界導電模式PFC+高性能半橋LLC PWM
- NCP1901:最新型單段式PFC(PFC+半橋諧振)

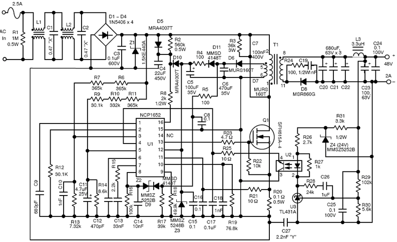
圖5:基于NCP1652單段式PFC控制器的50 W-150 W AC-DC LED方案
例如,在50 W-150 W的AC-DC LED應用中,既可以采用NCP1652這樣的改進型單段式PFC控制器,也可以結合采用NCP1607/8 PFC控制器及NCP1377準諧振(QR)模式PWM控制器。其中,NCP1377結合了真正的電流模式調制器和退磁檢測器,確保任何負載/線路條件下提供完整的CrM工作,并確保最低的漏電壓開關(準諧振工作)。NCP1652驅動帶有可編程死區時間的信號,支持有源鉗位或同步整流,提供優化的能效。這器件還具有輸入欠壓保護、過壓保護、過流保護等保護特性,支持頻率抖動、跳周期及臨界導電模式(CrM)/不連續導電模式(DCM)工作。基于NCP1652、采用85至135 Vac或185至264 Vac輸入的50 W-150 W AC-DC LED方案的示意圖如圖5所示。
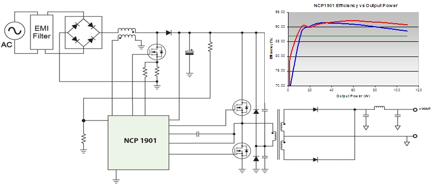
50 W以上功率的AC-DC LED照明應用如果需要更高能效的LED電源,則需要高能效的LED照明拓撲結構,往往從反激式拓撲結構轉向諧振半橋拓撲結構,以充分發揮零電壓開關(ZVS)技術的優勢。NCP1396及NCP1901均是安森美半導體開發的LED電源用高能效諧振模式半橋方案。圖6顯示的是基于NCP1901的最新型半橋諧振+PFC LED方案,輸入電壓為90至264 Vac,功率100 W至200 W,其中半橋段工作在固定頻率以及固定占空比,用于降低開關損耗。

圖6:基于NCP1901的100W-200 W AC-DC LED照明方案[page]
DC-DC LED照明方案
采用DC-DC電源供電的LED照明應用中,常見具體應用包括1 W-3 W MR11/MR16降壓LED燈泡、1 W-20 W升壓LED驅動器和20 W-60 W大功率LED驅動器。
其中,在1 W-3 W DC-DC LED照明應用中,可以采用安森美半導體的CAT4201降壓LED驅動器,這器件兼容于12 V及24 V系統,提供達350 mA的LED驅動電流,能夠在24 V系統中驅動7個串聯的LED,能效高達94%。這器件采用專利的開關控制架構,幫助降低系統成本,支持CrM工作并提升能效。CAT4201還提供限流、熱保護及LED開路保護等全面的保護特性。
而在功率范圍達1 W-20 W的DC-DC升壓LED應用中,可以采用安森美半導體的NCP3065/6或NCV3065/6(汽車應用版本)降壓、升壓、單端初級電感轉換器(SEPIC)及逆變多模LED驅動器,并選擇其中的升壓配置模式。另外,功率范圍達20 W-60 W的DC-DC升壓LED應用中可以采用安森美半導體的NCP1034同步降壓PWM控制器。

圖7:基于NCP1421及NCP1529的LED手電筒升壓和降壓方案。
LED手電筒驅動方案
手電筒DC-DC LED照明方案包括升壓型及降壓型兩種。1 W-3 W的升壓型DC-DC LED手電筒應用中可以采用帶真關閉功能的NCP1421升壓DC-DC轉換器,而1 W-3 W的降壓LED手電筒應用中可以采用NCP1529低壓降壓轉換器,二者的應用示意圖見圖7。



