【導讀】市場對工業應用的需求與日俱增,數據采集系統是其中的關鍵設備。它們通常用于檢測溫度、流量、液位、壓力和其他物理量,隨后將這些物理量對應的模擬信號轉換為高分辨率的數字信息,再由軟件做進一步處理。此類系統對精度和速度的要求越來越高。這些數據采集系統由放大器電路和模數轉換器(ADC)組成,其性能對系統具有決定性的影響。然而,ADC的輸入驅動器也會影響整體精度。該驅動器用于緩沖和放大輸入信號。
此外,還必須增加偏置信號或生成全差分信號,以覆蓋ADC的輸入電壓范圍并滿足其共模電壓要求,在此過程中不得改變原始信號。可編程增益儀表放大器(PGIA)通常用作輸入驅動器。在本文中,我們提出了一種輸入驅動器和ADC的組合,通過這種組合可以實現非常精確的轉換結果,從而構建高質量的數據采集系統。
例如, LTC6373就是一款適用于高精度數據采集系統的PGIA。除了全差分輸出,它還具有高直流精度、低噪聲、低失真(見圖2)以及4 MHz的高帶寬,增益為1/4~16。ADC可以通過它直接驅動,因此適合許多信號調理應用。
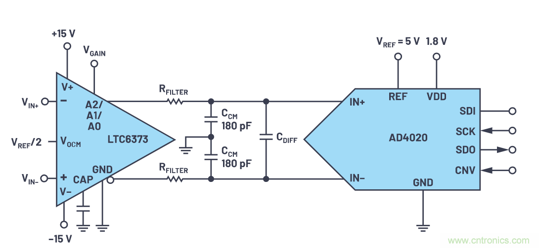
圖1中的電路顯示了使用LTC6373來驅動精密ADC的示例,ADC是具有1.8 MSPS的20位分辨率的 AD4020。

圖1. 驅動精密ADC的電路示例。
在該電路中,LTC6373在輸入端和輸出端直流耦合,因而不需要使用變壓器來驅動ADC。增益可通過引腳A2/A1/A0在0.25 V/V至16 V/V之間進行設置。在圖1中,LTC6373采用差分輸入至差分輸出配置和±15 V對稱電源電壓。或者,輸入也可以是單端輸入,而輸出仍然是差分輸出。
在圖1中,輸出共模電壓通過V OCM 引腳設置為V REF /2。這樣就可實現LTC6373的輸出電平轉換。LTC6373的每個輸出在0 V至V REF 之間變化,因此在ADC輸入端有一個2× V REF 幅度的差分信號。LTC6373的輸出端和ADC輸入端之間的RC網絡形成一個單極點低通濾波器,它可降低在ADC輸入端切換電容時產生的電流毛刺。同時,低通濾波器限制了寬帶噪聲。
圖2顯示LTC6373的信噪比(SNR)和總諧波失真(THD),其在整個輸入電壓范圍(10 V p-p)內驅動AD4020 SAR ADC(高阻態模式)。在吞吐量為1.8 MSPS,濾波器電阻(R FILTER )為442 Ω時可獲得比較滿意的效果。在1 MSPS或0.6 MSPS時,制造商建議R FILTER 為887 Ω。

圖2. 使用LTC6373驅動AD4020的SNR(左)和THD(右)性能。
LTC6373可驅動大多數具有差分輸入的SAR ADC,不需要另外增加ADC驅動器。但是,在某些應用中,在LTC6373和精密ADC之間可以使用單獨的ADC驅動器來進一步提高信號鏈的線性度。
結論
圖1中所示的電路針對快速、高精度數據采集系統進行了優化。因此,LTC6373的出色特性有助于對傳感器輸出信號進行信號調理。借助在線工具ADI Precision Studio,特別是其中包含的ADC驅動器工具,ADI公司可以為此類放大級、濾波器和線性電路設計提供更多支持。欲了解更多信息,請訪問 tools.analog.com/en/precisionstudio。
免責聲明:本文為轉載文章,轉載此文目的在于傳遞更多信息,版權歸原作者所有。本文所用視頻、圖片、文字如涉及作品版權問題,請聯系小編進行處理。
推薦閱讀:



