中心議題:
- 用示波器測量穩壓管穩壓值
- 用示波器測量熱敏電阻
- 用示波器測量可控硅
- 用示波器測量晶體三極管的特性曲線
本文探討如何使用示波器對穩壓管穩壓值、熱敏電阻、可控硅和晶體三極管的特性曲線進行測量,主要介紹了相應的測試電路和測試方法。
一、 穩壓管穩壓值的測量
穩壓管(也稱齊納二極管)是利用PN結被擊穿時的特性來工作的。在—定的反向電壓下,穩壓二極管被擊穿,擊穿后它的兩端電壓基本保持在一個穩定的數值上,此時若改變二極管中的電流大小,將不影響二極管兩端的電壓,即二極管的反向擊穿電壓不隨反向電流的變化而改變,這就是穩壓二極管的穩壓特性,測試電路如圖1。

測試方法:將示波器調到正常工作狀態,兩通道的輸入耦合開關置“DC”,分別調整兩個垂直位移(Y1、Y2)旋鈕,使兩基線重合并與靠下部的某一水平刻度線對齊。兩通道的“Y軸衰減”位置應一致。把輸入耦合開關置“DC”位置,調節穩壓電源的輸出電壓,觀察示波器熒屏上UI、U2的變化情況,此時隨著UI的增加,U2也應相應增加。
繼續增加U1,直到U2不再上升為止,然后根據測量直流電壓的方法測出U2的值,即為穩壓二極管的穩壓值VD。
二、 熱敏電阻的測量
熱敏電阻的瞬時電阻值是由該電阻的工作溫度決定的。當溫度上升后其電阻值的變化情況可分為兩種類型:—種為正溫度系數熱敏電阻PTC(隨著溫度上升電阻值增加),—種為負溫度系數熱敏電阻NTC(隨著溫度上升電阻值下降),測試電路如圖2。

測量方法:分別把圖2中的U1、U2接入Yl、Y2通道,調整信號源的輸出電壓幅度,直到屏幕上顯示出滿意的U1、U2正弦波為止。用已被預先加熱的電烙鐵(20W~35W)靠近熱敏電阻,同時觀察U2的變化情況:若U2的幅度上升,說明Rt為正溫度系數熱敏電阻;反之則為負溫度系數熱敏電阻。若隨著溫度的增加或降低U2的變化很靈敏,則說明此熱敏電阻性能良好。
利用上述測試方法,同樣可以進行光敏電阻的測量,只不過把電烙鐵換成手電筒照射罷了。
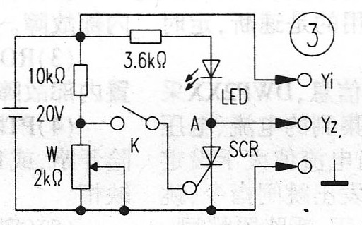
三、 可控硅的測試
可控硅(又稱晶閘管)是自動控制電路中經常使用的器件,實質上就是一個帶有控制端的大功率二極管。當控制端不加控制電壓時,無論二極管如何偏置,都不會導通的,只有對控制端施加一定電壓,再利用示波器測試,測試電路見圖3。
[page]
測試方法:示波器輸人耦合開關置“DC”擋,Y軸衰減開關置5V/cm。當開關K未閉合時,控制端未加控制電壓,則SCR不導通,回路電流幾乎為零,示波器屏上顯示的A點壓VA≈20V。合上開關K,調節電位器W的阻值(由小到大),直到可控硅導通為止,此時發光二極管LED亮,VA急劇下降(可控硅導通后的VA≈0.7V)。此時斷開開關K,則SCR繼續導通,LED仍亮,屏上顯示的電壓仍保持在0.7V左右,若要SCR截止,只有切斷電源才行。
雙向可控硅的測試方法可參考上述方法進行。
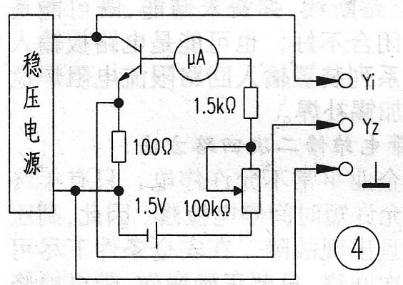
四、 晶體三極管特性曲線的測量
晶體三極管的放大能力可以用指針式萬用表粗測,也可以通過數字萬用表的hFE裝置測出其放大倍數,但輸入、輸出特性曲線則必須通過晶體管特性圖示儀觀察。在沒有圖示儀的情況下,用普通示波器觀測三極管的特性曲線,也是電子活動愛好者對三極管放大倍數的變化規律認識方面的一個有效途徑。

測試方法:把圖4連入示波器,從圖中可以看出:X軸通道信號反映了集電極、發射極偏置電壓的大小,Y軸通道的信號反映了該電路中三極管Ic的變化,示波器耦合開關置“DC”擋。斷開1.5V電源,Ib=0,則示波器上出現—條水平亮線。通入1.5V電源,調整100kΩ電位器值的大小,分別使Ib為20uA、40uA、 60uA、 80uA, 則示波器屏幕上將依次掃描出四條曲線,如圖5所示。由此可以很方便地測出該晶體管的直流放大倍數,并從曲線的線性度上判別管子的優劣程度。

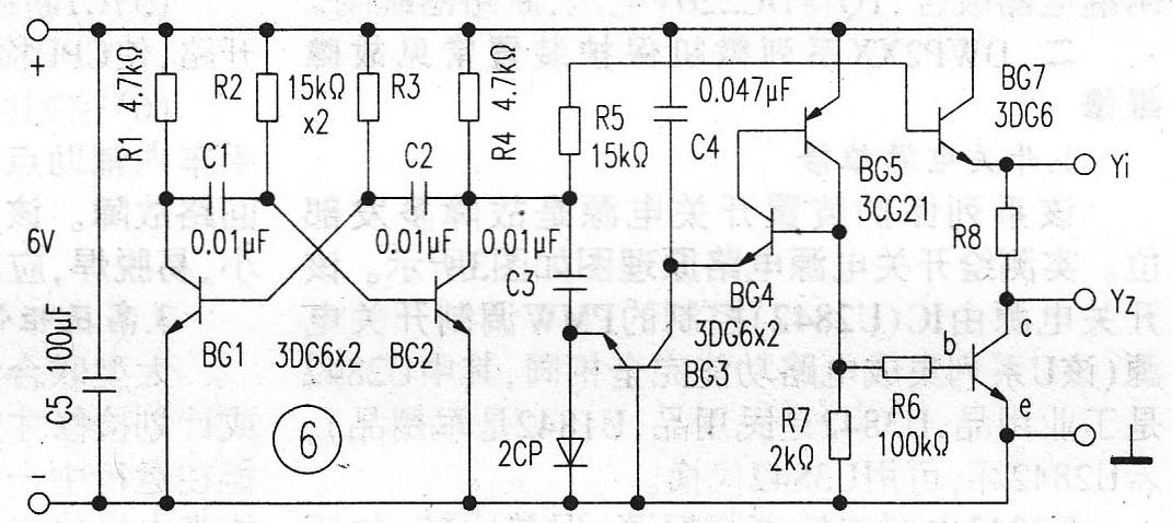
若想更進—步真實、直觀地在示波器上觀測一簇晶體管輸出特性曲線,可用一小塊電路板自行組裝圖6所示電路,使用中把被測管插人c、b、e處,可用直徑合適的裸銅線卷繞成空芯管焊在電路板上,以方便插拔,則屏幕上可顯示出8根電流曲線(也可調整C3、C4值改變曲線根數)。需要提及一點的是,此裝置顯示的特性曲線是由右而左,與晶體管圖示儀正好相反,若感到不合適的話可通過改變X軸的極性使圖像從左向右。

電路圖中的BG1、BG2、R1~R4、C1、C2等組成多諧振蕩器,BG3~BG5、C3、C4等組成階梯波發生器,詳細工作原理讀者可自行分析,這里就不一一贅述了。





