中心議題:
- 電子鎮流器的局部整流效應產生機理及現狀
- 電子鎮流器的局部整流效應保護電路的工作原理
解決方案:
- 利用變壓器實現電子鎮流器的局部整流效應保護功能設計
1 引言
現有電子鎮流器的異常情況有下列五種狀態,分別為:燈不接入狀態;燈的一個陰極損壞使燈處于不能啟動的狀態;燈的陰極完好,但不能啟動狀態(去激活狀態);啟動器開關短路狀態;燈尚能工作,但燈的2個陰極中有一個已去激活或損壞。
在現階段,一般電子鎮流器都已具有異常狀態保護電路,從而避免了燈和鎮流器各種安全故障的產生。上述前四種異常狀態都能很好的解決。
而第五種異常狀態就是IEC61347-2-3標準最新版的內容,即所謂的局部整流效應。電子鎮流器因局部整流效應所造成的超功率輸出能量,有很大部分會使燈的陰極燈絲以及喇叭狀玻璃燒壞,燈頭溫升上升使燈座軟化變形,嚴重時甚至會發生燈的玻管壁因驟熱而發生開裂。上述兩種現象都可能使燈管跌落發生傷人的現象,解決局部整流效應尤為急迫。
2 局部整流效應的產生機理及現狀
局部整流效應的產生機理是:當燈的壽命將終止時,往往某一陰極的電子發射量不足,而另一個陰極則還處于正常狀態,有一個燈電流從開始出現不對稱發展到最后只有半波電流的發展過程。這種局部整流效應按標準的要求,可根據電子鎮流器不同的電原理圖以及與燈配合所表現的局部整流效應的現象,用下述三種方法中適用的一個方法來檢驗其合格性。試驗方法詳見IEC61347-2-3。
⑴不對稱脈沖試驗。模擬燈一會兒產生不對稱弧光放電,一會兒產生半波弧光放電和(或)半波輝光放電的現象。
⑵不對稱功率試驗。模擬連續放電緩慢地產生局部整流效應的現象。
⑶燈絲開路試驗。
解決局部整流效應的難處,就是對局部整流效應故障的可靠檢測。在局部整流效應發展過程中,燈電流中的波動直流分量所造成的電子鎮流器超載現象,不足以使電子鎮流器內的保護電路動作。電子鎮流器內的保護電路如果靈敏度太高,一般會使燈在低溫啟動時尚未能啟動就轉入保護狀態,使燈不能轉入正常工作。同時,由于電子鎮流器設計和制造技術的進步,要求電子鎮流器有較好超負載的能力,這就讓局部整流效應解決起來很是困難。
現有的解決方案無非是檢測輸出電壓峰值的變化,或者檢測輸出電感上電流的變化,進行控制保護回路。這樣設計出來的產品保護性能一致性很差,受不同型號燈管的影響也很大,無法可靠解決局部整流效應。
3 局部整流效應保護電路的工作原理
3.1 理論依據
圖1所示的是共模電感的濾波電路,Tr2a和Tr2b就是共模電感L的兩個線圈。這兩個線圈繞在同一磁芯上,匝數和相位都相同。這樣,當電路中流過電流ia和ib的大小相同、方向相反時,電流在同相位繞制的電感線圈中產生反向的磁場而相互抵消,磁芯中沒有交變的磁通量產生。

圖1共模濾波電路
[page]
基于此考慮,在共模電感上增加一個線圈Trc,形成一個采樣變壓器的次級(如圖2所示),初級為Tr2a和Tr2b,當流過初級Tr2a和Tr2b的電流ia和ib的大小相同、方向相反時,磁芯中沒有交變的磁通量產生,Tr2c上沒有感應電壓,換句話說,采樣線圈Tr2c檢測不到電信號。

圖2 采樣變壓器
3.2 局部整流效應保護電路
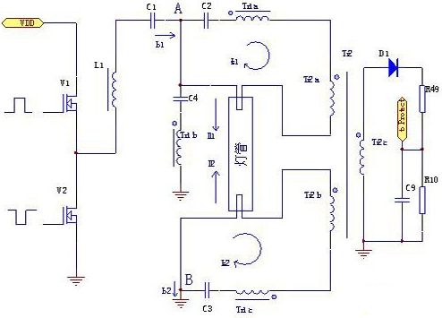
基于上述理論所設計的具有局部整流效應保護功能的電子鎮流器原理圖如圖3所示。變壓器Tr2實現對異常信號的檢測,共有三個繞組Tr2a、Tr2b和Tr2c。變壓器Tr1對燈管兩側的燈絲供電、起到燈絲預熱的效果,共有三個繞組Tr1a、Tr1b、Tr1c;Tr1b、Tr1c為匝數完全相同的兩個次級繞組。變壓器Tr2的兩個初級繞組Tr2b、Tr2c分別串聯在熒光燈燈管兩端的供電回路中,變壓器Tr2的次級繞組Tr2c的一端與整流電路的一端連接,另一端接地。所述整流電路的另一端與保護電路的啟動信號輸入端連接。
對于電路的節點A,可列方程式(1);對于電路的節點B,可列方程式(2)。
Io1=Is1+Il1 (1)
Io2=Is2+Il2 (2)
式中,Io1、Io2分別表示負載的輸入電流與輸出電流;Is1、Is2分別表示兩側燈絲電流;Il1、Il2表示燈兩側的燈電流。由戴維南定律可知:Io1=-Io2 。
當燈管正常工作時,燈管兩側的電路完全對稱,下列關系式成立。
Il1 =-Il2
由式(1)和式(2)可知:Is1=-Is2 。即流過Tr2a、Tr2b的電流大小相同、方向相反。兩者產生的磁通變化量互相抵消,從而繞組Tr2c上檢測不到電信號,保護電路不動作。
當燈管出現局部整流效應時,兩側燈電流不對稱,即Il1≠-Il2。由式(1)和式(2)可知:Is1≠-Is2 。即流過繞組Tr2a、Tr2b的電流不相等,兩者產生的磁通變化量無法相互抵消,從而變壓器Tr2中有交變的磁通量產生,繞組Tr2c就產生感應電壓。對這感應電壓進行整流濾波后送至保護控制回路,實現保護功能。

圖3 變壓器實現局部整流效應保護的原理圖
4 結論
在IEC61347-2-3標準的最新修訂本中,只給出了T5和T4燈的局部整流效應要求,但實際的使用中T8燈也已發生了因為局部整流效應而發生燈管熔化、爆裂、燈座熔化及跌落現象。對T8燈用的電子鎮流器也進行考核試驗,以保證當燈出現局部整流效應時,不發生上述危及使用安全的現象。基于上述分析我們清楚的知道,該原理解決局部整流效應與燈管的管徑粗細及燈管長短無關,同時很好的解決了燈的其它異常狀態的保護功能,如:燈不接入狀態;一個陰極損壞使燈處于不能啟動的狀態;燈的陰極完好、但燈不能啟動的狀態(去激活狀態)等異常情形。




