【導讀】無線傳感器節點正越來越多地應用于我們的日常生活中,因為它們適合在多種多樣以及難以到達的環境中使用。它們不需要接通電源,因為它們通常都連接到電池。
在輸入不受系統控制而是連接到外部世界的許多應用中,例如測試設備、儀器儀表和一些傳感設備,輸入電壓可能會超過前端放大器的ZD額定電壓。在這些應用中,必須實施保護方案以保持設計的生存范圍和穩健性。
前端放大器的內部 ESD 二極管有時用于鉗位過壓條件,但需要考慮許多因素以確保這些鉗位能夠提供足夠而強大的保護。了解前端放大器內部的各種 ESD 二極管架構,以及了解給定保護電路的熱和電遷移影響,可以幫助設計人員避免其保護電路出現問題并提高其在現場應用的使用壽命。
ESD 二極管配置
重要的是要了解并非所有 ESD 二極管都是連接到電源和接地的簡單二極管鉗位。可以使用多種可能的實現方式,例如串聯多個二極管、二極管和電阻器以及背對背二極管。下面詳細介紹了一些更常見的實現。
二極管連接到電源
圖 1 顯示了在輸入引腳和電源之間連接有二極管的放大器示例。二極管在正常工作條件下反向偏置,但當輸入上升到高于正電源電壓或低于負電源電壓時變為正向偏置。當二極管正向偏置時,電流會通過放大器的輸入流到相應的電源。
在圖 1 中的電路的情況下,當過壓超過 Vs 時,輸入電流本身不會受到放大器本身的限制,并且需要以串聯電阻器的形式進行外部電流限制。當電壓低于 –Vs 時,400Ω 電阻會提供一些電流限制,這應該被納入任何設計考慮因素。

圖 1:AD8221 的輸入 ESD 拓撲
圖 2 顯示了一個具有類似二極管配置的放大器,但在這種情況下,電流受到內部 2.2kΩ 串聯電阻的限制。這與圖 1 所示電路的不同之處不僅在于限制 R 的值,而且還在于 2.2kΩ 可防止電壓高于 Vs。這是使用 ESD 二極管時必須充分理解以優化保護的復雜性示例。

圖 2:AD8250 的輸入 ESD 拓撲
限流 JFET
與圖 1 和圖 2 中的實施方式相比,限流 JFET 可以在 IC 設計中用作二極管鉗位的替代方案。圖 3 顯示了一個示例,其中當輸入電壓超過器件的指定工作范圍時,JFET 用于保護器件。該器件通過 JFET 輸入從相反的電源軌獲得高達 40V 的固有保護。因為 JFET 會限制進入輸入引腳的電流,所以 ESD 單元不能用作額外的過壓保護。
在需要高達 40V 的電壓保護時,該器件的 JFET 保護提供了一個控制良好、可靠、完全指定的保護選項。這通常與使用 ESD 二極管進行保護形成對比,其中關于二極管電流限制的信息通常指定為典型信息,或者可能根本沒有指定。

圖 3:AD8226 的輸入保護方案
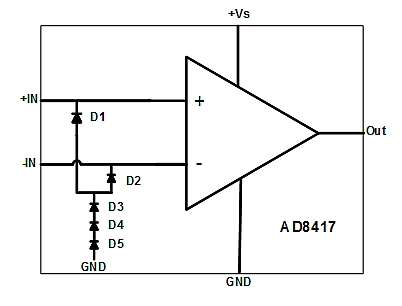
二極管堆棧
在允許輸入電壓超過電源電壓或接地的應用中,可以使用一組二極管來保護輸入免受 ESD 事件的影響。圖 4 顯示了一個實施堆疊二極管保護方案的放大器。在此配置中,二極管串用于防止出現負瞬態。二極管串用于限制可用輸入范圍內的漏電流,但在超過負共模范圍時提供保護。請記住,WY的電流限制是二極管串的等效串聯電阻。外部串聯電阻可用于降低給定電壓電平的輸入電流。

圖 4:AD8417 的低邊輸入保護方案
背對背二極管
當輸入電壓范圍允許超過電源時,也使用背對背二極管。圖 4 顯示了一個放大器,它采用背對背二極管為器件提供 ESD 保護,該器件允許使用 3.3V 電源提供高達 70V 的電壓。D4 和 D5 是高壓二極管,用于隔離輸入引腳上可能存在的高壓,D1 和 D2 用于在輸入電壓在正常工作范圍內時防止漏電流。在這種配置中,不建議使用這些 ESD 單元進行過壓保護,因為超過高壓二極管的ZD反向偏壓很容易導致造成YJ性損壞的情況。
無 ESD 鉗位
某些設備在前端不包括 ESD 設備。雖然很明顯,如果 ESD 二極管不存在,設計人員就不能使用 ESD 二極管進行鉗位,但在研究過壓保護 (OVP) 選項時,提到這種架構是一種需要注意的情況。圖 6 顯示了一個僅使用大值電阻器來保護放大器的設備
ESD 單元作為夾具
除了了解如何實施 ESD 單元之外,了解如何利用結構進行保護也很重要。在典型應用中,串聯電阻用于限制指定電壓范圍內的電流。
當放大器按圖 7 所示配置或輸入受電源二極管保護時,輸入電流將使用以下公式中的公式進行限制。
用于公式 1 的假設是 Vstress>Vsupply。如果不是這種情況,則應測量更JQ的二極管電壓并將其用于計算,而不是 0.7V 近似值。
下面是一個計算示例,用于保護使用 /-15V 電源的放大器,免受高達 /-120V 的輸入應力,同時將輸入電流限制為 1mA。使用等式 1,我們可以使用這些輸入來計算以下內容。
鑒于這些要求,Rprotection >105 kΩ 會將二極管電流限制為 <1 mA。
了解當前的限制
Idiode 的ZD值會因部件而異,并且還取決于施加應力的特定應用場景。對于持續幾毫秒的YC性事件,與在應用程序的整個 20 年以上任務配置文件生命周期中不斷施加電流的情況下,ZD電流將有所不同。可以在JDZD值部分或應用筆記的放大器數據表中找到有關特定值的指導,通常在 1mA -10mA 的范圍內。
故障模式
給定保護方案的ZD額定電流Z終將受到兩個因素的限制,二極管中耗散功率的熱影響和電流路徑的ZD額定電流。功耗應保持在一個閾值以下,以將工作溫度保持在有效范圍內,并且應選擇電流在指定的ZD值內,以避免由于電遷移引起的可靠性問題。
熱影響
當電流流入 ESD 二極管時,由于二極管中的功耗會導致溫度升高。大多數放大器數據表都指定了一個熱阻(通常指定為 ? JA),該熱阻將指示結溫如何隨功率耗散而增加。考慮Z壞情況下的應用溫度,以及由于功耗導致的Z壞情況溫度升高,將表明保護電路的可行性。
電遷移
即使電流不會引起熱問題,二極管電流仍然會產生可靠性問題。由于電遷移,任何電信號路徑都有一個ZD壽命電流額定值。二極管電流路徑的電遷移電流限制通常受與二極管串聯的內部走線厚度的限制。此信息并不總是針對放大器發布,但如果二極管長時間處于活動狀態,而不是瞬態事件,則需要考慮。
電遷移可能成為問題的一個例子是當放大器正在監控并因此連接到獨立于其自身電源軌的電壓軌時。當有多個電源域時,電源排序可能會導致電壓暫時超過JDZD條件。通過考慮Z壞情況下的電流路徑、該電流在整個生命周期內可能處于活動狀態的持續時間,并了解電遷移的ZD允許電流,可以避免由于電遷移引起的可靠性問題。
結論
了解放大器的內部 ESD 二極管在電氣過載事件期間如何被激活,可以簡單地改進設計的穩健性。檢查保護電路的熱和電遷移影響可以突出潛在問題并指出可能需要額外保護的地方。考慮此處列出的條件,設計人員可以做出明智的選擇并避免現場潛在的穩健性問題。
免責聲明:本文為轉載文章,轉載此文目的在于傳遞更多信息,版權歸原作者所有。本文所用視頻、圖片、文字如涉及作品版權問題,請電話或者郵箱聯系小編進行侵刪。
推薦閱讀:
【技術大咖測試筆記系列】之八:低功率范圍內的MOSFET表征




