中心議題:
- 不同類型熔絲比較
- 電子熔絲的重要特點
- 使用電子熔絲的要點
- 過壓鉗位保護芯片免受過壓瞬態影響
- 監測發熱信號以檢測芯片的狀態
- 集成了dv/dt電路控制系統浪涌電流
- 在FET溫度達到關閉點的事件中啟動熱關閉
計算機系統電源總線很好理解及量化。大多數外圍器件要么使用12V總線,要么使用5V總線,或同時使用12V及5V總線。由于連接至這些總線的器件數量眾多,需要認真注意每個電路的接口。
無論器件什么時候連接至帶多個負載的電源,都需要當本地保護電路。這種需要是雙重的,既需要在發生電壓瞬態事件時保護這些器件免受電源影響,也需要在發生過載條件時保護電源免受這些器件影響。本文介紹幾種不同的熔絲選擇,并詳細解釋電子熔絲(eFuse)的工作。
不同類型熔絲比較
為了更好地了解市場上不同的熔絲選擇,我們比較了這問題常見的三種解決方案。金屬熔絲應用已久,易于理解。它們通常聯合硅瞬態電壓抑制器(TVS)一起使用,結合了鉗位電壓尖峰和限流保護。
聚合物器件以導電型塑料制成,這些器件在電流(內部熱量)達到預設定的電平時會改變它們的阻抗。這些器件也經常與TVS器件一起使用,就像金屬熔絲那樣。電子熔絲是半導體電路,控制功率開關(通常是功率MOSFET),并按照預設的參數改變其阻抗。表1簡單比較了這三類熔絲。

所選的這些測試器件是我們討論的不同類型器件的代表。多家制造商提供眾多額定值各不相同的器件。因此,這比較并不是決定性的,但可助了解不同類型器件的主要區別。
1.動作周期數:電子熔絲是半導體電路,雖然任何元件都有其相關的平均無故障時間(MTBF),但它沒有固有的耗損(wear-out)問題。測試顯示,它們經過數百萬次工作周期都沒有故障。聚合物熔絲的使用壽命有限,雖然在大多數情況下它們的壽命都比它們所保護的裝置長得多。當然,金屬熔絲是僅能使用一次的器件。
2.動作時間:金屬熔絲或聚合物熔絲的動作時間取決于發熱量,不同環境溫度及過載幅度下的動作時間各不相同。由于電子熔絲是半導體電路,它們的工作速度比因熱動作的器件高得多。
一般情況下,對金屬熔絲和聚合物熔絲而言,電路的熱時間常數及器件耗散的能量是影響器件能夠保護電路的速度的主要因素。對電子熔絲而言,基于寄生電容及驅動電流的電氣時間常數決定了動作速度,它們的速度快得多且非常一致。
3.導電/阻斷時的電阻變化:這些數據對比了導電狀態的電阻及阻斷狀態的電阻。電子熔絲的阻抗基于12V電壓源及1nA最大泄漏電流。
4.導通阻抗容限:這個參數衡量的是器件在導電模式下的電阻變化。導電狀態下的阻抗很重要,因為它是電源系統損耗的一種衡量標準,能夠影響散熱及電源穩壓。
5.電流動作點容限:該參數指的是額定動作電流在20°C時的變化幅度。必須選擇額定電流能夠確保工作而不會在最大負載電流時動作的熔絲,故最低的動作點必須大于可能的最大負載。這樣動作點容限就決定短路條件下最大電流有多大。
6.動作點變化vs.溫度:這個變化參數屬于器件總容限的一部分。
7.保護:由于金屬熔絲和聚合物熔絲是嚴格限流的器件,它們本質上不會針對電壓尖峰及瞬態事件提供保護。有幾種聚合物器件以與瞬態電壓抑制器(TVS)鉗位器件封裝在一起的形式供貨,能夠提供電壓瞬態保護。某些系統中,金屬熔絲也與TVS器件結合在一起。
電子熔絲包含過壓保護電路,而這個功能本質上沒有壞處。它不會改變功率場效應管(FET)的要求,僅會增加少許的控制電路。
8.復位選擇:聚合物熔絲通常是在冷卻后復位。市場上某些型號的聚合物熔絲也有會閂鎖的版本。電子熔絲可設計成能夠提供閂鎖或復位功能。它們的設計也帶有自動復位選項,如有需求也可提供。
9.尺寸:電子熔絲是所討論的這三類器件中所有尺寸參數都最小的器件。
10. U.L.認證:市場上有多種UL認證,大多數金屬熔絲應用都通過UL認證。某些聚合物熔絲有了UL認證等級(rating)。目前,電子熔絲還沒有UL認證等級。但是,半導體器件的功能不像金屬熔絲,不是諸如UL/CSA248-14這樣的熔絲認證等級的候選者。
[page]
電子熔絲的重要特性
1電流感測
電子熔絲與熱動作類熔絲(即金屬熔絲和聚合物熔絲)的一項重要區別是其基于電流感測電路感測到的峰值電流而動作,其動作速度可為信號增加濾波器來減慢,但通常并不要求這樣做。
由于電子熔絲感測并響應瞬態電流,高交流電平的負載應當集成某種程度的濾波。負載有大交流電成分并工作在與其他負載共用的總線時,無論使用的是哪種類型的熔絲器件,加入某種濾波是很好的設計習慣。大峰值電流會與總線及負載的其他雜散阻抗(strayimpedance)交互作用,可能導致其他負載上出現噪聲。
2雙電流限制
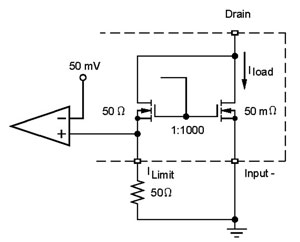
電子熔絲使用SENSEFETTM來開關電源、限制電流及監測輸出電流。SENSEFET的優勢是僅測量小部分的負載電流。沒有SENSEFET,全部負載電流將要流經感測電阻,而這將需要大功率、極低阻抗的電阻。與價格不足1美分的小型片式電阻相比,這些電阻較昂貴。
SENSEFET包含較大及較小的MOSFET,它們位于相同裸片上,漏極、柵極相連。如果源極的電勢相同,這些FET將很好地共享電流。在SENSEFET中,測得流經感測單元的電流,而感測電阻的壓降保持得越低越好,從而使源極接近相同的電勢,并使兩個器件的共享比例誤差極小。
圖1所示為限流所用基本電路的原理圖。主FET的漏極至源極有足夠的壓降時,電路就類似于兩個電流源,電流以與兩個FET相同的比例共享:本例中是1000:1。
本例中,1A的負載電流將觸發限流變壓器,并開始啟動恒流工作模式。負載電流到達1A時,感測電流將是其1/1000,即1mA。流經50Ω感測電阻的1mA電流將導致電阻出現50mV壓降,而這是限流放大器的閾值。這個模式稱作短路,因為在短路條件下FET感測到明顯的電壓降。導通時,器件處于工作模式,因為輸出為低電平,而且通常情況下,這器件在為輸出電容充電時處于限流狀態。

圖1 采用SENSEFET感測電流
當輸出電容充電完成時,電流急降,限流電路停止控制輸出。在這種條件下,FET電壓極低,限流電路充當分壓器。如果我們還是假設負載電流為1A,那么主FET的壓降就為50mV。電流感測放大器的輸入就是這電壓根據由感測單元(50Ω)和外部感測電阻(50Ω)構成的分壓器按比例所分的電壓。所有電流變壓器上的輸入僅有25mV電壓,不足以激活放大器,且這器件沒有進入限流狀態。
圖2展示NIS5132的一對曲線。導通較低的曲線時,激活的是短路曲線。一旦電流降低至低于這個電平,FET就完全導通(線性區域),接下來面對的就是過載電平。如果電流達到過載電平,FET的柵驅動將立即減小,而漏極至源極電壓將增加,并會將工作模式改為短路電平模式。這器件在過載電平時不能維持穩態工作。

圖2 NIS5132的限流曲線
限流電路永遠都不會關閉芯片,但只會降低輸出電壓。如果器件在芯片不能維持功率電平保持足夠長的時間段的限流,熱限制電路最終將關閉這器件。
使用電子熔絲
計算機總線是這些器件的極佳應用領域。如果總線上的過載會導致連接到總線上的任何負載關閉,分布式電源架構的可靠性就大打折扣。連接電路保護器件會大幅提升這類系統的可靠性。這并非新技術,但在過去,大多數方案采用金屬熔絲或聚合物熔絲,并結合或沒有合熔絲使用TVS器件。
這些器件的典型應用包括風扇驅動器、硬盤驅動器、光盤驅動器,以及通常從5V或12V總線消耗1A或更大電流的任何電路板。5V及12V電子熔絲都有供貨。
它們還可用于熱插撥應用。電子熔絲的功能是積極地限流,而非簡單地監測電流并在預定的電平關閉電流。熱插撥應用的一個例子是需要移除電源或硬盤驅動器并插入熱總線的大型高可靠性計算機系統。這些器件限制浪涌電流至低電平,使器件的輸入或輸出端都不會出現瞬態電壓。
[page]
1基本工作原理
電子熔絲器件是電子熔絲,如果理解其基本工作原理的話,就簡單易用。圖3顯示的是電子熔絲的系統級原理圖。圖中顯示了兩個器件(5V及12V),它們連接至共用的啟動及關閉電路。兩個器件都含低導通阻抗的垂直MOSFET,用于低損耗工作。

圖3 5V及12V熔絲的系統原理圖
電子熔絲最少需要1個外部元件。電流感測電阻是必需的,且必需選擇這電阻來設定限流至所期望的電平。可以增加其他元件來改變器件的功能。
這些元件有內部壓擺率(dv/dt)控制電路,會在約1.5ms的時間間隔內提升輸出電壓。在dv/dt引腳至地間增加外部電容還能延長這時間。也能夠使用啟用(enable)引腳至地間的開漏極晶體管來控制這器件。
電子熔絲設計為默認導通狀態。只有三種條件會導致它們關閉,否則FET會啟用。這些條件是:
①達到了熱限制值;
②輸入電壓不符合欠壓鎖定(UVLO)要求;
③啟用(enable)引腳拉至低電平。
如果上述條件一個都沒有符合,這器件將處理于導通狀態,為負載提供電流。
2過壓鉗位
過壓鉗位功能保護負載免受可能損害其電路的輸入瞬態的影響。輸出電壓達到電路設定點(12V器件的額定電壓為15V,5V器件的額定電壓為6.7V),主FET的柵驅動將減小,器件將充當線性穩壓器工作。只要未達到熱動作限制值,這種工作模式就能夠無限地維持。過壓電路不會直接關閉器件。這特性使這芯片能夠保護負載免受過壓瞬態影響,同時使負載能持續工作。
圖4中,應用了持續時間數毫秒(ms)的25V瞬態,輸出電壓鉗位至安全的電平。只要瞬態存在,這電路就一直鉗位,只是芯片耗散的功率會有不同。

圖4 12V電子熔絲對25V浪涌的瞬態響應
3啟用(enable)電路
啟用電路使用戶能夠控制器件,并在發生熱關閉時提供信號。這是一種三態信號,同時發送及接收信息,能夠監測這信號以檢測芯片的狀態。如果用戶選擇不用這個引腳,它只需保留在開路狀態,器件會自己控制。
圖5顯示的是這電路的信號電平,而圖6顯示的是等效原理圖。在正常工作中,內部電流源將啟用引腳上拉至4.3V。如果發生熱故障,由于過大直流電流、限流或過壓保護原因,這器件將關閉,熱邏輯將把這信號下拉至1.6V電平。

圖5 啟用/故障信號電平
這電平能夠由微處理器或其他電路來監測并提示發生了熱關閉。啟用引腳下拉至地時熱閂鎖會復位。熱釋放完畢后,芯片將重啟。
圖3所示電路中,二者的啟用引腳連接在一起。這些芯片的設計支持3個器件連接在一起,啟用引腳將使這些芯片能相互通信。如果任何一個芯片進入熱關閉狀態,所有連接在一起的器件都將關閉,直到啟用引腳拉至低電平前。啟用引腳拉至低電平將會把熱過載的芯片上的閂鎖復位,且所有芯片都將同時導通。
4 dv/dt(slew率控制)電路
為了控制系統的導通浪涌電流及電子熔絲負載的電壓,集成了dv/dt電路來提升輸出電壓。控制輸出電容兩端電壓的dv/dt率會迫使恒定電流流動,直至輸出電壓等于輸入電壓。
內部電容設定5V電子熔絲的上升時間(ramptime)為1.4ms,而設定12V器件的上升時間為0.9ms。若有需要,在這引腳上增加額外的電容能延長上升時間至數百毫秒。
5 UVLO
芯片的輸入處于安全范圍之前,內部欠壓鎖定(UVLO)電路將關閉輸出。12V電子熔絲的UVLO設定為8.5V,而5V器件設定為3.6V。
6 熱保護
裸片上熱保護功能使這些器件極為堅固。這功能監測功率FET的溫度,并在溫度達到關閉點的事件中啟動熱關閉。這就保證FET工作在安全區域(SOA)。結合這個功能及限流電路,這些器件唯一的失效模式就是超過額定輸入電壓。

圖6 啟用/故障內部電路
目前的器件有熱閂鎖電路,在發生熱故障時會關閉器件。然后芯片能通過下拉啟用引腳至地并釋放熱,或是重新啟動輸入電源來重啟。
在眾多應用中,電子熔絲有明顯的優勢。對于較大電流的應用,低導通阻抗垂直MOSFET的優勢是設計人員在下一個設計中考慮選擇電子熔絲方案的另一個原因。




