【導讀】本文為大家講解恒溫電烙鐵的工作原理是怎么樣的?同時分享給大家自制恒溫電烙鐵的電路圖。本電路圖采用的是熱電偶傳感器,控溫精度高達±5%,控制電路采用的是交流市電直接降壓、濾波、穩壓供電方案,大家可以借鑒。
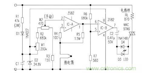
如圖所示。該電烙鐵控溫范圍是100℃~400℃,調溫標志標明低、中、高位,控溫精度標稱±5%,采用了熱電偶傳感器??刂齐娐凡捎昧私涣魇须娭苯咏祲?、濾波、穩壓供電方案。

市電AC220V經R1降壓、D1半波整流、D2削波穩壓、C1濾波后作為比較器件IC的電源電壓及調溫設定電壓源。IC-A③腳為熱電偶檢測電壓輸入端(與溫度值對應);②腳為調溫設定電壓。在②、③腳兩端電壓比較后,由①腳輸出。其中R5的作用是將輸入的很少一部分反饋至同相輸入端③腳,以使在小信號波動時輸出鎖定不變。當熱電偶檢到溫度偏低時;③腳電平相對②腳低,使輸出①腳也低。進而使IC-B放大器⑥腳相對于固定偏置的⑤腳偏低,使輸出⑦腳為高。由于IC-B⑤腳電壓是由AC220V經R6、R7分壓而得,因而,頻率、相位完全與AC220V相同。與⑥腳直流比較后在⑦腳輸出交流電壓。該交流電壓經C2、D4、D3和D4反向并聯(作用同雙向二極管)觸發雙向可控硅,使相應的電壓加到烙鐵電熱絲上,以達到恒溫的目的。
相關閱讀:




