【導讀】前面小編帶給大家了關于接地的一些案例《接地無小事,熱議4個接地案例(上)》。本文將繼續為大家解惑:接地到底是什么、有哪些?結合案例來展示給大家,看看接地有哪些要害,給我們工程師帶來哪些苦頭?
案例二:屏蔽接地
屏蔽接地:一般我們把屏蔽分為兩種,一種是磁場屏蔽,這時,我們不太關注是否真的要接地,我們只關注磁場對屏蔽后方的均勻程度,也即是否會變成差模的干擾;另一種是電場屏蔽,也是基于靜電屏蔽原理,這里我們一般要求必須接地;總體上,這段話提到的接地都是指信號返回路徑的地(即噪聲要返回到噪聲源的途徑),而并非一定要接到地球。
講到屏蔽接地,就想到生活中最普通的臺式電腦。電腦機箱主要用著承重構架和屏蔽的,夏天天氣熱,胳膊腿都裸露著,偶爾碰到電腦機箱,猛地一下被電到。這樣的經歷你有沒有??
電腦機殼電人,到底是一種什么現象,是靜電?是漏電?
我給出的答案是:大多數情況下是漏電,而非靜電。這和你家墻插有沒有真正的地線有關。當墻插沒有地線時,而你的電腦主機和電源都是正品的時候,往往你會被不停地電一下的!
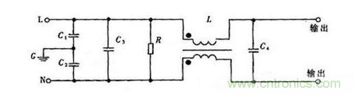
在主機內部電源一般都是開關電源,為了保證EMC各項指標合格(安規測試),一般正規廠家都會在交流輸入級加入線路濾波器見下圖,其中C1、C2為共模電容也叫Y電容,C3為差模電容也叫X電容。此電源濾波器目的是解決供電設備EMS和EMI問題而設立的,但是它的存在勢必引入人身安全隱患。所以這類電容必須從耐壓、漏電流、到失效效果上被特殊制作,被稱為安規電容。這個電路也是保護地、噪聲返回路徑結合的一個例子。

LNG分別對應墻插的火線零線和地線,同時機箱也是和G相連接的。常規市電供電,火線L對大地大概220V電壓,這個和墻插有沒有接地無關。當墻插沒接地線時,也就是說機殼未接地,那么L對G(機殼)就會呈現110V左右電壓,G(機殼)對N(即大地,基于TN-S、TN-C-S供電系統)呈現110V電壓,這也就是我們用測電筆點在電腦機殼上,筆會一直亮著的原因。當你碰到機箱的一瞬間,那么漏電流就會通過L到C1到人體到大地再到N形成回路。當然這個電流也是瞬間的,畢竟人體阻抗是很低的,人體接觸后會與C2并聯,從而打破原來C1、C2的分壓值,進而拉低機殼電位,也就是說瞬間被電后就沒什么感覺了,當然你手拿開后再次觸摸機殼還是會被電一下的。
上面提到了安規,就規定了這個Y電容必須有足夠高的耐壓,足夠小的漏電流,即足夠小的容值,從而保證漏電流不至于威脅到人身安全。
通過上面的分析,大概知道,當自己碰到這樣的電腦機箱,很可能說明自己買到的是正品,是針對安規進行設計過的!但也不要忘了,盡量給他來個接地(球)的線,不然,就會經常被電的!
[page]
案例三:隔離型開關電源供電設備接地
防靜電接地:摩擦、感應和傳導都會都會產生靜電,針對不同應用場合,靜電防護的方式也不同,比如有的可以直接接地;有的可以高阻接地,比如機房常用的防靜電地板;還有的直接懸空,利用尖端釋放電荷,比如無線防靜電環。
這里指針對常見的防靜電措施說一下,通常防靜電想達到的目的是:
① 要限制靜電的積累,隨著靜電荷的積累,勢必產生越來越高的電壓,對人和設備都是安全隱患;
② 不能存在大的泄放電流;
這樣就需要一個平衡度的掌握,既想放掉又不至于放的太快。所以一般都是高阻接地的;比如防靜電工作臺和防靜電地板。
做產品的無論是固定式、便攜式還是手持式的設備,一般都面臨防浪涌保護接地、靜電防護接地、屏蔽外殼接地、板級接地等設計;外殼和PCB板的工作地之間的連接關系,往往很重要。那么這兩種地的連接方式無非是“不連”、“短接”、“阻抗相連”三類情況。這里主要考慮設備接地無論前后都是和電源繞不開的,無論保護接地還是工作接地。下面僅針對隔離型開關電源供電設備進行接地分析(無論是DC-DC還是AC-DC,其抗干擾分析是一致的)。

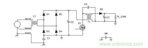
上圖是隔離型AC-DC開關電源原理簡圖,其中Cs為變壓器初次級之間的雜散電容,C1為保護地和熱地之間的安規電容,C4為工作地與保護地(機殼地)之間的安規電容。圖片01.jpg是保護地,圖片02.jpg是熱地,圖片03.jpg是負載設備的工作地。
[page]
案例四:金屬外殼與板級工作地
首先我們分析這幾個電容的必要性,也就是作用。開關電源最大優點是效率高,最大的缺點就是紋波噪聲大;那么分析這三個電容就從開關噪聲回路開始。
開關噪聲是開關管在飽和和截止瞬間能量轉換問題引發的衰減振蕩噪聲,這類噪聲的頻率可以預測,幅值可以通過RCD吸收等方式吸收一部分,但傳導干擾本省還是比較嚴重的,尤其針對模擬微弱信號處理的負載板。
這種噪聲傳導必然通過隔離變壓器的雜散電容CS耦合到次級,那么我們在尋找開關噪聲的返回路徑時發現,如果沒有C1,噪聲勢必會通過L-N回路返回,并污染電網,造成對外電磁輻射超標。同時向后,通過雜散電容CS耦合到次級板級供電處,必然也有有一條返回路徑C4的存在,才能保證噪聲對后級負載影響盡量降低。其實這種通過電容連接的方式我們也叫做高頻接地或浮地設計,這種接地對低頻而言是浮置的。
以上高頻接地依然存在一個靜電防護問題,就是當PCB負載為浮地設計時,可能會有靜電積累,那么勢必會使C4右端電勢不斷抬高,這樣的靜電隱患必須解決,不然對設備是很大的威脅。方法是有的,我們可以衍生出高頻加靜電釋放接地方式,也就是將電容C4并聯一個釋放電阻一般選擇兆歐級或者壓敏器件。
以上說明了PCB的工作地和外殼地的兩種連接方式---通過電容進行連接或者阻容進行連接以及它們的作用;那如果直接把PCB的工作地直接和保護地(外殼)進行短接,會有什么問題呢?要分情況了:如果保護地很“干凈”,這種方法很實用;如果保護地很“雜亂”,那么最直接的隱患就是大地上的很多干擾,同時都有可能通過這種直接傳導方式進入電路板,通過共模轉差模的方式,進而干擾電路板上的正常信號。
當然還存在低頻接地、高頻懸浮的方式連接二者,比如PCB通過電感連接外殼接地。
總之,接地是因地制宜的,要考慮實際應用場所,清楚自己接地的目的,然后指導自己用合適接地方式來處理自己的系統,達到安全和電磁兼容的雙重效果。這樣設計出來的產品接地才是合格的!
再強調一番:這一切的前提是你對接地要有個系統概念。
相關閱讀:





