【導讀】本文介紹的過壓保護電路由過壓保護開關(OVPSwitch)和瞬態電壓抑制器 (TVS)組成,可實現完善可靠的抗持續高電壓和瞬間沖擊電壓的功能。
利用電池供電的移動設備通常需要通過外置的AC適配器對系統電池進行充電。而不同供電電壓的設備間往往共用著相似的電源插座和插頭,這些不同電壓標準的適配器往往會給用戶帶來潛在的錯插風險,可能導致設備因過高的電壓而燒毀。另一方面,來自 AC適配器前端的浪涌或者電網的不穩定也有可能導致適配器的輸出電壓超越設備所能承受的范圍。因此,在移動設備設計中就有必要加入充電端口的過壓保護電路,以避免上述情況對設備后端電路的破壞。
本文介紹的過壓保護電路由過壓保護開關(OVPSwitch)和瞬態電壓抑制器 (TVS)組成(如圖1),可實現完善可靠的抗持續高電壓和瞬間沖擊電壓的功能。

圖1:OVPSwitch和TVS組成的過壓保護卡關
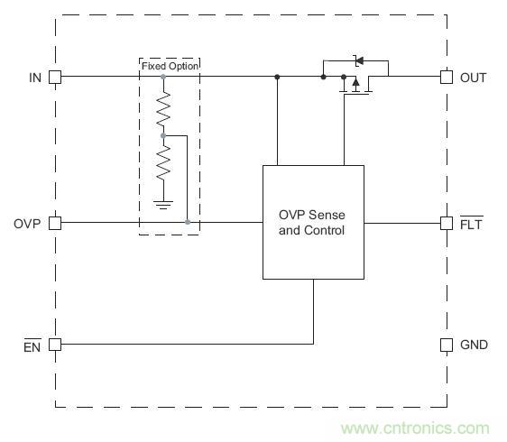
在整個方案中,核心部分器件為過壓保護開關,以美國研諾邏輯科技有限公司(AATI)的過壓保護開關 AAT4684為例,過壓保護開關的內部主要是由控制邏輯電路和 PMOS管組成,當 OVP端的檢測電壓高于特定電壓閾值之后,邏輯電路就會通過柵極關斷 PMOS的溝道。由于該 PMOS管擁有較高的持續性耐壓(28V),因此可以保護后端的元器件不會因前端電源輸入異常高壓而燒毀(其內部原理如圖2所示)。

圖2:AAT46842 內部原理圖
通過以下實驗可以說明當過壓保護開關的輸入端出現過高電壓時它對后端電路所起到的保護作用。
圖3所示為測試所用電路原理圖,輸入端為 12V平穩直流源,電源通過一段長度為 1米的導線與 AAT4684的輸入端相連, CH1為 AAT4684輸入電壓的測試點, CH 2為 AAT4684輸出電壓的測試點,CH3為其輸出電流探測點。將 AAT4684的 OVP保護電壓設為 6V(即當電壓超過 6V后,開關管立刻關閉,以保護輸出端的電路)。為體現實際應用中 AC適配器的插拔情況,對系統的上電過程通過導線和電源的機械性拔插來實現。

圖3:測試所用電路原理圖
由圖4所示的波形中可以到,在電路上電的時刻,輸入端的電壓很快超過了 6V并最終穩定在了 12V左右,而輸出端電壓由于 OVP開關的作用,始終維持在 0V電壓,即 AAT4684輸出端之后的電路不會因過高的輸入電壓而受到影響,后端電路器件在此時受到了 AAT4684的過壓保護。

圖4:經示波器測得的各通道的電壓及電流波形
但是在這同時卻發現當電源電壓插入的瞬間, AAT4684輸入端的電壓呈現了一個超過 20V的尖峰。如果進一步調高輸入電壓(如將電壓調整到 16V),在拔插電源時會發生 OVP開關燒壞的現象,但是電源所提供的輸出電壓卻遠小于 OVP開關的最高耐壓 28V。如何解釋此現象呢?
原因就出在從電源輸出到 AAT4684輸入的這段導線上。任何一段有長度導線具有一定的等效電感。等效電感的存在相當于在理想導線上串聯了一個分立電感器,同時由于芯片的輸入端存在的輸入電容,接合起來就相當于一個如圖 5所示的 LC振蕩電路;而這個電路當輸入一個階躍時在輸入電容上最大可出現 2倍于輸入的振蕩電壓。

圖5: 輸入端輸入電容與導線電感構成的LC振蕩電路
由于這些等效器件的存在,就會在系統上電的瞬間于 OVP開關輸入端產生一個高于電源的電壓。過高的瞬間電壓就類似靜電放電電壓,雖然總能量不大,但是如果其電壓值在瞬間高過了 OVP開關的最高耐壓范圍,就足以將 OVP開關內部的 MOSFET擊穿,使得芯片輸入端對地發生短路,失去作用。因此在考慮過壓保護設計時,還應考慮對電路輸入端可能出現的瞬態高壓的防護。
為解決以上問題,可以在 AAT4684的輸入端放置TVS來實現對瞬間沖擊電壓沖擊的防護。TVS是一種二極管形式的高效能保護器件。當 TVS二極管的兩極受到反向瞬態高能量沖擊時,它能以納秒級的速度,將其兩極間的高阻抗變為低阻抗,吸收高達數千瓦的浪涌功率,使兩極間的電壓箝位于一個預定值,有效地保護電子線路中的元器件免受各種浪涌脈沖損壞。
由于它具有響應時間快、瞬態功率大、漏電流低、擊穿電壓偏差小、箝位電壓較易控制、無損壞極限、體積小等優點,目前已廣泛應用于各類電子設備之中。
[page]
由于 OVP保護開關雖然可以持續地長時間承受耐壓范圍內的電壓,但是卻無法經受超過其耐壓范圍的瞬時電壓沖擊,而TVS結構的二級管,雖然無法承受長時間的導通電流,但是卻可以在瞬時吸收很高的電壓沖擊,通過自身的雪崩導通來限制其兩端的最高電壓,對電壓起到鉗位的作用。因此將 TVS管置于 OVP開關電路之前,就可以有效地防止瞬時高壓對 OVP開關的破壞,同時 OVP的持續受壓能力又可以保護后端電路免受前端電源持續高電壓的破壞。電路邏輯結構如圖 6所示。

圖6:耐高壓電路邏輯圖
由于 TVS本身就是屬于 ESD保護器件,可以同時提高設備在接口端的靜電保護能力(通常的 TVS管都可以耐受 2KV以上接觸式靜電放電),這樣的設計就可以在真正意義上實現端口的保護功能,有效地提高了器件的使用壽命和可靠性。(關于詳細的 TVS選用可參閱具體文獻。)
另一方面,當 OVP開關導通并存在一個持續較大工作電流流過時,此時如果突然關閉開關(比如啟動了 OCP過流保護或 OTP過溫保護),因導線電感中的電流不會突變,導線電感中的瞬時電流的變化會在 AAT4684的輸入端產生一個高于電源的電壓,這就使得 OVP開關會在一個很短的時刻需要承受一個極高的電壓,其原理有些類似于開關升壓電路(如圖 7所示)。

圖7:開關升壓電路
以下實驗為了說明這類現象所可能產生的實際輸入電壓的突變,當過壓保護開關有大電流流過并正常工作時將 AAT4684加溫使之自動進入過溫保護( OTP)狀態來觀察此時輸入端可能產生的波形變化。該實驗電路依舊如前文所述的圖3所示,電源以5.5V電壓供電,負載電流約為 1.5A。
實驗時對 AAT4684進行加熱至芯片過熱保護功能啟動,內部的 MOSFET立刻關斷。可以看到,在大約 400ns的時間里,由于流過開關管的電流被快速關斷,在 OVP的輸入和輸出端瞬間確實出現了一個超過 15V以上峰峰值的沖擊電壓,假如電源的輸入電壓更高一些或者負載電流更大一些,這個沖擊電壓也同樣會更高,雖然持續的時間極短,但是完全有可能在尖峰時刻突破 OVP開關的最高耐壓,從而破壞其內部的 PMOS。
如果用同樣的原理進一步分析 OVP開關接通電源時的過程,可以發現,因 OVP開關內部的控制電路在剛剛上電的瞬間需要建立狀態,所以在初始的極短時間里, PMOS柵極電壓沒有立刻置高,因此 PMOS溝道還沒來得及關斷(這個時間大約會持續 0.1us),雖然對后端電路不會有什么影響,但是這個時間產生的導通電流在 PMOS關斷的時刻同樣會產生類似前文所述的問題,即在 OVP的輸入端產生的一個時間極短的過高電壓沖擊可能會危及 OVP開關正常工作。

圖8:開關關閉時各種電壓變化的測量結果
為了避免上面所述的這兩種情況帶來的瞬間高壓對 OVP開關的沖擊,在其前端放置合適的瞬態電壓抑制器同樣可以很好地解決該問題。由于 TVS管和 OVP開關具有其各自的功能特點,當電路在正常工作時,OVP開關導通,TVS處于反向截止狀態,當輸入電壓高于 OVP保護電壓又低于 OVP正常耐壓時,OVP就起到了對高壓很好地持續阻斷的作用,保護了后端器件的安全,而當電路的輸入端因前文所述幾種情況而導致瞬時高壓沖擊出現時, TVS管的瞬間導通機制又能很好地吸收沖擊電壓的能量,保護了 OVP開關的安全。其兩者的共同作用就可以有效地實現抑制瞬態和持續高壓的功能,完善地保護了整個電路系統的接口免受異常高壓的破壞。
[page]
附錄 :
以下實驗對 AAT4684輸入端使用 TVS和不使用 TVS管前后的波形進行比較,供讀者參考。CH1為 AAT4684的輸入電壓,CH2為 AAT4684的輸出電壓。將電源電壓 Vin設為12V,輸出電容為0.1uF,圖A1為前端沒有TVS管的波形,圖A2為前端加了TVS管的波形(TVS導通電壓為19V)。用5.5V作為電源輸入,負載電流為1.5A時將OVP加熱進入過溫保護瞬間波形,圖B1為前端沒有TVS的波形,圖B2為前端加了TVS時的波形(TVS導通電壓為16V)。

圖A1: 無TVS時輸入端波形


圖A2: 有TVS時輸入端波形


圖B1: 前端沒有TVS時過溫保護瞬間


圖B2: 前端加TVS時過溫保護瞬間
相關閱讀:
電路保護:Fuse or PPTC
靜電防護和多層壓敏電阻詳解
汽車電路保護——瞬態電壓抑制器




