【導讀】文章介紹的漏電保護器動作特性自動測試系統,可測量漏電保護器的漏電動作電流值、分斷時間和漏電不動作電流值,對提高漏電保護器工作的可靠性提供了主要技術參數,檢測過程具有較高的自動化水平,可對在線運行與非在線運行的漏電保護器進行檢測。
據不完全統計,我國每年因漏電而引起的觸電事故、火災造成數千人死亡和數十億的經濟損失,因此對可以防止漏電火災及人身觸電保護的漏電保護器的性能提出了更高的要求。文章介紹的漏電保護器動作特性自動測試系統,可測量漏電保護器的漏電動作電流值、分斷時間和漏電不動作電流值,對提高漏電保護器工作的可靠性提供了主要技術參數,檢測過程具有較高的自動化水平,可對在線運行與非在線運行的漏電保護器進行檢測。
系統以LPC2132為核心,具有擴展測試電流的產生和調節模塊、動作執行單元、電流檢測電路以及鍵盤等外圍設備。LPC2132是一個支持實時仿真和跟蹤32位ARM7TDMI-S核的微控制器,1個10位8路A/D轉換器,2個32位定時器/計數器,6路PWM單元輸出,2個硬件I2C接口和47個 GPIO,2個16C550工業標準UART,以及多達9個邊沿或電平觸發的外部中斷。16kB的片內靜態RAM和64kB的片內Flash程序存儲器避免了LPC2132外擴存儲器,簡化了電路,提高了運行速度。漏電保護器的動作特性自動測試系統結構框圖如圖1所示。
測試電流產生及調節模塊

圖2 測試電流產生及調節模塊
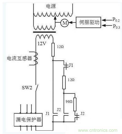
測試電流產生和調節模塊如圖2所示。測試電流的產生是將50Hz、220V的正弦交流電經過220:12的降壓變壓器和電動調壓器,輸出0~12V的正弦交流電,再通過回路電阻,產生需要的測試電流。測試電流的產生分為3檔,以滿足不同的測量范圍。繼電器J1吸合,可產生0~1000mA的測試電流;繼電器J2吸合,可產生0~500mA的測試電流;繼電器J1、J2都不吸合,可產生0~100mA的測試電流。每一檔測試電流的調節通過LPC2132控制電動調壓器實現。為了使測試電流能均勻地變化,電動調壓器采用了交流伺服控制。在測試過程中,LPC2132對采集到的實時回路中的測試電流值與設定值比較,并計算得到控制量,控制伺服電動機轉動,帶動電動調壓器的電刷在副邊上穩定地滑動,使副邊電壓變化,從而改變回路中的電流。LPC2132的P0.2 腳輸出脈沖信號控制伺服電動機的運動速度,P0.3腳輸出高或低的電平信號,控制伺服電動機轉動的方向。
[page]
電流檢測電路
電流檢測電路如圖3所示。通過電流互感器對測試電流進行采樣,將電流互感器的二次側輸出信號經濾波、放大、電壓提升等電路,變換為A/D模塊可以采集的單極性電壓信號(0~5V)后送入LPC2132.

圖3電流檢測電路
在檢測電流的大小時,根據測試電流的周期(工頻)按照每個周期40個點進行采樣,采樣一個周期后,根據電流互感器的衰減倍數和提升電壓的數值,通過軟件算法計算出實際的電流有效值。電路應滿足如下條件,當交流電流的瞬時值達到正向峰值時,放大器輸出5V;當交流電流的瞬時值達到負向峰值時放大器輸出 0V.3 A/D轉換及控制電路
電流檢測電路的輸出信號VOUT送入LPC2132內置的8路10位高速A/D轉換輸入端,對漏電電流的大小進行檢測。

圖4 A/D轉換及控制電路
由于A/D轉換為10位,當輸入電壓為5V時,輸出數據值為1024(4FFH),因此最大分辨率為0.0049V(5V/1024)。若產生測試電流的回路電阻為12Ω時,漏電電流的分辨率為0.4mA(0.0049V/12Ω),完全滿足測試需要。漏電保護器的漏電電流產生的開始信號和動、靜觸頭斷開信號分別送入LPC2132的外部中斷輸入端,采用中斷的方式對漏電保護器動、靜觸頭的分斷時間進行檢測。P0.5與P0.6腳分別控制繼電器J1、J2的閉合和分斷,選擇三種不同測量范圍的測試電流。LPC2132與上位機之間采用串行通信,由于系統是3.3V系統,所以要使用SP3232E進行RS- 232電平轉換。SP3232E是3V工作電源的RS-232轉換芯片。A/D轉換及控制電路如圖4所示。



