【導讀】機器視覺系統利用非常短的強光閃爍產生高速圖像運用于各種數據處理應用。比如,快速移動的傳送帶通過機器視覺系統進行快速標簽和缺陷檢測。紅外和激光LED閃光燈常用于近程和運動檢測機器視覺。安全系統發出高速、難以察覺的LED閃光燈來檢測運動,捕獲和存儲安全影像。
所有這些系統都存在的一個挑戰,即產生非常高的電流和短時間(微秒)LED相機閃光波形,這些波形可能散開在較長時間內,例如100 ms到1 s以上。產生間隔較長時間的短時LED閃光方波并非易事。當LED(或LED串)的驅動電流上升到1 A以上,并且LED開啟時間縮短到幾微秒時,挑戰難度進一步加大。許多具有高速PWM能力的LED驅動器可能無法有效處理較長關斷時間和短時間的高電流,而又不降低適當處理高速圖像所需的方波質量。
專有LED閃光燈
幸運的是,LT3932高速LED驅動器可為高達2 A的LED串提供機器視覺相機閃光燈,關斷時間可以長達1秒、1小時、1天或更長時間。LT3932的特殊相機閃光燈功能允許其保持輸出電容和控制環路充電狀態,哪怕是在長關斷時間內。對輸出和控制環路電容的狀態進行采樣后,LT3932繼續在長關斷期間對這些元件進行涓流充電,以補償通常都會有的漏電流,而這是其他LED驅動器未予考慮的。
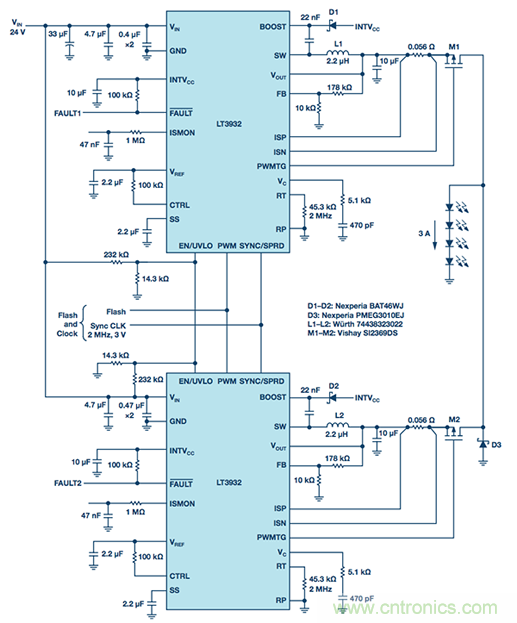
LT3932的專有閃光技術可以擴展,驅動器可以并聯以提供更高的LED閃光電流。所需的閃光形狀和完整性保持不變。圖1顯示了并聯兩個驅動器以支持3 A相機閃光燈是多么容易,高達4 A的設計也是可行的。

圖1. 相對于標準PWM調光頻率,并聯LT3932 1.5 A LED驅動器產生具有長關斷時間的3 A機器視覺LED脈沖
機器視覺系統的LED閃光燈要求遠遠高于標準PWM調光驅動器所能達到的要求。也就是說,大多數高端LED驅動器設計用于在至少100 Hz的PWM頻率下提供PWM調光亮度控制。這是因為,若頻率較低,哪怕LED波形是方形且可重復的,人眼看到的也是令人討厭的閃爍或頻閃。在100 Hz時,理論最大關斷時間約為10 ms。
在10 ms關斷時間內,如果設計正確,LED驅動器會損失極少輸出電容電荷,使其在大約相同的狀態下啟動控制環路,從而結束最后一個PWM導通脈沖。電感電流和下一個LED PWM導通脈沖的快速響應和斜坡上升可以很快且可重復,并且啟動時間極短。較長關斷時間(頻率低于100 Hz時)可能會導致輸出電容因漏電而損失電荷,從而使LED重新開啟時無法快速響應。
并聯LED驅動器以提供更高電流
LED驅動器充當電流源,調節通過發光二極管發出的電流。電流僅沿單一方向流向輸出,因此可將多個LED驅動器并聯起來,其電流匯總后通過負載。電流源不需要防范電流通過一個轉換器反向流動,也無需擔心輸出不匹配。另一方面,電壓調節器本身并不擅長均流。如果它們都試圖將輸出電壓調節到某一點,并且其反饋網絡存在細微差異,則調節器可能會吸收反向電流。
LED驅動器會保持其輸出電流不變,無論其他驅動器是否提供額外電流并匯總在輸出負載上。這使得并聯LED驅動器非常簡單。例如,圖1所示兩個并聯LT3932 LED驅動器構成的LED閃光燈系統能以3 A高效驅動4個LED,10μs短脈在機器視覺系統所定義的較長期間內沖散開來。在PWM導通時間內,每個LT3932轉換器產生總串電流的一半;在PWM關斷時間內,轉換器關閉并保存其輸出狀態。關斷時間可短可長,對閃光波形的重復性沒有影響。

圖2. 無論PWM關斷時間是多少,圖1所示并聯LED驅動器的3 A相機閃光波形看起來相同。波形顯示,(a) 10 ms之后和(b) 1 s之后的10μs脈沖是相同的。經過一天或更長的PWM關斷時間之后,LT3932 LED閃光波形看起來也相同。
在長關斷期間,并聯相機閃光燈應用幾乎與單個轉換器一樣簡單。轉換器觀察最后一個PWM導通脈沖結束時的共享輸出電壓,讓輸出電容充電至該狀態并保持,即使在長關斷時間內也如此。
每個轉換器將其PWM MOSFET與共享負載斷開連接,并向其輸出電容供應電流以補償泄漏的能量,使該電容充電至接近最后電壓狀態并保持。這些電容在長關斷時間內發生的任何泄漏都可以通過少量維持電流來補償。當下一個PWM導通脈沖開始時,每個轉換器的PWM MOSFET導通,輸出電容以與最后一個脈沖大致相同的狀態啟動,無論是經過了10 ms還是一整天。
圖2(a)和2(b)顯示了LT3932并聯LED驅動器以3 A驅動4個LED,機器視覺相機脈沖為10μs。無論是10 ms PWM關斷時間(100 Hz)還是1 sPWM關斷時間(1 Hz),LED脈沖都很陡峭且快速,這對于機器視覺系統是非常理想的。
實現更高電流亦可行
并聯LED驅動器不限于兩個轉換器。三個或更多轉換器也可以并聯在一起,產生具有陡沿的更高電流波形。該系統沒有主器件或從器件,因此所有轉換器都提供相同量的電流并平均分擔負載。建議所有并聯LED驅動器轉換器共享相同的同步時鐘并保持同相。這樣可確保所有轉換器的輸出電容紋波具有大致相同的相位,故而紋波電流不會反向流動或在不同轉換器之間流動。PWM脈沖波形與2 MHz同步時鐘保持同相很重要。這樣可確保LED閃光波形保持方形且無抖動,從而產生最佳圖像處理結果。
LT3932演示電路(DC2286A)設計為通過一個或兩個LED(作為降壓LED驅動器)驅動1 A的LED電流。如圖1所示,它很容易進行更改和并聯,以實現更高電流、更高電壓或并聯運行。圖4顯示了如何將兩個這樣的電路輕松連接在一起,從24 V輸入以10μs、3 A脈沖驅動4個LED。出于測試目的,脈沖發生器可用于提供同步時鐘信號,如圖4所示。在量產機器視覺系統中,可利用時鐘芯片生成同步時鐘信號和PWM脈沖。如需更高電流脈沖,可使用相同的并聯方案添加更多演示電路DC2286A轉換器。

圖3. 工業傳送帶上的機器視覺例子。檢測系統以多種不同速度移動,但閃光技術必須快速而清晰。


圖4. 兩個DC2286A LT3932演示電路可輕松并聯,以創建圖1所示的3 A至4 A機器視覺LED閃光燈應用。
結語
機器視覺系統可以使用并聯LED驅動器來創建自動圖像處理所需的快速、方形、高電流波形。通過并聯轉換器,LT3932 LED驅動器的專有相機閃光燈技術可以擴展到更高的電流。采用并聯LT3932轉換器,即使關斷時間較長,也可以實現3 A和更高的微秒級脈沖。無論LED閃光之間的關斷時間有多長,LED相機閃光波形都能保持方形且無抖動。
推薦閱讀:





