【導讀】繼電器接觸器控制系統經過長期的使用,已有一套能完成系統要求的控制功能并經過驗證的控制電路圖,而PLC控制的梯形圖和繼電器接觸器控制電路圖很相似,因此可以直接將經過驗證的繼電器接觸器控制電路圖轉換成梯形圖。
一、繼電器控制電路與PLC梯形圖詳解
1、點動電路
功能介紹:點則動,松則不動,即按下按鈕開,松開按鈕停

2、帶停止的自動保持電路
(1)、功能介紹
為保持電路狀態的一種基本形式,主要用于保持外部信號狀態

(2)、工作原理
開機 = 按下常開按鈕0 → 繼電器線圈J0得電 → J0常開主觸點閉合 → 電機得電開機、同時J0常開輔助觸點自鎖 → 電機繼續運行,如圖2-8。
停機 = 按下常閉按鈕1 → 繼電器線圈J0失電、同時J0輔助觸點斷開→ 電機失電停機,如圖2-7。
(3)、電路應用
下面我們對繼電器線圈未通電和通電前后進行比較:

二、繼電器控制電路轉換為PLC梯形圖法
繼電器接觸器控制系統經過長期的使用,已有一套能完成系統要求的控制功能并經過驗證的控制電路圖,而PLC控制的梯形圖和繼電器接觸器控制電路圖很相似,因此可以直接將經過驗證的繼電器接觸器控制電路圖轉換成梯形圖。主要步驟如下:
1、熟悉現有的繼電器控制線路。
2、對照PLC的I/O端子接線圖,將繼電器電路圖上的被控器件(如接觸器線圈、指示燈、電磁閥等)換成接線圖上對應的輸出點的編號,將電路圖上的輸入裝置(如傳感器、按鈕開關、行程開關等)觸點都換成對應的輸入點的編號。
3、將繼電器電路圖中的中間繼電器、定時器,用PLC的輔助繼電器、定時器來代替。
4、畫出全部梯形圖,并予以簡化和修改。
這種方法對簡單的控制系統是可行的,比較方便,但較復雜的控制電路,就不適用了。
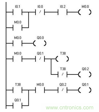
【例1】1-為電動機Y/△減壓起動控制主電路和電氣控制的原理圖。
1、工作原理如下:按下啟動按鈕SB2,KM1、KM3、KT通電并自保,電動機接成Y型起動,2s后,KT動作,使KM3斷電,KM2通電吸合,電動機接成△型運行。按下停止按扭SB1,電動機停止運行。

1- 電動機Y/△減壓起動控制主電路和電氣控制的原理圖
2、I/O分配
輸入 輸出
停止按鈕SB1:I0.0 KM1:Q0.0 KM2: Q0.1
起動按鈕SB2:I0.1 KM3:Q0.2
過載保護FR: I0.2
3、梯形圖程序
轉換后的梯形圖程序如圖2所示。按照梯形圖語言中的語法規定簡化和修改梯形圖。為了簡化電路,當多個線圈都受某一串并聯電路控制時,可在梯形圖中設置該電路控制的存儲器的位,如M0.0。簡化后的程序如圖3-所示。

2- 例1梯形圖程序

3-例1簡化后的梯形圖程序





