【導讀】這次分享的10大原則和7大步驟,幫助大家理解難題!不計導線電阻,認定R線≈0。有電流流過的導線兩端電壓為零,斷開時開關兩端可以測得電壓(電路中沒有其他斷點)。
這次分享的10大原則和7大步驟,幫助大家理解難題!
01. 電路簡化的基本原則
初中物理電學中的復雜電路可以通過如下原則進行簡化:
第一:不計導線電阻,認定R線≈0。有電流流過的導線兩端電壓為零,斷開時開關兩端可以測得電壓(電路中沒有其他斷點)。
第二:開關閉合時等效于一根導線;開關斷開時等效于斷路,可從電路兩節點間去掉。開關閉合有電流流過時,開關兩端電壓為零,斷開時開關兩端可以測得電壓(電路中沒有其他斷點)。
第三:電流表內阻很小,在分析電路的連接方式時,有電流表的地方可看作一根導線。
第四:電壓表內阻很大,在分析電路的連接方式時,有電壓表的地方可視作斷路,從電路兩節點間去掉.
第五:用電器(電阻)短路:用電器(電阻)和導線(開關、電流表)并聯時,用電器中無電流通過(如下圖示),可以把用電器從電路的兩節點間拆除(去掉)。

第六:滑動變阻器Pa段被導線(金屬桿)短接不工作,去掉Pa段后,下圖a變為圖b。

第七:根據串、并聯電路電流和電壓規律“串聯分壓、并聯分流”分析總電流、總電壓和分電流、分電壓的關系。
第八:電流表和哪個用電器串聯就測哪個用電器的電流,電壓表和哪個用電器并聯就測哪個用電器的電壓。判斷電壓表所測量的電壓可用滑移法和去源法。
第九:電壓表原則上要求并聯在電路中,單獨測量電源電壓時,可直接在電源兩端。
一般情況下,如果電壓表串聯在電路中,測得的電壓是電源兩端電壓(具體情況見筆記)。電流表直接接在電源兩端會被燒壞,且讓電源短路,燒壞電源。
第十:如果導線上(節點之間)沒有用電器(開關,電流表除外),那么導線上的各點可以看做是一個點,可以任意合并、分開、增減。(此法又稱節點法)例如:

02. 電路簡化步驟
第一步:按照題目要求將斷開的開關去掉,將閉合的開關變成導線。
第二步:將電流表變成導線(視具體情況也可保留)。
第三步:去掉電壓表。
第四步:合并(或者換位)導線上的節點。(此步驟在電路中用電器比較多,且相互糾結時,采用)
第五步:畫出等效電路圖,判斷各用電器是串聯還是并聯。
第六步:在原電路中利用原則七、八判斷電流表和電壓表各測量哪個用電器的電流和電壓。
第七步:將電壓表和電流表添加到等效電路圖中,分析各電流表和電壓表示數之間的關系。(利用原則七)
03. 經典例題選講
例1:在如下電路圖中,開關S閉合后,電壓表V1的示數是2.5V,V2的示數是1V,如果A2的示數是0.2A,那么A1的示數是多少?試求兩只燈泡兩端的電壓。

分析:第一步:將開關變成導線;
第二步:將電流表變成導線;
第三步將電壓表去掉。
第四步(略)
第五步:判斷用電器連接方式很顯然,電路中兩個燈泡是串聯的。

第六步:根據原則四,知道電壓表V2處斷開,所以沒有電流從A1流過,示數為零;根據滑移法知道V1和電源并聯,測電源兩端電壓。V2和L2并聯,測L2兩端電壓。
第七步:等效電路圖如下:

根據等效電路圖,可知所求
I1=I2=0.2A U1=2.5V-1V=1.5V U2=1V
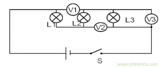
例2 :如圖示,開關s閉合后下列各電壓表示數的關系是,各電流表示數之間的關系是___。
分析:第一步:把開關變成導線;
第二步:把電流表變成導線;
第三步:去掉電壓表;
第四步(略);
第五步:判斷各用電器的連接方式:

第六步:根據原則七和原則八以及滑移法或去源法判斷電流表和電壓表各自所測量的對象。
①在原電路中,去掉電壓表,可以發現電流表A1和A2都與燈泡串聯,所以電流表示數相等;
②用滑移法可以判斷出V1測L1兩端的電壓,V2測電源兩端的電壓;V3測L2兩端的電壓。
第七步:等效電路圖如下

例3 : 電路開關閉合后,v1、v2、v3的示數分別是8V、9V、4V,則L1、L2、L3兩端的電壓各是多少?

所求的電壓關系式為:U2=U1+U3 I1=I2
解:根據“十原則,七步驟”可以得到該電路的等效電路圖如下:

從等效圖可以得到如下方程組:
UL1+UL2=8VUL2+UL3=9VUL3=4V
解得:UL1=3v UL2=5v UL3=4V
例4:如圖所示,已知兩只燈泡L1和L2是串聯的,則在①、②和③三個電表中(電流表或電壓表)判斷正確的是( )
A. ①是電流表,②和③是電壓表;
B. ①和③是電壓表,②是電流表;
C. ①和②是電流表,③是電壓表;
D. ①②和③都是電流表

分析:本題可用排除法解答。將A答案的各表填入
三個位置中,根據“十原則,七步驟”電路圖簡化為:

很明顯,不符合題意。將B答案各表填入圖中,電路可簡化為:

這種填法符合題意。
把C答案各表填入電路中,電路L1被斷路,簡化后的電路圖和A答案相同,不合題意。把D答案各表填入圖中,電源短路,兩個燈泡沒有電流流過,不合題意。所以選擇答案B。



