【導讀】這篇文章主要用于高性能模擬開關的培訓模塊。該培訓模塊涵蓋了模擬開關的基礎知識,包括不同類型的開關,關鍵參數及其在特定應用中的重要性。該模塊還介紹了模擬開關產品和命名,以及無鉛封裝的最新封裝趨勢。
今天主要給硬件新手寫點東西,關于三極管實用方面的,會說兩個基本的電路,以及相關電阻的取值及注意事項。
一個現狀我們在模電教材里面,會有各種放大電路,共基,共集,共射等,相關的計算公式,曲線,電路等效模型天花亂墜,學起來非常費勁。
實際90%工作,可能我們只需要關注一個參數就行了,那就是電流放大倍數β,其它的通通用不到,而且我們做產品,如果真要放大信號,那也是使用各種集成運放。
絕大多數情況,我們是把三極管當作一個低成本的開關來使用的,作為開關,雖然MOS可能更為合適,不過三極管價格更低,在小電流場景,三極管反而是用得更多的。

一個NPN三極管,價格也就2分錢左右。
常用的電路(NPN為例)
1、電平轉換,反相

這個電路用得非常多,有兩個功能。
一是信號反相,就是輸入高電平,輸出就是低電平;輸入低電平,輸出就是高電平二是改變輸出信號的電壓,比如輸入的電壓范圍是0V或者是3.3V,想要得到一個輸出是0V或者是5V的電平怎么辦呢?讓Vcc接5V就可以了,輸出高的時候,out的電平就是大約為5V的。 2、驅動指示燈
我們經常使用三極管驅動LED燈,比如下面這個電路:

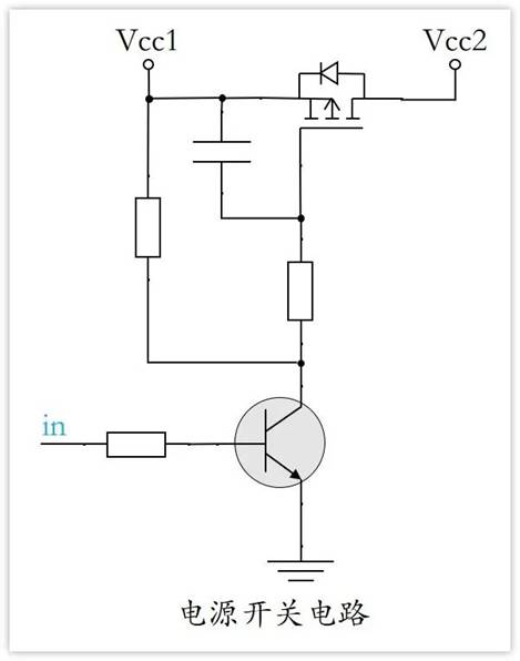
3、驅動MOS開關
還一個電路也用得非常多,那就是驅動電源的PMOS開關,如下圖:

在in為低時,三極管不導通,相當于是開路,PMOS管的Vgs為0,PMOS管也不導通,Vcc2沒有電。
在in為高時,三極管導通,集電極相當于是接地GND,于是PMOS管的Vgs為-Vcc1,PMOS管導通,也就是Vcc1與Vcc2之間導通,Vcc2有電。 可以看到,以上三種電路,其實都一樣,就是三極管是用作開關的,要不工作在飽和區(導通),要不工作在截止區(不導通),總之就是不能工作在放大區。這個比較容易理解,如果工作在放大區,那么Vce的電壓就很難確定了,這會導致當你想要高低電平的時候,結果得到一個中間態。 所以,Z重要的就是要保證管子的工作狀態是ok的,也就是說我們要選好電路中的電阻阻值。

關于電阻的取值,有的新手就有點分不清,因為不同的人設計的電路,電阻的阻值不盡相同,問就說是“經驗值”。其實哪有那么多經驗值,都是有些道道在里面的。
下面來看看如何選擇電阻。 如何選擇電阻
我們的電路輸入一般是只有兩種狀態,0V或者是其它的高電平(1.8V,3.3V,5V等),截止狀態一般不用怎么考慮,因為如果讓三極管的Vbe=0,自然就截止了,重要的是飽和狀態如何保證。 那么啥叫飽和狀態?
我們先假定三極管工作在放大狀態,那么放大倍數就是β,如果基極有Ib電流流過,那么集電極Ic=β*Ib,Ic也會在Rc上面產生壓降Urc。

易得:Urc Uce=Vcc,顯然,Ib越大,那么Urc=β*Ib*Rc越大,如果Ib足夠大,那么Urc=Vcc時,Uce=Vcc-Urc=0。
如果我們繼續增大Ib,那么Uce會變成負的嗎?
Uce<0是不可能的,因為如果電壓反向,那么電流也要反向,這顯然是不成立的。實際Uce也就繼續保持接近于0,那么也就是說此時Ic的實際電流是小于β*Ib的,此時電路已經滿足不了β的放大倍數,三極管已經不是在放大狀態,而是進入飽和狀態了。
從以上描述我們很容易得出來,我們只需要讓計算出的Urc=β*Ib*Rc>Vcc,那么三極管就是工作在飽和狀態的。不過,上面這個電路太簡單,實際電路又各種各樣,那么到底該如何考慮呢?我一般是這樣考慮的:就是假定三極管工作在放大狀態,放大倍數為β,如果Z終算得Rc兩端電壓大于Vcc(對應的Uce就是個負壓),那么三極管就是工作在了飽和狀態了。 電路計算舉例
1、LED燈的例子
已知條件:輸入控制電壓高電平為3.3V,電源電壓為5V,燈的導通電流10mA,燈導通電壓2V,三極管選用型號MMBT3904

三極管飽和導通時,Vce=0V,所以Rc=(5V-2V)/10mA=300Ω。
查詢芯片手冊,三極管MMBT3904的的放大倍數β(hfe)如下圖所示:

可以看到,在Ic=10mA時,放大倍數Z小為100。
那么Ib=10mA/100=100uA,三極管導通時,Vbe約為0.7V,繼而求得Rb=(3.3-0.7V)/100uA=26K。
也就是說只要Rb<26K,三極管就工作在了飽和狀態,像這種情況,我一般取Rb=2.2K,或者是1K,4.7K,10K,這樣Ib更大,更能讓三極管工作在飽和狀態。具體取多少,取決于整個板子的電阻使用情況,比如10K電阻用得多,那我就取10K,這樣物料種類少,生產更方便。
或者咱為了保險一點,比如要兼容別的三極管型號,可以取Rb=1K,這樣即使別的三極管β小于100,也能工作在飽和狀態。 我們也可以反向驗算下,假如Rc=300Ω,Rb=10K,那么Ib=(3.3-0.7)/10K=0.26mA,那么Ic=100*0.26mA=26mA,那么Rc的壓降是300Ω*26mA=7.8V,這已經超過Vcc了,所以管子肯定是工作在飽和狀態的。 2、驅動MOS開關
這個電路就是個使用三極管控制PMOS管的通斷,那么里面的電阻和電容該如何選擇呢?
我們要知道,這個電路是如何工作的,考慮了哪些因素。
工作原理:
在in為低時,三極管不導通,相當于是開路,PMOS管的Vgs為0,PMOS管也不導通,Vcc2沒有電。
在in為高時,三極管導通,集電極相當于是接地GND,于是PMOS管的Vgs為-12V,PMOS管導通。
下面看看電阻取值:
R2接到了PMOS管的柵極,我們知道MOS管的柵極阻抗非常大,所以三極管導通穩定之后,R2基本是沒有電流的,所以可以看做是開路,三極管的集電極電流主要從R3流動。
那么三極管的Ic電流該如何設定呢?
我們要在in是3.3V的時候,Vce基本為0,Ic倒是沒有說必須要多少合適。這個時候我們可以先定一個,比如定R3=10K,4.7K,20K等等都是可以的。
我們就先定R3=10K吧,為什么定這個,因為這個是常用電阻。不過我們需要知道,如果電阻定太小,那么Ic的電流必然會比較大,就會浪費電(功耗大,發熱)電源為12V,那么Ic=12V/10K=1.2mA。從MMBT手冊知道,1mA左右,三極管的放大倍數Z小是80,所以Ib=1.2mA/80=15uA。那么R1=(3.3-0.7)/15uA=173k。也就是說R1需要滿足R1<173K就可以讓三極管飽和導通。
因為R3已經選定了10K,那么R1也可以選擇10K了(物料歸一,少些種類)。 R2,C1有什么用呢?
在上電的一瞬間,因為電容兩端的電壓不能突變,所以C1會將MOS管的Vgs鉗制在0V,讓MOS管不會誤導通,C1通常可以選擇100nF左右。
那么R2有什么用呢?
R2可以限制三極管的Ic電流,因為in的電壓突然變化的時候,三極管狀態突然改變,Vce電壓會突然改變,需要對電容C1進行充放電,這個電流可以通過R2來限制。
我們也可以通過R2和C1一起來調節PMOS管的導通時間,其實本質就是RC的充放電。如果沒有嚴格的時間要求,R2和C1的選擇很寬泛,像我一般用100nF和100K。
免責聲明:本文為轉載文章,轉載此文目的在于傳遞更多信息,版權歸原作者所有。本文所用視頻、圖片、文字如涉及作品版權問題,請電話或者郵箱editor@52solution.com聯系小編進行侵刪。
推薦閱讀:






