【導讀】用于正電壓的高效降壓開關穩壓器非常常見。然而,盡管經常需要負降壓開關穩壓器(負電壓輸入、負電壓輸出、共地),但它們并不為人們所熟知。盡管它們的設置并不困難,但有關如何構建它們的文獻卻相當稀少。
用于正電壓的高效降壓開關穩壓器非常常見。然而,盡管經常需要負降壓開關穩壓器(負電壓輸入、負電壓輸出、共地),但它們并不為人們所熟知。盡管它們的設置并不困難,但有關如何構建它們的文獻卻相當稀少。
本文分析了負降壓拓撲的架構和詳細操作。它還將從系統角度討論拓撲的實際電路實現,直至所需電路塊的構建,并包括如何構建電壓轉換器電路的示例,這是使用現成的升壓 IC 實現負降壓穩壓器的關鍵塊。

圖 1:所示為負降壓拓撲的基本架構。
負降壓拓撲
上面的圖 1 顯示了負降壓開關轉換器的基本架構。與正降壓設計一樣,它在輸入和輸出之間有一個高端通器件、一個 LC 輸出濾波器和一個續流二極管。兩個的區別是控制 IC 和反饋電路所需的柵極驅動。
在正降壓中,用作高端傳輸器件的典型負溝道 FET (NFET)需要比系統輸入電壓 (Vin) 更高(更正)的柵極驅動電壓才能導通。由于輸入電壓已經是系統中正的電壓,因此需要特殊電路來產生更高的電壓。
正降壓 IC 通常內置此功能。在負降壓中,用作高端傳輸器件的 NFET 還需要比系統輸入 (-Vin) 更正的柵極驅動電壓。在這種情況下,由于該輸入電壓是系統中負的電壓,因此不需要特殊電路。
所有其他電壓,包括輸出,都“更高”(更正),轉換器接地是系統中正的電壓。在這些情況下,可以使用低側 FET脈寬調制器 控制 IC(例如升壓/反激式調節器或控制器)來實現轉換器。
多種 IC 可用于實現負降壓轉換器,包括控制器和具有低側 NFET 的集成單片穩壓器。單片 IC 簡單、易于實施且組件數量更少。當需要更大的輸出電流以及需要優化效率和散熱時,控制器提供更大的靈活性。

圖 2:該負降壓拓撲使用單片 LM5001 升壓/反激式穩壓器。
上面的圖 2顯示了采用負降壓拓撲且內置 75V、1A NFET 的 3.1-75V 輸入電壓范圍升壓/反激式穩壓器的簡化圖。
在常規升壓應用中,它會向其內置導通 N 溝道 MOSFET 提供比地電位高幾伏的柵極驅動電壓,以便將其打開。在負降壓應用中,柵極驅動器仍會輸出比 IC 接地引腳高幾伏的柵極電壓,在這種情況下,該電壓與系統的輸入電壓 (-Vin) 相關,并將產生所需的結果。
與常規升壓不同,但與常規降壓相同,圖 2中的峰值 IC 開關電流與峰值電感器/輸出電流相同,因此允許 1A 升壓 IC 用于高達 1A 的輸出電流。其他具有不同額定值的穩壓器將用于更高或更低的開關電流。如果控制器,則它將用于與圖中類似的配置。
電壓轉換器
使用現成升壓 IC 的負降壓架構中的另一個特殊考慮因素是反饋路徑所需的信號調節。大多數 IC 的反饋 (FB) 引腳需要 1.25V 左右的電壓(相對于接地)以維持調節。該電壓通常從輸出 (Vout) 獲得,并通過分壓電阻網絡簡單地按比例縮小。
這種技術可以輕松地允許施加的電壓隨輸出下降而上升和下降,這是維持適當調節所必需的。當在正降壓中采用這種方法時,FB電壓和輸出電壓自然參考系統接地和 IC 接地引腳,因此不需要調節或轉換。
在使用低側 FET 升壓 IC 實現的負降壓應用中,輸出 (-Vout) 及其任何分壓樣本仍然以系統接地為參考。然而,由于 IC 接地引腳連接到 -Vin 而不是系統接地,因此 IC 將無法正確讀取 FB 電壓(也不會正確保持調節),因此需要轉換該電壓,使其以 IC 接地引腳為參考。
這種電壓轉換由圖 1 和圖 2 中標有“電平轉換”的小方框表示。有多種方法可以在硬件中實現這一點。

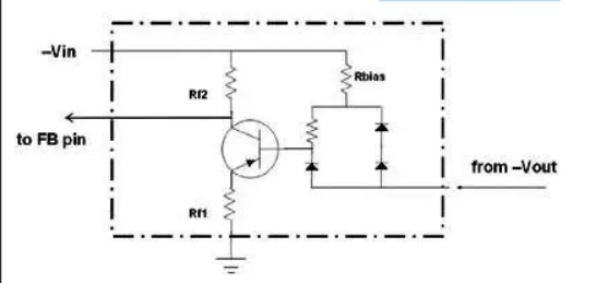
圖 3:可以使用由兩個 pnp 晶體管構建的電流鏡在硬件中實現電壓轉換。
上面的圖 3 顯示了一種簡單、常見且可能更便宜的方法。它使用由幾個廉價的 pnp 晶體管構建的電流鏡。為了獲得性能和更嚴格的調節精度,建議使用配對。
匹配的配對可以在單個包裝中找到;DMMT3906就是一個很好的例子。在圖 3 中,Rf1 和 Rf2 縮小了鏡像電壓,因此用于設置穩壓器的輸出電壓(就像任何可調穩壓器的情況一樣)。換句話說,反饋增益為|Vref /Vout| 和|Vout| 是 Vref x Rf1 / Rf2,其中 Vref 是 IC 反饋引腳(參考)電壓。電流鏡電路的一種變體如下圖 4 所示。

圖 4:電流鏡電路的這種變體使用單個 pnp 晶體管和分立二極管電流鏡。
在此電路中,使用單個 pnp 晶體管。D1 通過消除 Q1 的 pnp 發射極-基極電壓溫度漂移的影響來提供輸出電壓溫度補償。D2 和 D3 為 D1 所需的偏置電流提供一些預調節,從而將線路調節和紋波抑制提高兩倍。
通過用LM385-1.2或LM4040-2.5等電壓基準替換兩個串聯二極管,可以進一步提高性能。
為了簡化電路,或者如果輸入電壓相對恒定且紋波很小,可以取消D2和D3并組合偏置電阻。此外,消除 D1 將提供輸出電壓的負溫度系數。
運算放大器選項
與使用分立元件進行設計相比,更喜歡運算放大器的優點和簡單性的設計人員可以使用運算放大器實現電壓轉換電路。
喜歡使用分立元件過度設計運算放大器的優勢和簡單性的設計人員可以使用運算放大器來實現電壓轉換電路。
通過以與感測和放大差分電壓時使用的配置非常相似的配置連接運算放大器,可以將其用于負降壓配置中,以共同按比例縮小輸出電壓。這使得它適合 FB 引腳(從而設置穩壓器的輸出電壓),同時將該電壓的參考從系統接地轉移到 -Vin 軌。
使用的具體運算放大器取決于應用要求,但通用運算放大器通常就足夠了。低失調電壓對于穩壓器的電壓精度非常重要,并且運算放大器需要具有大于應用的 Vout 幅度的共模電壓范圍。
結論
多種升壓/反激式穩壓器可用于實現負降壓轉換器。由于具有寬輸入電壓范圍的穩壓器和控制器在廣泛的應用中具有靈活性,因此它們被用作示例。
盡管升壓 IC 是實現負降壓轉換器的容易獲得的現成解決方案,但重要的是要重申,我們實際上不是升壓負電壓,而是降壓它,因此選擇外部的所有設計參數和標準組件(電感器、MOSFET、補償等)需要用于降壓設計,而不是升壓設計。
開關電流是轉換器的輸出電流,就像降壓轉換器一樣。電感器值也應該使用紋波電流來選擇,就像降壓轉換器一樣。與常規正降壓轉換器一樣,該拓撲也沒有右半平面零。
如果使用電壓轉換電路,如圖 3 或圖 4 中的電路,很明顯補償可以變得非常靈活,因為添加極點或零就像添加與 Rf1(零)或 Rf2(極)。
免責聲明:本文為轉載文章,轉載此文目的在于傳遞更多信息,版權歸原作者所有。本文所用視頻、圖片、文字如涉及作品版權問題,請聯系小編進行處理。
推薦閱讀:



