【導讀】低噪聲放大器是基站接收機中的關鍵器件之一;本文采用安捷倫公司的先進設計系統與A TF54143 ,通過對噪聲系數與輸入回波損耗的折中設計,進行共軛匹配,成功設計出低噪聲放大器。得到了最終的版圖并且對其進行測量,并經過高低溫與差異性測試,證明其完全能應用到實際產品中。
隨著移動通信的普及,移動通信設備商之間競爭也更加激烈;各大通信巨頭為了搶奪市場,不斷提高基站的性能,降低基站的價格;低噪聲放大器是基站接收機的第一級,看到低噪聲放大器位于接收機的最前端,因此對基站接收機來說,低噪聲放大器是十分關鍵的部件,它直接影響到整個接收鏈路的信噪比,對提高基站靈敏度有決定性影響。
安捷倫公司的A TF54143 是一種增強型偽高電子遷移率晶體管,不需要負柵極電壓,與耗盡型管相比較,可以簡化排版而且減少零件數,該晶體管最顯著的特點是低噪聲,并具有高增益、高線性度等特性,他特別適用于工作頻率范圍在450 MHz ~6 GHz 之間的蜂窩/ PCS/WCDMA基站、無線本地環路、固定無線接入和其他高性能應用中的第一階和第二階前端低噪聲放大器電路中。
1.1 晶體管模型低噪聲放大器
通常會在源極加電感來增加穩定性,穩定性設計對于任何放大器都是必需的,沒有設計成絕對穩定的放大器不能應用到產品中去的;影響低噪聲放大器穩定性的因素有很多,其中源極電感是其中之一。

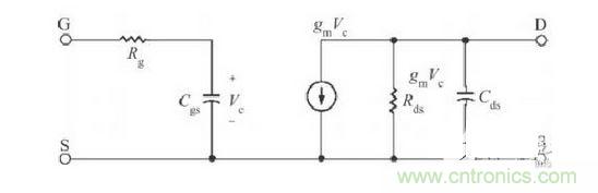
圖2未加源極電感的FET 等效原理圖

圖3 添加源極電感的FET 等效圖
加入源極電感不僅改善穩定性,也能改善輸入輸出匹配與噪聲系數,是設計低噪聲放大器非常重要的方法。
1.2 電路原理圖
根據原理圖,利用ADS 對電路進行S 參數仿真,為了提高仿真的準確性,電路元器件都采用了廠商提供的等效模型,同時將Rogers 的板材特性參數代入微帶線模型中。圖4 是用于ADS 的仿真原理圖。

圖4 仿真原理圖
通過ADS 仿真及最后的實際電路測試,我們發現該低噪聲放大器能夠較好的滿足設計要求。圖5是實際測試結果圖。圖中可以看出,實際測試數據與仿真結果比較一致。
低噪聲放大器是基站接收機中的關鍵器件之一; 本文采用安捷倫公司的先進設計系統與A TF54143 ,通過對噪聲系數與輸入回波損耗的折中設計,進行共軛匹配,成功設計出低噪聲放大器。其工作頻段的性能參數為:噪聲系數為0185 ,P1 dB約為16 dBm ,輸入回波損耗大于20 ,輸出回波損耗大于14 ,增益保持在18 dB 以上。得到了最終的版圖并且對其進行測量,并經過高低溫與差異性測試,證明其完全能應用到實際產品中,目前準備應用于杭州某通信公司的產品中。





