【導讀】電氣快速瞬變(EFT)脈沖的突發能量可能會耦合進附近的電通道,存在破壞電子系統中數字信號的風險,從而引起意外閉鎖或復位等故障。示波器可以用來捕獲、顯示和分析EFT事件,借助該功能,即使兩個EFT事件間隔時間很長,也能被捕獲。但許多電磁兼容(EMC)工程師并不了解示波器的這一功能及其可能帶來的好處。
你還可以檢測到由EFT事件造成的“矮”脈沖,并最終計算出一個EFT脈沖的能量。利用這些信息,就可以對設計進行修改以提高抗EFT干擾性能。EFT事件是在電流瞬時中斷的情況下發生的,會在觸點之間形成電弧放電,進而破壞電路和系統。電弧產生的電磁場會通過電纜、走線和連接器耦合進電路通道。引起EFT事件的常見原因包括繼電器觸點顫動、斷路器的打開和閉合、電感負載的切換以及設備斷電。電觸點之間氣隙的擊穿也常常會觸發EFT脈沖的快速爆發。
順序捕獲
若要捕獲一連串的快速脈沖(如EFT 脈沖) 或被長時間間隔的事件窄片( 比如EFT突發脈沖串),順序采集是一種理想的方法。在順序捕獲模式下, 示波器可以顯示由許多固定大小的分段組成的完整波形。通過設定想要的分段數目、最大的分段長度和可用的總內存,就能啟動順序采集功能了。這些參數決定了示波器可以捕獲的事件的實際數目。
順序時基模式對EFT分析有雙重好處,因為利用它可以精細捕獲具有很長時間間隔的復雜的事件序列,同時忽略事件之間的無用周期(長間隔時間)。你可以使用高精度的采集時基在事件之間對所選分段進行定時測量。圖1顯示了順序時基捕獲操作圖。

圖1:順序時基采集操作可以消除目標事件之間的“無用”時間
順序時基捕獲可以自動采集每個分段的時間戳,幫助確認EFT突發脈沖串事件的頻率。另外,順序時基模式使用先進的觸發技術來隔離稀有事件,用這種方式可以檢測錯誤的EFT 脈沖形狀。
圖2顯示了在順序捕獲模式下以分段的形式采集到的一系列EFT突發脈沖串。注意,順序捕獲過程消除了脈沖串之間的長間隔時間,只留下采集時需要的突發脈沖串波形。每個突發脈沖串都帶有時間戳信息,包括采集的日期和時間、序列開始的時間以及對應EFT突發脈沖串間隔時間的分段間隔時間。

圖2:順序捕獲模式使示波器可以顯示EFT突發脈沖串,這些突發脈沖串以帶時間戳的分段形式采集得到
作為對比,圖3顯示的是EFT脈沖,而不是作為分段采集的突發脈沖串。

圖3:示波器捕獲EFT脈沖,并通過時間戳將它們標記為分段
示波器其實可以捕獲成千上萬個脈沖。需要注意的是,順序脈沖串捕獲的時間標度是每格2ms(對應于20ms的時間捕獲窗口),而順序脈沖捕獲的時間標度是每格100ns(對應于1μs的時間捕獲窗口)。
EFT脈沖串捕獲模式下的分段間時間戳顯示突發脈沖串之間的間隔時間約為100ms,而EFT脈沖捕獲模式下的分段間時間戳則顯示脈沖之間的間隔時間約為100μs。兩種捕獲的時間標度相差1,000倍,突顯了單個EFT脈沖和EFT脈沖串的不同特性。
檢測EFT異常
判定一個設備是否具備抗EFT干擾能力需要使用發生器(圖4)來仿真快速EFT脈沖。為了確保EFT仿真器產生正確的脈沖形狀和突發脈沖串時序,必須用示波器進行測試。順序采集有助于找出潛在的問題,利用順序采集顯示模式可以檢測EFT異常( 圖5)。這個案例從序列中采集了一個脈沖幅度大約只有正常值一半的EFT脈沖。

圖4:用EFT發生器產生測試脈沖

圖5:由EFT引起的信號異常(左)也出現在瀑布圖(右)中
與正常高度的EFT脈沖相比,使用疊加顯示(左圖)和瀑布顯示(右圖)可以非常清楚地看到圖5中低矮的EFT脈沖。圖5中捕獲到的EFT脈沖異常的潛在根源可能是瞬態仿真器中的壞觸點造成脈沖達不到滿幅度。
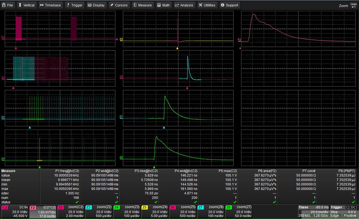
圖6顯示了在通道2上捕獲到的EFT突發脈沖串(左上格中的粉色)。從Z2到Z8的7次連續放大顯示了大圖片和EFT突發脈沖串的細節,每次放大都會顯示比上次更多的細節。這些放大圖中包含單個突發脈沖串的圖和突發脈沖串中單個脈沖的圖。使用多格顯示格式,每一條線跡在各自的顯示格內的情況都清晰可見。

圖6:參數測量可以計算突發脈沖串間隔時間和脈沖能量等
EFT事件的數值參數測量
至此我們主要討論了用于識別EFT脈沖質量問題的可視技術。數值參數測量同樣功能強大,可描述EFT事件的特性并對EFT事件進行調試。
圖5使用了8個測量參數,每個參數可讓你進一步了解所采集的EFT突發脈沖串和脈沖。測量可以限制在一個特定的區域, 測量參數P1 描述了單個突發脈沖串中脈沖的頻率。其它測量參數可以根據不同的興趣獨立配置。在測量表(圖5的左下方)中,參數P1顯示EFT頻率大約為10kHz。
一個突發脈沖串的結束和另一個突發脈沖串的開始之間的脈沖邊沿可以看成是一個負向脈沖,因此可以使用寬度測量參數自動測量突發脈沖串之間的空閑時間。參數P2 使用負極性脈沖寬度測量值來確定脈沖串間隔時間。
注意,P 4使用的是另一個脈沖寬度測量參數,它選擇的是正極性脈沖,因此測量的是脈沖寬度而不是突發脈沖串間隔時間。也因為此,P4的脈沖寬度測量結果(EFT脈沖寬度)在150ns數量級,而P2的脈沖寬度測量結果(EFT間隙時間)大約是90ms,它們在量級上有顯著差異。
數學運算符F2(右上格里的粉色)是通道C2的平方,因此輸出的單位可以是V。單位為焦耳的能量是用數學鏈和測量運算符F2、P6、P7和P8計算出來的。
以P6開始,將面積參數運用到平方函數F 2中得到曲線下方的面積; 接著,在參數P7中設定50 Ω這個測量常數; 最后, 用P8 中的比例運算符除以P6/P7可以得到以微焦為單位的能量。
總結
順序波形的采集不僅可以簡化EFT事件的捕獲,還有助于觀察脈沖的異常和變化。當熟悉的測量參數以新的方式( 比如用負脈沖寬度確定EFT脈沖串時間) 與數學運算符和測量參數( 比如計算能量)一起使用時,可以充分有效地檢測和分析電氣快速瞬變脈沖的特征。
本文來源于電子技術設計。
推薦閱讀:




