【導讀】飲料生產、制藥廠、廢水處理廠等多個行業都依靠水質監測系統對重要水質指標進行測量和控制。定義水的物理、化學和生物學特性的參數可作為水質指標。例如:
● 物理:溫度和濁度
● 化學:pH值、氧化還原電位(ORP)、電導率和溶解氧
● 生物學:藻類和細菌
本文重點討論歷來不可或缺但不可靠而造成實施負擔的化學測量參數。電化學是化學的一個分支,通過測量電子從一種反應物到另一種反應物的轉移來表征還原-氧化反應的行為。電化學技術可以直接或間接用于檢測和測量上述水質指標。電化學測量系統主要由兩個模塊組成:
● 傳感器:一種用于測量水質指標并產生相應電信號的器件。
● 測量和處理單元:測量和處理電信號的電路。
通常整個加工廠中部署單獨的有線傳感器?,F場傳感器需要經常清洗、校準和更換。無線網絡可減少一些這樣的負擔,但通常被認為不夠可靠,不能部署在這些應用的惡劣環境中。
隨著科技的發展,現在采用新的測量和網絡技術可以實現高可靠性無線傳感網絡。本文介紹一款演示平臺,它將ADuCM355 的通用傳感器接口功能與ADI公司的SmartMesh®IP 技術線狀可靠性相結合,構成穩健的低功耗無線水質監測系統,專用于水質指標pH值測量。將該原理輕松擴展到其他電化學參數,可以針對每個無線傳感節點形成一系列水質測量。

圖1.典型電化學測量系統。
pH值測量和pH探針
pH值是衡量水溶液中氫離子和氫氧化物離子相對量的一項指標。中性溶液指氫離子濃度正好等于氫氧化物離子濃度的溶液。pH值是表示氫離子濃度、衡量溶液酸堿度的另一種方式,定義如下:
其中H+是氫離子濃度(單位:摩爾/升)。
溶液的pH值為0至14,中性溶液的pH值為7,酸性溶液的pH值小于7,堿性溶液的pH值大于7。
pH探針是由玻璃電極和參考電極組成的電化學傳感器。

圖2. pH探針
將pH探針插入溶液中時,測量電極會產生一個電壓,該電壓取決于溶液的氫離子活性,然后該電壓與內部參比電極的電位進行比較。測量電極和參比電極之間的電位差就是測得的電位,用能斯特方程表示為:
其中:
E是電極電壓,活性未知 a = ±30 mV,零點容差
T為環境溫度(°C)
n = 1 at 25°C, valence (number of charges on ion) F = 96485 coulombs/mol, Faraday constant
n = 1(25°C),價(離子上的電荷數)F = 96485庫侖/摩爾,法拉第常數
R = 8.314伏特-庫侖/°K摩爾,理想氣體常數
pH = 未知溶液的氫離子濃度
pHISO = 參比電解質的氫離子濃度;請參閱探頭文檔;典型pHISO = 7
此方程表明產生的電壓以已知方式隨pH值變化。還表明產生的電壓與溶液溫度成正比。隨著溶液溫度上升,兩個電極之間的電位差增大,反之亦然。理想的pH探針在25°C下會產生±59.154 mV/pH單位。
溫度變化也可能改變測量電極的靈敏度,進而引起測量誤差。該誤差是可預測的,并且可通過全溫度范圍內的探針校準和后續測量期間的溫度校正來解決。溫度傳感器通常集成到pH探針中。溫度傳感器可以是負溫度系數(NTC)熱敏電阻或RTD,如PT100或PT1000。圖3所示為帶有溫度傳感器的pH探針。

圖3.帶有溫度傳感器的pH探針。
如果溫度傳感器測量到溫度變化,則會向最終的pH讀數應用校正系數,然后儀表將顯示校正后的更準確的讀數。該機制能夠很好地補償由于溫度變化引起的pH值誤差。
采用ADuCM355的pH測量單元

圖4.集成溫度傳感器連接到ADuCM355的pH探針。
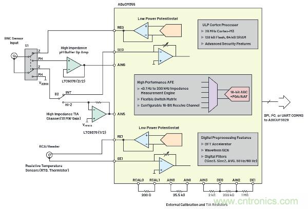
這是業界高度集成的先進化學傳感器測量前端,它為pH值測量提供了一個平臺解決方案,并且將所有必要的測量功能與低功耗微處理器相集成。ADuCM355是一款低功耗測量平臺,尺寸很小,足以集成在傳感器外殼內,而功能和性能堪比臺式儀器。圖4顯示了ADuCM355的pH值測量板,其中的BNC和RCA連接器用于連接pH探針和溫度傳感器。該測量板來自CN-0428 參考設計,更多相關詳情見圖5。

圖5.具有BNC和RCA連接器的ADuCM355 pH值測量PCB。
將pH值測量傳感器節點連接到SmartMesh
通過將ADuCM355和ADI SmartMesh收發器相結合,我們創建了一個小型低功耗pH值測量傳感器節點。ADuCM355將測得的pH數據作為數字輸出。然后,該數字數據通過UART連接到ADI的LTP5902 SmartMesh IP無線收發器。 LTP5902 通過SmartMesh網絡將數字數據傳輸至SmartMesh IP管理器。

圖6.PH傳感器連接到ADuCM355和SmartMesh無線傳感器節點。
SmartMesh是ADI基于IEEE 802.15.4e標準的專有2.4 GHz多跳無線Mesh網絡解決方案。其包括AES 128加密和身份驗證,從而提供可靠的端到端安全性。它具有超低功耗和高能效,使每個傳感器節點都可以通過電池供電運行。
SmartMesh網絡使用時隙信道跳頻(TSCH)鏈路層進行通信,該鏈路層可提供三重播放冗余。SmartMesh網絡管理器(網關的一部分)全天候協調計劃,管理安全性,執行無線編程(OTAP),并自動優化連接。該網絡管理器還通過API提供詳細的網絡運行狀況報告。對于小型網絡,一個嵌入式管理器可支持多達100個傳感器節點(也稱為終端)。而VManager支持多達50,000個節點的大型安裝。

圖7.傳感器節點和網絡IP管理器在網關內的SmartMesh網絡。
嚴格的網絡壓力測試可確保99.999%以上的數據可靠性,使SmartMesh成為工業無線傳感器網絡的理想解決方案,能夠保持高網絡可靠性,同時不丟包。
無線水質監測系統:

圖8.使用ADuCM355和SmartMesh的無線水質監測系統。
圖8所示的無線水質網絡演示包含:
● 四個傳感器節點:
■每個傳感器節點都包含一個現成的玻璃電極pH探針,并且集成溫度傳感器連接到ADuCM355和SmartMesh IP終端,如圖6所示。
■pH探針檢測pH值,ADuCM355執行測量和計算,并以數字輸出提供測得的pH值,然后通過無線SmartMesh網絡傳輸至SmartMesh IP管理器。
■SmartMesh IP管理器通過USB連接到PC。
● 此系統中的網關由PC執行。該PC安裝了Node-Red和SmartMesh SDK。 SmartMesh SDK用于創建JavaScript object notation (JSON)服務器以存儲該數據,JSON服務器連接到Node-RED。Node-RED用于顯示從每個傳感器節點測得的pH數據,并允許連接到IBM Watson、Amazon AWS等云服務。
硬件設置

圖9.無線水質網絡。
出于演示目的,我們使用的是錯列三格魚缸,水從頂格流到后面每格。每格中都插入一個pH傳感器探針。我們在遠處參考溶液中放置了第四個探針(圖9未顯示),以表示SmartMesh遠程無線通信。當我們改變頂格中溶液的pH值時,Node-RED上的數據隨之更新,顯示新的pH值。由于新的pH溶液從頂格流到后面每格,其他兩個pH傳感器也會更新其測量值,屏幕上顯示其數據。由于第四個傳感器位于pH值沒有變化的參考溶液中,因此該傳感器的讀數不變。以下各節提供了有關Node-RED和測得數據的更多信息。您也可以在此處查看演示記錄。

圖10.傳感器節點。
測量數據:
4個傳感器節點的pH測量值通過Node-RED顯示在PC上。
Node-RED是一個具有Web瀏覽器的編程工具,允許連接硬件設備、API和其他在線服務。演示的JSON流如圖11所示。

圖11.JSON流。

圖12.無線水質演示儀表板。

圖13. IBM Watson上顯示的pH測量數據。

圖14. pH測量數據推文。
結論
本文介紹使用ADI的ADuCM355和SmartMesh IP技術的無線水質監測系統。這些產品具有小尺寸和低功耗特性,因此傳感器節點可以由電池供電。即使在惡劣的外部環境中,采用穩健的SmartMesh技術也能可靠地傳輸數據。該演示說明了一個高度可靠的無線監測系統以及云連接。對于不同的最終應用,都極具應用前景,利用該技術,不僅能夠在難以接近的位置監測水質,為不同的水質閾值創建警報和警告,還能夠利用測量數據持續獲得更多可靠的水質信息。
參考文獻
● CN-0398:帶溫度補償功能的土壤濕度和pH值測量系統。ADI公司,2020年1月。
● CN-0409:低至高水平水濁度測量系統。ADI公司,2020年1月。
● IBM Watson物聯網平臺。IBM Corporation,2019年。
● Kämmerer, Christoph。液體測量——從水到血液。ADI公司,2019年10月。
● Node-RED:事件驅動型應用的低代碼編程。Node-RED,2020年1月。
● Tzscheetzsch, Thomas。“帶有溫度補償功能的隔離式pH監測儀。”ADI公司,2019年7月。
● 水質。Fondriest Environmental, Inc.,2020年1月。
● @Pd2019S。“傳感器4的pH值為6.877,時間戳2019-11-06 18:13:55.593000。”
● Twitter,2019年11月,下午6:13。
致謝
在此感謝Scott Hunt和Bill Lindsay在演示開發期間提供的幫助,以及撥冗審閱本文。同時感謝Dan Braunworth和Dan Burton幫助審閱和校對本文,并提出了寶貴的意見和建議。
作者簡介
Piyu Dhaker是ADI公司北美中心應用部的一名應用工程師。2007年畢業于圣何塞大學,獲電氣工程碩士學位。2017年6月加入北美核心應用部門。她還曾在ADI的汽車動力總成部和電源管理部工作。聯系方式:piyu.dhaker@analog.com。
推薦閱讀:




