【導讀】LTC®3623 是一款高效率、單片式同步降壓型穩壓器,能夠從 4V 至 15V 的輸入電壓范圍提供或吸收高達 5A 連續輸出電流。其緊湊的 3mm x 5mm QFN 封裝內置了豐富的功能特性,包括低 EMI Silent Switcher® 架構、輸出電壓電纜壓降補償和單電阻器輸出電壓設置。
設計要點 DN560: 引言
LTC®3623 是一款高效率、單片式同步降壓型穩壓器,能夠從 4V 至 15V 的輸入電壓范圍提供或吸收高達 5A 連續輸出電流。其緊湊的 3mm x 5mm QFN 封裝內置了豐富的功能特性,包括低 EMI Silent Switcher® 架構、輸出電壓電纜壓降補償和單電阻器輸出電壓設置。恒定頻率 / 受控導通時間架構可快速地響應電壓和負載瞬變,即使在低占空比、高頻應用中也不例外。該器件提供了一個 400kHz 至 4MHz 的工作頻率范圍,并擁有多種任選的保護和監視功能,從而可實現緊湊的堅固型解決方案。VIN 調節、不連續 / 連續模式和停機期間小于 1μA 的電源電流使這款穩壓器適合廣泛的電源應用。
采用單個電阻以設定該器件的內部基準電壓。可調的內部基準電壓負責設定輸出電壓,并允許輸出電壓執行軌至軌操作 (從 0V 至 VIN)。基準電壓可作為一個音頻驅動器直接地驅動,或配置作為一個 TEC 驅動器工作。該穩壓器能夠提供或吸收 5A 的輸出電流,因而可在任一方向上快速變動輸出電壓。輸出電流監視信號可用于提高基準電壓,以補償由電纜電阻引起的輸出電壓下降。
3.3V 輸出、1MHz 降壓型穩壓器
圖 1 示出了一款高效率 12V 輸入至 3.3V 輸出應用的完整原理圖。在緊湊的封裝中包含了一個 30mΩ 低 RDS(ON) 同步下管開關和一個 60mΩ RDS(ON) 同步上管開關,用于實現高效率和盡量減少熱問題。圖 2 示出了連續和不連續導通模式的效率和功率損耗。不連續導通模式顯著地改善了輕負載效率,同時輕微增加了輸出電壓紋波。圖 3 示出了僅采用 330μF 輸出電容時的負載階躍響應。

圖 1:具可編程基準的高效率 12V 至 3.3V 1MHz 降壓型穩壓器
圖 2:圖 1 所示應用電路在 CCM 和 DCM 模式中的效率和功率損耗
圖 3:圖 1 原理圖所示電路的 0A 至 5A 負載階躍響應
兩相設計增加了輸出電流能力
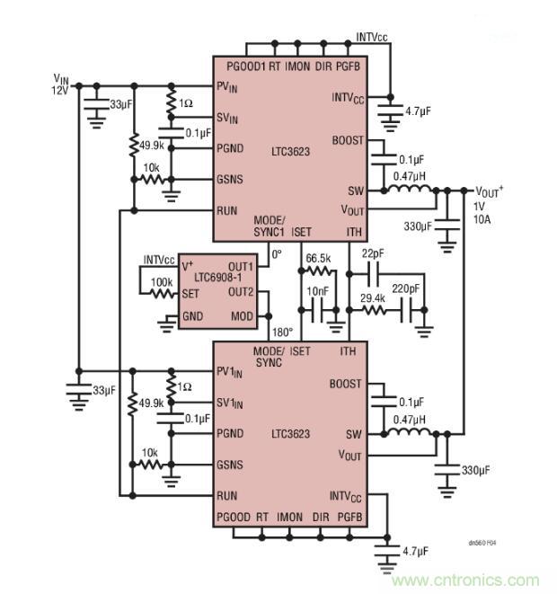
圖 4 示出了一款完整的 1MHz 12V 輸入至 1V 輸出兩相電路原理圖,該電路能夠提供或吸收高達 10A 的電流。由 LTC6908-1 振蕩器實現相位的同步 (具有 180°交錯) 以降低輸出電壓紋波。圖 5 示出了整個系統的效率和功率損耗。LTC3623 封裝的低熱阻采用 PCB 以散熱。圖 6 示出了熱像圖。從圖 5 我們可以看到,每相在 10A 輸出電流下耗散 1.8W,在沒有氣流的情況下,這使芯片溫度從 25°C 的環境溫度上升至 63°C。

圖 4 :12V 至 1V/±10A 兩相降壓型轉換器

圖 5:圖 4 所示應用電路的效率和功率損耗

圖 6:在 0LFM 氣流和 25°C 環境溫度下,圖 4 所示電路的主控穩壓器相位在 10A 電流下的熱像圖 (38°C 溫升)
結論
LTC3623 降壓型穩壓器可實現緊湊型 POL 解決方案,其在無明顯熱緩解的情況下能提供或吸收 5A 電流。供電能力可容易地通過并聯器件進行擴展,這種做法具有其他的好處,例如:散播熱量和減小輸出紋波。LTC3623 的低熱阻抗和高效能力最大限度地減少了散熱問題。LTC3623 豐富的可編程特性集可滿足眾多應用的要求。
免責聲明:本文為轉載文章,轉載此文目的在于傳遞更多信息,版權歸原作者所有。本文所用視頻、圖片、文字如涉及作品版權問題,請電話或者郵箱聯系小編進行侵刪。




