【導讀】實時時鐘(RTC)從來都不是系統中引人注目的組件。確實,許多工程師不理解為什么需要RTC。他們可能會認為這是一種非常簡單的組件,只能記錄時間。另外,當今大多數微控制器都具有內置的RTC。
實時時鐘(RTC)從來都不是系統中引人注目的組件。確實,許多工程師不理解為什么需要RTC。他們可能會認為這是一種非常簡單的組件,只能記錄時間。另外,當今大多數微控制器都具有內置的RTC。
那么,為什么系統工程師會花更多的錢并愿意為RTC浪費更多的PCB空間?為什么獨立的RTC不再過時?本文將重點介紹RTC在不同應用中的重要性,并概述關鍵的RTC規范和相關的設計挑戰。
過去,在互聯網普及之前,高精度RTC對于無數應用(例如個人計算機,電子表,便攜式攝像機和車輛)至關重要。即使關閉主電源,RTC也會跟蹤時間。如果沒有RTC,則用戶每次打開設備時都需要設置時間和日期。
當今的電子設備可以訪問互聯網或GPS。連接設備后,就可以輕松獲取最準確的時間。對于那些擁有持續不斷的互聯網連接的設備來說,高精度的RTC確實是不必要的,但是這種好處是以高功耗為代價的。
為什么現在還需要RTC
在過去的十年中,隨著各種自動化應用的興起,如今數十億設備已啟用互聯網。安全攝像機,照明燈,娛樂系統和設備等日常物品現在可以連接到互聯網。這些設備是物聯網(IoT)潮流的一部分。但是,雖然電池供電的物聯網設備正在推動大量的物聯網市場增長,但持續連接到電源的設備也是物聯網的一大部分。
那么,RTC時代結束了嗎?并不是的。越來越多的RTC實際上被用于許多自動化和物聯網應用中。許多遠程物聯網傳感器(如氣象站)大多由電池供電,并按照預設的時間表進行測量或完成任務。這些設備無法持續啟用無線收發器,因為這將很快耗盡電量。
確實,工程師在技術上花了很多心思來延長電池壽命。在大多數情況下,這些電池供電的設備(包括微控制器)都在深度睡眠模式下運行,以最大程度地減少無任務執行時的損耗。這些應用程序受益于極低的RTC,可以不時地喚醒系統以執行分配的任務。
盡管微控制器通常具有內置的RTC,但計時電流通常以mA為單位。而獨立的RTC在運行時僅消耗nA的電流。比如某款RTC,在計時模式下僅消耗150 nA電流,并提供兩個警報設置和兩個可用于喚醒系統的中斷引腳。
不要小看幾mA和150 nA之間的差異。在設計IoT應用程序以延長電池壽命時,每mA的電流都很重要。除了物聯網應用之外,許多醫療設備還需要納米功率級RTC。例如可穿戴式ECG設備,助聽器和醫用標簽。
大多數電池供電設備在設計上都非常小,便于攜帶或易于安裝。由于獨立的RTC在微控制器的外部,因此首選具有較小封裝的RTC。更好的是,如果電路板空間有限,工程師可以選擇帶有集成諧振器的RTC。當前,業界最小的集成諧振器的RTC采用2.1×2.3 mm 8引腳WLP封裝。
除了低功耗和小封裝尺寸外,某些應用還要求在寬溫度范圍內具有較高的計時精度。例如,對于現場安裝的傳感器,這是一個重要的考慮因素,在該傳感器中,一天中的溫度可能波動很大。對于這些應用,更優選擇是具有溫度補償功能的RTC,這將在本系列文章的第2部分中進行討論。
帶有外部晶振的RTC
具有成本效益的RTC通常需要外部諧振器,而RTC最常用的諧振器是32.768 kHz石英晶體。為什么是32.768 kHz?首先,32768是2的冪函數。當該信號連接到15級觸發器時,輸出是精確的1 Hz信號。RTC使用此1 Hz信號來驅動計時邏輯。但是,為什么用32.768 kHz而不是131.072 kHz或1.024 kHz?為了回答這個問題,我們需要了解頻率和功耗之間的權衡。通常,電流消耗隨著晶體頻率的升高而增加。
而晶體的大小與頻率成反比,這意味著較低的頻率晶體在物理上更大,并且占用了更多的電路板空間。因此,選擇32.768 kHz作為功率和尺寸之間的最佳折衷方案。此外,人的聽覺范圍是20 Hz至20 kHz。如果頻率低于20 kHz,人們可以聽到晶體振動。32.768 kHz是2的整數次方第一個超過可聽范圍的頻率。
石英晶體在出廠時已校準,可以通過向音叉的尖端添加少量金以精確調節振動速度,從而在目標頻率下振蕩。在規定的電容器負載下,室溫下所得的時鐘精度通常在±20 ppm以內。 ppm單位是百萬分率的縮寫,是通常用于時鐘精度測量的單位。
假設環境溫度全年恒定為25°C,在這種情況下,±20 ppm的RTC,每年誤差最大可為10.5分鐘的精度為。計算如下:

計算出10.5分鐘的公式
如果溫度波動,累積誤差可能會增加。如果購買者愿意支付額外的費用,則供應商可以通過篩選過程提供精度更高的晶體。但是,無論這些晶體在室溫下有多精確,其頻率仍然會受到以下三個因素的影響:
溫度波動
帶負載電容器的頻率上拉
老化
溫度波動
水晶晶振的頻率是溫度的函數,可以用一個二階方程來近似:

晶振頻率的方程
其中f0是標稱頻率(32.768 kHz)T0是標準溫度(25°C)k是晶體的拋物線系數(典型值為0.04 ppm /攝氏度²)T是環境溫度
如頻率誤差與溫度的關系圖所示,隨著溫度偏離室溫(25°C),頻率變慢。

該圖顯示了溫度偏離室溫后頻率將變慢。資料來源:Maxim Integrated
為了保證最佳的精度性能,必須將環境溫度調節在25℃左右。許多室內電池供電的設備可以將此RTC與外部晶振解決方案配合使用,從而節省了成本并降低了功耗。
負載電容拉動
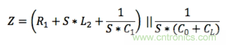
晶體的頻率會受到其負載電容器的影響。皮爾斯振蕩器是RTC內部最常用的晶體振蕩器電路。它通常由晶體,逆變器和負載電容器組成。

RTC內部裝有一個振蕩器電路。資料來源:Maxim Integrated
由晶體和負載電容器組成的等效電路如下圖所示。

基于晶體和負載電容器的等效電路。資料來源:Maxim Integrated
在所示的電路中,RCL串聯電路與C0和CL并聯諧振。振蕩頻率公式如下:

振蕩頻率方程
其中,R1,C1和L1是晶體參數,C0是晶體端子之間的電容,FL是具有總有效電容的振蕩頻率,CT是總有效電容,C1與(CL + C0)串聯
CT是整體有效電容方程

FS是晶體的串聯諧振頻率

由于C0 + CL遠大于C1,因此FL公式可以近似為

FL相對于CL的導數表示相對于負載電容,以Hz為單位的頻率變化。用串聯頻率除以計算每單位電容頻率的變化率。該公式顯示了各種負載電容值CL時的頻率靈敏度:

僅當CL接近指定的負載電容值時,該公式才是一個很好的近似值。如果負載電容器偏離規定值太多,則振蕩器可能無法正常工作,因為晶體和電容器無法產生180度相移回到輸入端。
為了降低成本和占用電路板空間,許多RTC都內置有工廠調整過的負載電容器。它們應與晶體的指定負載電容非常匹配。如果布局設計合理,則室溫下的頻率誤差應很小。從晶體到RTC焊盤的PCB走線會造成額外的雜散電容。在市場上的一種RTC中,根據評估套件的PCB布局,對負載電容器進行了修整,以提供最佳的時鐘精度。換句話說,評估套件中的雜散電容已作為CL的一部分包括在內。
老化
老化是指晶體的諧振頻率隨時間的變化。老化是由于晶體封裝內部的污染而導致的晶體質量隨時間的變化而引起的。 通常,晶體的頻率每年變化幾ppm,大多數變化發生在前兩年。
將晶體暴露在高溫環境中可以加快老化速度。不幸的是,除了不時校準晶體外,工程師對老化幾乎無能為力。某些RTC提供了老化補償寄存器,供用戶手動調整時鐘頻率。
帶有校準寄存器的RTC
對于在溫度穩定但平均溫度不是25℃的環境中運行的應用,可以使用帶有校準寄存器的RTC來校正。概念是從時鐘計數器中增加或減少計數,以加快或減慢時鐘速度。可以使用晶體供應商提供的晶體頻率公式來計算校正時間所需的計數。
系統設計人員也可以將這種RTC與外部溫度傳感器結合使用。基于溫度傳感器的輸出,微控制器可以定期調整計數值。但是,這種方法有許多缺點。
首先,額外的溫度傳感器會增加系統成本并占用更多的占板空間。其次,微控制器將需要定期調整校準寄存器,這將增加微控制器的開銷。第三,晶體頻率公式可能無法非常準確地反映晶體的實際溫度響應,因為每個晶體可能與其他晶體稍有不同,并且晶體頻率公式僅代表典型情況。對于高精度應用,此解決方案可能無法接受。
TCXO作為時鐘源
溫度補償晶體振蕩器(TCXO)在單個封裝中結合了振蕩晶體,溫度傳感器和數字邏輯。在整個工作溫度范圍內,其輸出頻率誤差非常低。只需將TCXO的輸出連接至晶振輸入或RTC的時鐘輸入即可驅動計時邏輯。該解決方案不需要微控制器來校正時間,但是它仍然具有占板空間,高成本和更高功耗的問題。
帶有集成TCXO的RTC
通過集成溫度傳感器,晶振,負載電容器和溫度補償電路,可以形成高精度的RTC。這種RTC的精度規格通常在工業級-40至85℃或汽車級-40至125℃的工作溫度范圍內約為5 ppm或更低。它節省了占板空間,電源和微控制器資源。
如前所述,除了溫度以外,RTC還需要了解晶體的溫度響應特性,以校正頻率誤差。可以從校準過程中獲取此信息。盡管晶體供應商提供了一個公式來計算典型頻率,但是每種晶體的特性可能略有不同。在室溫下,典型的晶體可能具有高達20 ppm的誤差。
每個RTC都應單獨校準,以實現最高的精度性能。因此,在校準過程中,會在多個不同的溫度點測量晶體的頻率。顯然,測量的校準點越多,測量數據與實際頻率——溫度特性曲線的匹配越好。
在校準期間,每次進行新測量之前,測試工程師都需要更改測試室的溫度或將晶片移至具有預設溫度的另一個測試室。晶圓溫度達到平衡后即可進行測量。由于這些原因,制造商并不想進行大量測量,因為這將大大增加測試時間并因此增加設備成本。
設計工程師經常使用插值方法,以有限的測量數據點重建頻率——溫度曲線。以設計人員考慮二階方程為例:

其中:f是頻率,t是溫度,a,b,c是系數
它足夠接近晶體的頻率——溫度曲線,可以滿足所需的精度指標,因此工程師只需在不同溫度點測量三個數據點即可解決這三個系數。對于任何種類的插值,在給定的數據點處的誤差都是最小的。當輸入參數距離給定數據點更遠時,計算將與實際曲線有更大的偏差。因此,應將測量溫度隔開。在這種情況下,選擇最低、最高溫度是一個合理的選擇。
現在,借助插值公式和溫度傳感器,RTC可以“確切地”知道實際振蕩器頻率與理想的32.768 kHz相差多少。但是RTC如何校正頻率?如上所述,使用校準寄存器是一種可能的方法,但很少在帶有集成晶體的RTC中實現。在上面提到的帶有外部諧振器部分的RTC中,有幾個因素會影響晶體的振蕩頻率。
其中之一是負載電容。通過操作負載電容器,溫度補償電路可以精確地增加或減少振蕩頻率。可變電容器的一個例子是一個簡單的電容器陣列,加上一組電容器并聯開關。
與RTC內部的所有其他組件相比,溫度傳感器消耗大量功率。傳感器打開的次數越多,RTC的平均總電流將越高。多久測量一次溫度并運行補償算法取決于操作環境的需求。一些RTC為用戶提供了設置適當溫度測量間隔的選項。
這是帶有集成TCXO和晶體的RTC的一個示例。DS3231SN具有一個精度指標,在-40℃至85℃的整個工作溫度范圍內最高支持3.5 ppm精度,而在0℃至40℃的范圍內誤差僅為2 ppm。下圖傳達了TCXO和典型晶體振蕩器之間的精度差異。

該圖顯示了時間和頻率與溫度的關系。DS3231SN與典型晶體振蕩器的比較,顯示了通過將RTC與集成的TCXO一起使用所獲得的精度增益。資源來源:Maxim Integrated
集成MEMS諧振器的RTC
集成了TCXO的RTC似乎是一個完美的解決方案。但是,它仍然存在一些缺點。集成了32.768 kHz晶體的RTC對于可穿戴設備或其他小尺寸應用而言體積太大。晶體供應商無法減小晶體的尺寸,因為頻率決定了晶體的尺寸。為了進一步減小尺寸,可以使用不同類型的諧振器,即帶有集成MEMS諧振器的RTC。
MEMS是一種非常小的機電設備,它會振動并產生高度穩定的參考頻率。與傳統水晶晶振相比,新一代MEMS對溫度變化的敏感度要低得多,它的質量比晶體小數千倍。而且,由于MEMS諧振器的重量輕得多,因此它對振動和機械沖擊具有更大的彈性。MEMS諧振器可安裝在IC裸片上,因此整體封裝尺寸幾乎可以與裸片尺寸一樣小。
MEMS諧振器通常比傳統晶體諧振器消耗更多的功率,設計人員可以通過最大化MEMS諧振器的阻抗來降低功耗,從而降低電流消耗。等效阻抗為:

當CL接近0時,阻抗最高,在這種情況下,諧振器在其并聯諧振頻率附近工作。它將減少電流和功耗,但是,因為沒有負載電容器,所以不需要調節溫度補償的振蕩頻率。
由于不能通過增加或減小負載電容的方法來改變振蕩器的輸出頻率,因此設計工程師需要采用另一種方法來調節頻率,然后再將其饋入RTC計時邏輯。一種解決方案是在振蕩器輸出和RTC計時時鐘輸入之間插入一個分數分頻器。
分數分頻器
從入門的數字設計類中,您可能會想起許多方法來實現可以除以任何正整數的時鐘分頻器。分數分頻器可以將時鐘除以任何分數。要了解分數除法器如何工作的高級概念,我們來看一個非常簡單的示例。假設輸入時鐘為100 Hz,目標是從該100 Hz參考時鐘獲得1 Hz輸出。我們可以將時鐘簡單地除以100。

一個簡單的時鐘分頻器無法產生0.999 Hz至1.009 Hz之間的精確輸出頻率。資源:Maxim Integrated
如果參考輸入時鐘從100 Hz略微更改為99.9 Hz怎么辦?我們如何從99.9 Hz產生1 Hz?我們知道,如果除數為100,輸出將變為0.999 Hz;即比1 Hz稍慢。如果除數為99,則輸出變為1.009 Hz,比1 Hz快一點。下圖顯示了100分頻和99分頻時鐘輸出信號的重疊,并且1 Hz時鐘的理想上升沿位于灰色區域內的某個位置。

該圖顯示了99分頻和100分頻輸出時鐘操作。資料來源:Maxim Integrated
簡單的時鐘分頻器不能產生0.999 Hz至1.009 Hz之間的精確輸出頻率。分數分頻器具有一個控制電路來調制除數,因此其輸出時鐘頻率可以在0.999 Hz和1.009 Hz之間切換。如果精心設計兩個分頻值之間的比率,則分頻器理論上可以隨時間產生0.999 Hz至1.009 Hz之間任何頻率的平均值。盡管每個時鐘周期都不是正確的1Hz,但平均輸出時鐘隨時間變化可以非常精確。
令x為0.999 Hz時鐘的出現次數,y為1.009 Hz時鐘的出現次數。要計算x與y出現的正確比率,可以用以下方式建立方程:
其中:x是100分頻時鐘周期的出現次數,y是99分頻時鐘周期的出現次數,TDiv_100是一個100分頻時鐘周期的周期(本例中TDiv_100 = 100 / 99.9 Hz),TDiv_99是一個99分頻時鐘周期的周期(在此示例中,TDiv_99 = 99 / 99.9 Hz),TTarget是一個目標平均時鐘周期的周期(在此示例中,TTarget = 1)

通過替換所有期間變量:x與y出現比例與變量的比率。使用該方程式,經過幾次代數運算后,x:y的計算比率為9:1。這意味著當分數分頻器的輸入時鐘為99.9 Hz時,對于每9個100分頻時鐘,插入1個99分頻時鐘。在總共10個時鐘周期內,平均頻率將恰好為1 Hz。此9:1模式將連續重復工作直到輸入頻率改變為止。如前所述,輸入頻率可以通過溫度——頻率轉換函數或從校準中獲得的查詢表來確定。
Maxim Integrated的MAX31343是業界最小的集成諧振器的RTC。它具有一個內置的溫度傳感器和用于溫度補償的分數分頻器,并且僅消耗970 nA的電流。它在小于5 ppm的工作溫度范圍內具有可靠的精度指標,使其適合各種應用,尤其是那些空間受限且需要高精度和魯棒性,并且需要承受機械振動和沖擊的嚴苛應用。
(來源:EEWORLD,編譯自EDN,作者Maxim Intergrated 核心產品部應用產品高級技術人員Gordon Lee)
免責聲明:本文為轉載文章,轉載此文目的在于傳遞更多信息,版權歸原作者所有。本文所用視頻、圖片、文字如涉及作品版權問題,請電話或者郵箱聯系小編進行侵刪。





