【導讀】交流感應電動機是最受歡迎的汽車用于消費和工業應用,并代表了工業革命背后的“肌肉”。這個“無火花”的概念汽車首次構想尼古拉特斯拉在19世紀晚期兩個定子階段組成的多相結構的正交關系。它已經被修改為更常見的三相結構,導致電機的電壓和電流平衡操作。電機沒有電刷/像刷直流電機換向器結構,消除了所有與引發相關的問題,如電噪音、刷磨損、高摩擦,可靠性差。沒有磁鐵轉子和定子結構進一步增強了可靠性,也很經濟的生產。在高功率應用程序(如500馬力和更高版本),交流感應電動機是汽車存在之一,97%或更高的效率評級。然而,在輕載條件下,正交磁化電流所需的轉子磁通代表著一個龐大的部分定子電流,導致降低效率和功率因數運行。
執行時最好與正弦電壓和電流驅動。其優點之一是令人難以置信的順利操作,他們可以提供低轉矩波動的結果。為了實現這一點,由開槽定子結構的繞組放置在槽正弦繞組分布,導致正弦流量分布的空隙。這個通量也鏈接轉子電路,它由銅或鋁棒兩端短路,并安裝在一個多層復合結構由軟鐵、或其他黑色金屬材料。在大多數情況下,電動機的效率可以增加通過減少轉子電阻。通量穿過這些導體,d-flux / dt整個轉子電壓的印象酒吧,導致轉子電流。換句話說,從定子轉子電路的電流感應電路;一樣,二次電流誘導標準變壓器的初級線圈。這個轉子電流產生的磁通,這與定子mmF產生轉矩。然而,為了實現這一目標d-flux / dt影響轉子,轉子不能以同樣的速度旋轉,旋轉的定子。因此,感應電動機分為異步電機。定子磁通矢量之間的不同轉速和轉子叫做滑動。隨著越來越多的電機軸的扭矩要求,滑動頻率增加。總之,電機的速度是一個函數的數量定子波蘭人,電機轉矩(因此感應電動機轉差率),和交流輸入電壓的頻率。
三相拓撲表示一個變速應用程序的理想選擇。三相逆變器常用圖表所示,在電機轉速可以通過控制不同的電壓和頻率應用波形(開環V /赫茲或標量控制)。此外,速度可以控制的包裝速度環在轉矩環將磁場定向控制(FOC)。前者可以很容易地實現經濟的設備如MSP430,但事實更適合一個強大的32位處理器如TI的C2000處理器。

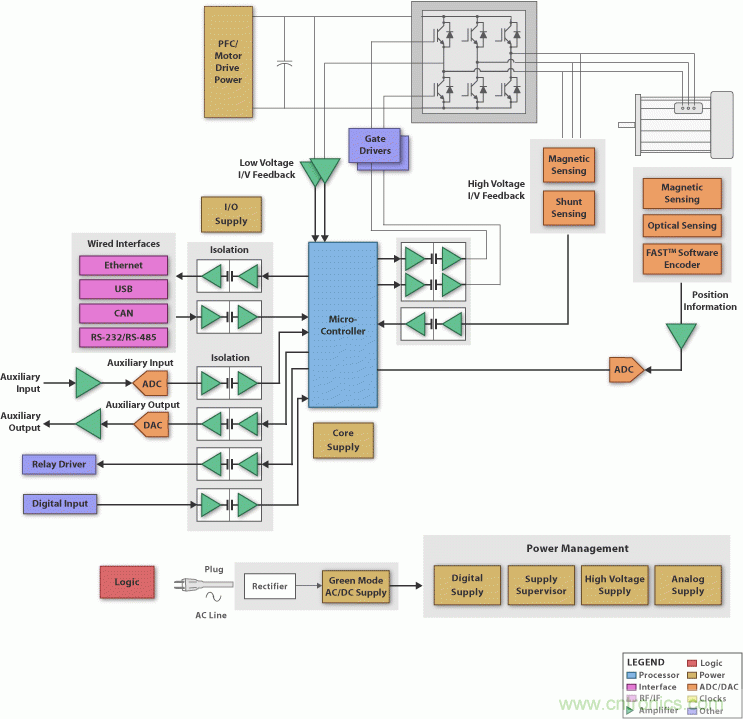
圖解:系統框圖
微控制器
C2000單片機設計理想的實時操作和高分辨率的脈寬調節器(pwm)精確地控制門的司機。12位,雙取樣保持的高速模數轉換器(adc)可以樣品任何傳感器輸入精度高。高性能pwm和adc的結合保證了低轉矩脈動和高效的電機控制。強大的C2000單片機核心架構支持數學算法的快速執行控制和矢量控制電機。
Stellaris單片機是基于廣泛使用的手臂皮質M3核心和所有motor-control-related外圍設備集成。Stellaris單片機有10位ADC和motor-control-specific PWM提供電機的高效控制。車載通信設備如USB、以太網使單片機作為網絡控制器能夠進行運動控制。
TMS570大力神安全單片機是基于廣泛使用的手臂皮質R4F構建核心和緩解的開發和認證安全關鍵系統。及和TMS570大力神安全單片機2 x 12位ADC。靈活的HET協同處理器提供motor-control-specific PWM提供電機的高效控制。車載通信設備如USB、以太網,可以使單片機作為網絡安全控制器進行運動控制。
隔離
TI數字光電隔離器邏輯輸入和輸出緩沖區由TI的二氧化硅(二氧化硅)隔離屏障,提供4 kV的隔離。與隔離電源一起使用,這些設備塊高電壓隔離,并防止噪聲電流進入當地的地面和干擾或破壞敏感電路。
接口/連接
傳統的模擬rs - 232 / rs - 485接口保持電機控制應用程序的流行選擇。展望未來,設計師正在整合主流,如以太網接口,USB接口,可以為他們的產品。TI致力于提供解決方案為傳統和新興工業接口。例如,TI最近介紹了ISO1050,世界上第一個孤立可以收發器。
電源管理
德州儀器提供電源管理IC解決方案從標準ICs高性能、插件,電源塊,數字功率場效應管和集成功率模塊。從AC / DC和DC / DC電源、線性監管者和non-isolated開關直流/直流監管者PMICs和權力并顯示解決方案,德州儀器電源管理IC解決方案可以幫助您完成您的項目。
相關閱讀:
國內現行軌道交通安全門系統驅動電機控制方案
電機控制——考官磁阻電機與有刷直流電機
能夠為交流電機控制提供簡單轉化的電機控制器
相關閱讀:
國內現行軌道交通安全門系統驅動電機控制方案
電機控制——考官磁阻電機與有刷直流電機
能夠為交流電機控制提供簡單轉化的電機控制器






