【導讀】福利到了,電子元件技術網的網友們,小編這里整理關于半橋高頻變壓器電路及波形,主要針對新手,適合作為參考資料供各位進行查閱,也可作為新手入門的指導。希望在閱讀過本篇文章之后能夠有所收獲。
半橋變壓器的工作原理其實與推挽式變壓器十分相似,只是在激勵方式和工作電源的接入方式上有所不同。本篇文章針對新手,給出了半橋
變換器當中的高頻變壓器的一些設計資料。

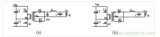
電路圖

主要波形

J:為變壓器原副邊導線的電流密度(A/mm2);
fs:為變換器的開關頻率;
K:為變壓器的窗口系數;
η 1:為變換器在低限滿載時的效率。
從面積積公式可知,副邊有續流二極管的變壓器,其拓撲系數小一些,如對于Dmax=0.45,KT(a)=0.57,KT(b)=0.58
本篇文章針對新手,適合作為參考資料供各位進行查閱,也可作為新手入門的指導。希望大家在閱讀過本篇文章之后能夠有所收獲。






