【導讀】電子電源中反激變壓器設計是很重要的,但是很多人并不是很整體的了解反激變壓器的設計流程,本篇文章小編就對反激變壓器的設計進行了較為詳細很有條理的的介紹,同時詳細給出了反激匝數比設計及雙路采樣設計的相關心得。
反激變壓器是在電子電源當中比較受歡迎的一種設計。很多新手都通過反激電源的制作來熟悉電源設計,目前網絡上關于反激變壓器的學習資料五花八門且比較零散,本文就將對反激變壓器的設計進行從頭到尾的梳理,將零散的知識進行整合,并配上相應的分析,幫助大家盡快掌握。
在本節當中,將介紹匝數比n、Dmax、UOR的設計技巧,其中包括選取原則和限制因素。

UOR、Dmax、n的設計方法
UOR的設置和輸出電壓有關
匝數比越大,漏感越大;高輸出電壓,匝數比較低,尖峰也會較小;
例如:5V輸出,匝數比可以分別取15、20、25(也就是UOR不同),不同的匝比實際獲得的漏感會大不相同,效率也會差別較大。
通用輸入,普通反激變換,600V的MOS管作限制:
3.3V輸出,UOR一般為60-75V,45V二極管;
5.0V輸出,UOR一般取70-80V,45~60V二極管;
12V輸出,UOR一般控制在80-120,100V二極管;
24V輸出,UOR一般可以取到100V以上,具體看漏感控制的效果;
上面是綜合考慮到各方面的因數后,折中的取值(經驗值),根據使用的磁芯不同,參數會稍有變化。當然,5V輸出也有很多人取100V左右,這是根據控制芯片及產品要求等而定,主要取決于實際情況,這里沒有絕對答案。
UOR的設置和輸入電壓有關,
原因很簡單,UOR決定了DMAX;
UOR(DMAX)計算的第一步,是確定輸入電壓,即如何準確確定HVDCmin。特別是CIN容量不足,或者是要求產品的工作溫度非常低時,需特別注意。很容易理解,如果最小直流電壓不準確的話,所有計算的結果幾乎沒有實際意義。
UOR的設置和磁芯漏感有關
匝數比越大,漏感越大,在低壓輸入及低成本設計時,需要非常小心。因為這兩種情況下,MOS可能不會擁有太大的電壓裕量可供調整。
低壓輸入時,要么是100VMOS,要么是200VMOS,一旦超出,很難彌補;低成本設計時,磁性元件(EE型磁芯)和半導體器件本來就爛,很難控制。
注:磁芯種類繁多,即使兩種類型的磁芯輸出功率可能一致,其表現出來的電氣性能差別很大,特別是氣隙和漏感的影響。不過采用合理的設計,可以在一定程度上削弱漏感尖峰電壓。采用特殊的工藝,可以降低(氣隙)邊緣磁通對繞組的影響。
UOR的設置跟磁芯的結構也有關系
這一點在反激變換中尤其明顯。如果磁芯無法選擇(更改),盡可能確保初次級平鋪一層。否則可能無法獲得滿意的氣隙和漏感控制。磁芯種類繁多,并非所有種類的磁芯都適合所有規格輸出。例如:
采用EE型磁芯,中心柱太短,如果初次級平鋪一層,UOR可能不會太高;
采用EER型磁芯,中心柱太長,如果初次級平鋪一層,UOR可能不會太低;
但這不是絕對的,因為初次級的漆包線可以采用多股繞制來確保平鋪,不過有些情況即使采用多股線也無法滿足要求。
UOR的設置跟磁芯損耗有關
UOR越高,磁感應強度越大,磁芯損耗會越大,在準諧振反激變壓器設計中需特別注意,否則磁芯損耗非常大,也比較容易飽和(但在普通的DCM、CCM變壓器設計中并不明顯)。
[page]
UOR的設置跟MOS、次邊二極管、電解電容有關
應該通過設置UOR及KRP來滿足半導體元件的有效電流、峰值電流、耐壓等,還有電解電容的紋波電流。因為設計常規的產品,功率半導體器件和輸出電容幾乎是“常量”。
UOR的設置和輸出電流有關
如果輸出電流很大,此時次級一般會控制在3-4T,顯然原邊也不會太高。否則過大的DMAX會給次級造成極大的電流應力,此時也需要將KRP跟UOR緊密聯系起來。
UOR的確定跟氣隙有關
一般把氣隙控制在0.2-0.8mm(中心柱),以減小邊緣磁通損耗,此時也需要將KRP跟UOR緊密聯系起來。UOR也應該跟擋墻的寬度有關(初次級隔離電壓),因為中心柱長度直接決定了單層NP的大小(IRMS可以算出來)。這很難理解,牽扯的變量太多了,可以一步一步去仔細分析、計算。如果自己繞變壓器繞的比較多的話,應該很容易明白。
原邊UOR的確定跟控制芯片有關
原因很簡單,UOR決定了DMAX;即區分電壓模式控制還是電流模式控制。
看了這么多,大家一定也有所感觸,其實UOR的取值是一個綜合的優化過程,這部分的內容就說到這里,下面額外講一些關于雙路采樣的小心得。
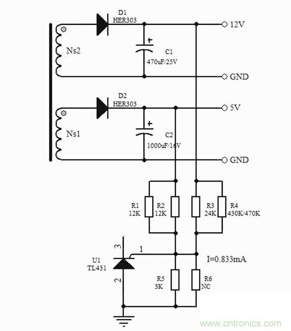
雙路采樣心得

假設VO1=5V2A,VO2=12V0.5A,要求負載調整率盡可能的高;
一些建議:
負載調整率與NP無直接關系;盡可能采用長寬比高的磁芯,此類磁芯耦合較佳;NS較高調整率會相對較好(滿足單層平鋪的情況下,耦合良好的原因);盡可能減小漏感(采用較大的LP、較小的氣隙、初次級平鋪、采用三明治繞法等等);盡量采用CCM模式設計,因為CCM模式下,LS/LP比值相對更小;調整率與R1-6之間的比率密切相關,建議每一路偏置電阻均采用串聯或者并聯的方法實現;調整率與D1、D2的VF密切相關(應該也包括速度,如肖特基、快恢復之分);
下偏置電阻計算
已知VREF=2.5V,假設R5=3K,R6=NC,總的偏置電流為:
I=2.5V/3K=0.833mA
注:R6用于微調輸出電壓,改變R6,則VO1、VO2會同步上升或者下降。
[page]
VO1上偏置電阻計算
已知VREF=2.5V,VO1=5V,總偏置電流等于0.833mA,則VO1的上偏置電流為:
0.833mA/2=0.417mA(反饋電流比例占50%)
Vo1的上偏置電阻為:
VO1-VREF/0.417mA=5V-2.5V/0.417mA=6K
設置R1=12K,R2=12K。
VO2上偏置電阻計算
已知VREF=2.5V,VO2=12V,總偏置電流等于0.833mA,則VO2的上偏置電流為:
0.833mA/2=0.417mA(反饋電流比例占50%)
Vo2的上偏置電阻為:
VO2-VREF/0.417mA=12V-2.5V/0.417mA=22.78K
設置R3=24K,R2=430-470K調整。
NS1匝數計算
已知VO1=5V,假設VF=0.5V,那么NS1兩端的電壓為5.5V;
假設NS1=5T,那么NS1每一匝的電壓為:
5.5V/5T=1.1V
簡易優化分析
當NS1=4T時,1.375V/T;
當NS1=5T時,1.100V/T;
當NS1=6T時,0.917V/T;
當NS1=7T時,0.786V/T;
從上述計算我們可以得知,NS值越大,每一匝的電壓越低。這意味著V/T越低,電壓計算值會越精確。最終選擇NS1=7T,即變壓器每一匝的電壓為0.786V/T;
NS2匝數計算
已知VO2=12V,假設VF=0.5V,那么NS2兩端的電壓必須為:
12V+VF=12.5-12.8V之間
取NS2=16T,則0.786V*16T=12.576V,減去VF值,VO2=12V左右。
偏置電阻計算出來了,NS1、NS2的匝數也計算出來了。接下來要處理唯一不確定的因數-----------二極管的VF值。
需要注意的是,規格書提供的VF值,在此處往往并沒有太多的參考價值,建議還是用實驗的方法來選擇。在滿足電壓、電流應力和封裝的條件下,需要盡可能的多準備一些不同類型、品牌的二極管。這會存在N種不同的組合,例如5V輸出,我們可以選45V、60V、100V的肖特基。12V輸出,可以選用100V的肖特基或者超快恢復二極管,必要時,200V的HER303都是有可能的。在變壓器設計良好的情況下,雙路的負載調整率應該僅僅取決于二極管的VF值是否精確匹配。
千萬不要隨便改變采樣電阻比率,以達到合適的電壓精度,否則會越調越復雜。另外,變壓器的匝數比計算和繞制工藝也非常關鍵。關于疊加繞組、非50%比率采樣,建議查閱相關資料。
本篇文章對反激變壓器的匝數設計進行了較為詳細的介紹,并給出了雙路采樣的相關心得。在下一節當中,將為大家帶來QR模式變壓器設計,也就是臨界模式的分析與計算。






