- LED亮度控制
- 白光LED和電池技術
- 背光照明驅動器的拓撲
- RGB-LED背光照明
- 鍵盤背光照明和其他裝飾燈光
如今,大部分便攜式設備尤其是移動電話中的鍵盤背光照明以及其他裝飾燈都傾向于采用個性的設計方式。然而,顯示屏的背光和鍵盤的背光在要求上是不同的,而且這分別會影響到相關LED的驅動方法。
現在大部分的便攜式電子產品,如移動電話、個人電子手帳、導航系統等,都擁有一個需要背光照明的小型LCD顯示屏作為用戶界面。人們用這些設備來觀看高分辨率的相片、影片和上網瀏覽的時間亦越來越長。這樣,人們對具備媒體存儲能力的高質亮顯示屏的需求變得越來越強烈,對背光LED和驅動器技術的挑戰也就越大。現今,雖然白光照明LED主導了市場,但新涌現的紅綠藍(RGB)背光可改良顯示屏上的色彩飽和度,因此前景無限。
LED和鋰離子電池的改變將會影響背光驅動電路的設計。并且,在便攜式設備上增加LED的數目會造成LED驅動設計上的挑戰。最常見的挑戰包括電源效率、控制界面/可編程能力、方案的大小尺寸、電磁干擾(EMI)和系統成本等。
亮度控制
背光照明LED的亮度控制可經由脈沖寬度調變(PWM)或恒流控制來實現。PWM亮度控制需動用一個恒流驅動器來驅動LED,但需要調節開/關時間才能達到所需的光度。因此PWM控制比直接的恒流控制更加復雜。
恒流控制的好處是沒有了連續的開關動作,因此進行亮度調校時,由LED色譜位移而引致的EMI較低。LED制造商將LED按照“群集電流”來分組,并確保LED的表現不會降低。當群集電流改變時,LED的亮度變化會多于設定的規格,因此肉眼能分辨出背光照明LED之間的不同亮度。當使用很低的電流時,上述情況尤其明顯。
如果使用PWM來控制亮度,那亮度調節便會在整個范圍內呈線性,而且被調節時不會產生顏色上的變化。不過,PWM的變換會產生電磁干擾和可聽得到的噪聲。該噪聲是由陶瓷電容器的壓電效應所產生。為了免除這可聽噪聲,PWM的頻率必須高至人耳收聽不到的水平,如20kHz。另外一個方法便是使用很低的頻率,令應用中的電容器和電路板不會產生共鳴,并保證不會產生出可聽到的“啪啪”聲(如250Hz)。通過減慢PWM控制的上升/下降沿可有助削減電磁干擾的強度。
背光照明驅動器的拓撲
驅動器拓撲可以分為并聯和串聯兩種。當每一個LED均需要做個別控制時,會使用并聯驅動。在背光照明的應用中,所有LED的亮度應該是一致的。但如果使用并聯驅動器,LED電流之間可能會出現輕微的失配。幸而,配合最新的驅動器后,這種電流失配就變得微不足道了。因為這些LED的典型亮度容差一般比輸出電流中的失配大很多。
當背光照明LED串聯在一起時,相同的電流會流通所有LED,使得LED電流間出現百分百的匹配。此外,采用串聯驅動后無須為每個LED進行個別的驅動器布線,所以PCB布線變得更容易。由于驅動器輸出的正向電壓已考慮到了數個LED,因此串聯驅動法比并聯驅動法稍勝一籌。串聯驅動需要高壓的升壓轉換器(如20V)來從鋰離子電池中提取足夠的電壓以驅動數個串聯LED。
驅動LED的最普遍方法是用低邊驅動器輸出,LED輸出腳可作為一個恒流下沉(constantcurrentsink)。在這情況下,LED輸出和電源電壓需要獨立的布線。如采用高邊驅動器輸出,那LED的輸出腳便成為電流源,同時只有LED接腳要布線,LED陰極則直接接地。通常,在PCB處都有一個接地面,因此無須進行獨立的布線。圖1所示為不同驅動方法。

圖1并聯高壓側和串聯低壓側驅動[page]
白光LED和電池技術
便攜式設備一般都用一枚鋰離子電池來工作,其電壓視所需的電荷介乎2.8~4.3V之間。白光LED正向電壓一般為3.5V,這是單一的鋰離子電池通常不能驅動的,因此需要采用升壓式DC/DC轉換器。轉換器可以是電容式(電荷泵)或電感式(磁力升壓)。由于電荷泵的體積較小,一般都會用在并聯LED驅動器上。至于磁力升壓轉換器,一般都會用于高壓的串聯驅動器內,原因是電荷泵技術所能達到的輸出電壓還不夠高。轉換器輸出電壓的調節可以通過LED正向電壓的感應來自動(適配性)履行,或者用戶可根據LED正向電壓的規格來設定一個恒壓。
未來,新型鋰離子電池和LED技術將會為LED驅動帶來新的挑戰。配合最新的化學成果,電池電壓的范圍將擴大到2.3~4.7V,而典型的白光LED正向電壓將會下降至2.9V。與此同時,輸出驅動器的飽和電壓都會隨著下降。當采用并聯驅動時,要高效地驅動一個2.9V的LED,就需要動用一個升降壓轉換器。圖2所示為由電池、驅動器和LED技術的進步所帶來的效果。

圖2電池和白光LED正向電壓的技術進展
RGBLED背光照明
一般而言,小型LCD顯示屏背光照明都是用一組白光LED來實現的。可是,使用白光LED的問題是其光譜對光復制并不是很理想。原因是白光LED其實就是在藍光LED面上加上一層黃色磷光劑。這樣便造成光譜有兩個波峰,一個在藍色而另一個在黃色。圖3給出一個典型的白光LED與RGBLED光譜比較。

圖3典型白光LED與RGBLED光譜的比較
LCD顯示屏會劃分為三個主色區格:紅、綠和藍,色彩是由這三種主色混合來定義。要把適合的顏色過濾到每一個色格,那便需要使用顏色過濾器。顏色過濾器會浪費大部分的光學能量,即使在過濾后也一樣,因此穿過LCD后的色譜并不理想。如此一來,采用白光LED背光照明可以在LCD屏面上產生出最多75%的NTSC(美國國家電視標準委員會)色彩(傳統LCD顯示屏上的紅色端邊處的限制尤甚)。然而,當使用RGBLED來做LCD顯示屏的背光照明時,色彩復制可以覆蓋100%的NTSC色彩,從而令到顏色更光亮、畫質更高。假如配合優化的顏色過濾器,那所浪費的能耗可比白光LED背光照明來得更少。圖4所示為一個LCD顯示屏的結構。

圖4LCD顯示屏的構造[page]
使用RGB背光時,當LED溫度改變時,驅動器必須更正紅、綠和藍三主色間的亮度平衡,以防出現白點位移。此外,還需保證驅動器在任何操作溫度下維持光的正確強度。而在補償方面,可以用閉環或開環形式。若使用閉環補償,便需采用感光器來測量白點和其強度。相反地,如使用開環補償,那溫度便需事先量度出來,并通過預先定義好的補償曲線來調節亮度的平衡。
美國國家半導體的LP5520就是RGB背光照明驅動器的一個例子,它是一個開環補償式LED驅動器。圖5所示為開環顏色補償的原理。其中,溫度補償曲線是用現實應用中的RGBLED來量度的,這些曲線被編程在芯片內部的EEPROM存儲器中。該芯片被集成到LCD顯示模塊上,而模塊的制造商會在生產時為補償曲線編程。此外,RGBLED背光亦可用作優化顏色過濾器。

圖5開環顏色補償的操作原理
鍵盤背光照明和其他裝飾燈光
與顯示屏背光照明比較,鍵盤背光照明擁有一些特別的要求。鍵盤背光照明所要求的顏色不一定需要白色,可以是其他任何顏色。時下,便攜式設備中的鍵盤照明和其他裝飾燈的設計趨向是產生更多的燈光效果。顯示屏的背光控制通常都是采用淡入/淡出的開/關方式,但裝飾燈的控制則比較復雜。通過采用RGBLED作鍵盤的背光照明,只要簡單地改變紅、綠和藍LED間的亮度平衡,便可改變顏色和設備的整個外觀。這樣,設計人員便可憑借軟件控制來為便攜式電話或其他便攜式設備加添獨特的個性。
對于一些復雜的照明次序,諸如不同顏色間的漸變,除了需有一個簡單的生效控制接腳外,還需用到一個比較精密的控制方法。在這方面,I2C控制總線便被廣泛應用到各式便攜式設備上,原因是它只需通過兩條電線便可為控制LED驅動器提供很大的靈活性。再者,LED控制不會應用I2C的所有頻寬,因為實時控制LED的亮度會產生出一定程度的I2C傳輸量。
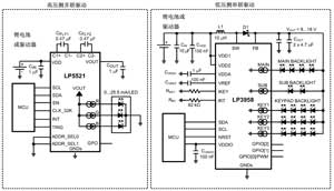
新LED驅動器,例如美國國家半導體的LP5521,可以通過加入內部存儲器和執行核心來為有次序的照明提供最低限度的實時控制。照明次序在通電后會寫入一個內部的存儲器,之后外部的觸發器接腳或I2C寫入會用來啟動這個照明次序。當照明次序在運行時,無須進行處理器的控制。例如當電話處于備用狀態時,應用處理器可以進入休眠模式,但LED仍可履行復雜的照明次序。這些次序可包括時延、上下走動、閃爍、回轉和觸發信號的收/發。
為了進一步減低功耗,最新的LED驅動器均擁有一個自動節能操作模式。其中的DC/DC轉換器只有鋰離子電池的電壓不足以提供給LED時才會被啟動。此外,當照明次序于內部運行時,驅動器還可在LED不活躍時關閉所有不需要的功能,此舉可顯著減低電流的平均消耗量。
配合微小的LED驅動器,可創制出分區化照明方案,也就是說將LED驅動器放到LED的附近。這樣,進行PCB布線就更容易,而且還可減輕電磁干擾的問題。針對分區方案的驅動器會設有外部的控制接腳,以用來同步化多個驅動器,從而造出有趣的燈光效果。
對于驅動背光照明LED而言,這里有幾種驅動器拓撲,具體選擇要視應用而定。毫無疑問,即將出現的全新鋰離子電池技術和更低正向電壓的白光LED必會為驅動器的設計帶來新的挑戰。
用做LCD顯示屏背光照明的RGBLED一般都會應用在高檔的便攜式電話或其他設備上,這些應用均要求高素質的畫面和顏色復制。此外,配合適當的驅動器、LED和顏色過濾器,采用RGB背光照明比白光LED更省電。
可編程性是時下最先進的鍵盤背光照明驅動器的一個主要功能,除了較易控制外,還能節省系統能耗。此外,可編程LED驅動器還可為個人化的便攜式電話創造出更多有趣的燈光效果。



