【導讀】電路的接線方式決定了電路正常工作所需的電壓和電流。下方兩條電路使用了五個LTST-C191KFKT的 LED。這是一個2V 20mA LED。如您所見,操作每種電路所需的電壓和電流之間存在顯著差異。

LED的接線方式——串聯,并聯和串并聯比較
電路的接線方式決定了電路正常工作所需的電壓和電流。下方兩條電路使用了五個LTST-C191KFKT的 LED。這是一個2V 20mA LED。如您所見,操作每種電路所需的電壓和電流之間存在顯著差異。

Lite-On的LTST-C191KFKT
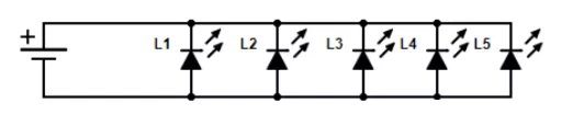
并聯
各并聯元件具有相同的電壓,但電流存在波動。*配圖有誤,請在文末點擊閱讀原文查看更新

電路總計2V@10mA
串聯
各串聯元件具有相同的電流,但電壓存在波動。

電路總計10V@20mA
串并聯
一般說來,大多數LED照明都使用串并聯組合。

電路總計10V@100mA
理想情況下,出于可靠性和照明連續性考慮,最好將一個LED燈條串聯至恒流驅動器。而較長的LED燈條通常無法使用串聯電路,因為驅動LED燈條需要非常高的電壓,而且如果LED燈條中的一個LED燒壞,那么整個燈條都將熄滅。但如果采用組合式串并聯接線,則只有燈條的一部分熄滅,剩余部分仍會發光。
請注意,當一個LED或多個LED燒壞、損壞或從采用組合恒流電路的LED燈條中斷路時,剩余的LED也可能會損壞,因為對于其余的LED而言,原總固定電流可能過高。這是恒壓驅動更易于使用且通常優先用于串并聯組合電路的另一個原因。
免責聲明:本文為轉載文章,轉載此文目的在于傳遞更多信息,版權歸原作者所有。本文所用視頻、圖片、文字如涉及作品版權問題,請電話或者郵箱聯系小編進行侵刪。
推薦閱讀:





