中心議題:
- 脈沖調制器的結構
- 開關器件的比較
- 固態調制器硬件組成
- 固態調制器仿真過程及結構
在雷達發射機脈沖調制器中,廣泛采用的是電真空管作為開關管。這種結構的脈沖調制器具有配套技術復雜、造價高、使用壽命短等缺點,尤其是其不適用于大功率、高重復頻率等工作場合的缺陷,使其已經遠遠不能滿足現代雷達的復雜信號處理的需求。
隨著電力電子技術的快速發展,新型功率開關器件IGBT(絕緣柵雙極晶體管)迅速占領了市場,滿足了人們把大功率、超高頻率開關元件實現固態化的期望,有著完全取代電真空管的趨勢。這也為在雷達發射機脈沖調制器中采用IGBT作為開關管以替代電真空管奠定了理論和實踐基礎。
1 脈沖調制器的結構
根據脈沖調制器的任務,它基本由下列3部分組成:電源部分、能量儲存部分、脈沖形成部分。其結構如圖1所示。

電源部分的作用是把初級電源(例如市電)變換成符合要求的直流電源。直流電源包括低壓電源和高壓電源兩種,低壓電源供給調制脈沖預處理電路使用,高壓電源供給調制脈沖形成電路使用。
能量儲存部分的作用是為了降低對于電源部分的高峰值功率要求。因為脈沖調制器是在短促的脈沖期間給射頻發生器提能量的,而在較長的脈沖間歇期間停止工作,因此為了有效地利用電源功率,可以采用儲能元件在脈沖間歇期間把電源送來的能量儲存起來,等到脈沖期間再把儲存的能量放出,交給射頻發生器。常用的儲能元件有電容器和人工線(或稱仿真線)。
脈沖形成部分是利用一個開關,控制儲能元件對負載(射頻發生器)放電,以提供電壓、功率、脈沖寬度及脈沖波形等都滿足要求的視頻脈沖。常用的開關元件有真空三、四極管、氫閘流管、半導體開關元件(可控硅元件)和具有非線性電感的磁開關等。
真空管的通斷可由柵極電壓控制,通斷利索,這種開關稱為剛性開關,對應的調制器稱為剛性調制器。氫閘流管、半導體開關元件和具有非線性電感的磁開關則只能控制其導通,而不能控制其關斷,這種開關元件稱為軟性開關,對應的調制器稱為軟性調制器。
2 開關器件的比較
對傳統的電真空器件(氫閘流管)和現代電力電子器件IGBT的電氣性能進行比較。
2.1 傳統電真空管器件
以真空三、四極管為調制開關的剛性調制器適應能力強,能適應各種波形、重復頻率的要求,但這也是以體積、重量、結構和成本為代價的。為彌補自身不足以適應各種工作需要,剛性調制器又分為多種類型,但都避免不了其功率小、效率低的缺陷。
以氫閘流管為開關元件的軟性調制器雖能克服剛性調制器的不足,但自身的缺陷也很突出,主要表現為:1)脈沖波形頂部抖動、后沿拖長;2)對負載阻抗的適應性差;3)對波形的適應性也差。
可見軟性調制器只能適應于精度要求不高、波形要求不嚴格的大功率雷達中。并且不管是剛性還是軟性調制器,其結構的復雜都使其可靠性降低,并且維修難度大。
2.2 現代電力電子器件
開關元件的固態化是發展的大趨勢,尤其是電力電子器件在由傳統型向現代型轉變以后,許多新興的器件迅速應用于這種電力轉換領域。上世紀九十年代才現身市場的絕緣柵雙極晶體管IGBT已成為現代電力電子器件發展的領頭軍,型號齊全,已經出現了由IGBT組成的功能完善的智能化功率模塊IPM。
IGBT:Insulated Gate Bipolar Transistor絕緣柵雙極晶體管是一種工作原理復雜的集成半導體器件。在結構上,集成了所有半導體器件的基本結構。如二極管、BJT、結型場效應管JFET、MOSFET、SCR。工藝上利用MOS工藝進行大面積功率集成,單元胞的體積越來越小,單元胞的數量越來越多。IGBT經過20年的發展,技術越來越成熟,功能越來越強大。從原來的平面柵型到溝槽型,又發展到非穿通型,直至現在的電場截至型.達到了6 000 V/600 A,通態壓降1.3 V,開關頻率達到納秒級。
IGBT在大量產品中的良好表現,證明其是一種良好的功率開關器件。其主要優點表現在開關頻率高、承載功率大、通態壓降低、du/dt和di/dt耐量高、動態性能高、反向恢復快等,這些性能特點使其特別適應于在高頻、大功率電路中出任開關器件的重任。
[page]
3 固態調制器硬件組成
對分別以氫閘流管和IGBT為中心所構成的兩種脈沖調制器的性能、構造、成本、可維性及可靠性進行比較。
3.1 真空管脈沖調制器
以氫閘流管ZQM1-350/14型為例,其參數為14 000 V/350 A,陶瓷外殼,需要12.6 V/6 A的燈絲電源。其關斷時,高壓電源經充電電感和變壓器的原邊給仿真線充電,氫閘流管接通時,仿真線經氫閘流管對變壓器原邊放電,在變壓器的副邊產生高壓脈沖去調制磁控管。氫閘流調制器的結構如圖2所示。

充氫閘流管是由陽極、陰極、柵極(控制柵,有的還具有預點火柵或分壓柵等)組成,將所有電極用絕緣外殼密封,利用低壓氫氣(氘氣)作為工作及滅弧絕緣介質,是離子開關管中的一個分支,將觸發脈沖(正極性)加到柵極,使陰-柵間隙產生輝光放電,放電擴展到陽柵間隙導致陽柵間隙擊穿導通,使外電路通過陽極-柵極-陰極放電,而輸出脈沖電流,是具有正啟動特性的脈沖電真空器件,具有工作電壓高,脈沖電流大,觸發電壓低,脈沖寬度窄,電流上升快,點火穩定等特點,廣泛應用于國防、醫療、高能激光、科學研究等領域或場合。
氫閘流管作為開關時,開關的接通是由控制柵極上施加正觸發脈沖來實現的。如果閘流管陽極具有足夠高的正向電壓,柵極一旦被觸發,陽極-陰極之間將迅速導通,柵極就失去了對放電的控制作用。只有陽極電壓降得很低,不足以維持放電電流時,閘流管才會截止。閘流管在放電結束后,要經過一段消電離時間,柵極才能恢復原來的控制功能。因此,閘流管脈沖調制器形成的脈沖波形頂部抖動、后沿拖長。
況且真空管調制器由于電子管的外圍電路有偏壓、簾柵、陽極等電源,這些電源是不可缺少且體積龐大的高壓電源。調制器導通時的管壓降較大,調制器效率較低。電子管極間電容的存在很難實現窄脈沖調制。另外由于電子管在真空度變差情況下可能會出現打火等現象,嚴重影響雷達發射機的可靠性。電子管陰極的壽命較短,也制約著電子管在調制器中的使用。
全固態調制器與電子管調制器相比具有效率高、體積小、重量輕、可靠性高、壽命長、維修費用低等優點。因此,研究固態調制器是一個極為重要的發展方向。
3.2 固態脈沖調制器
固態脈沖調制器就是以固態開關管IGBT替代電真空管的調制器。IGBT模塊采用10只IGBT串聯成網絡使用,單片機驅動模塊利用單片機形成統一的觸發脈沖,經驅動模塊M57962L同步觸發IGBT網絡。其結構如圖3所示。

該調制器采用充電電感,屬于直流諧振充電,其自然諧振周期為:
![]()
其中:C0是仿真線的靜電容
Tch等于調制器脈沖重復周期T0兩倍,即調制器的脈沖重復頻率是固定的。因此為了適應雷達工作于多種重復頻率的要求,可在充電電路中串入一只二極管,稱為充電二極管或保持二極管。這時只要充電電路的Tch值小于最小的脈沖重復周期就行了。
VD2和R1稱為過電壓保護電路,它的作用是防止仿真線上出現過高的電壓而損壞功率管。當仿真線向接近短路的負載放電時,其上的電壓會變成負極性,由于功率管不能反向導電,這個負極性的電壓不會消失,在下一個脈沖重復周期充電時,這個電壓與電源電壓的極性一致,所以仿真線將會充電到一個較高的電壓值。如果這時負載打火并未消失,那么這一過程將會繼續下去。在理論上可以證明,仿真線上的電壓將會達到電源電壓的6倍之多。當電路中接入VD2和R1之后,只要仿真線上出現負極性電壓,就可以通過VD2放掉,從而防止了仿真線上過電壓的產生。
[page]
R2C2稱為反肩峰電路。當仿真線向不匹配的負載放電會在脈沖的前沿引起顯著的肩峰。R2C2電路就是為了減小這種肩峰的,其電阻通常選擇和負載阻抗相等,而電容的大小可按電路時間常數與脈沖前沿時間大致相當來確定。
功率開關管IGBT采用高速型MG400Q1US41,其參數為1 200V/400A,其參數如圖4所示。工程中采用十管串聯的方法以適應高電壓的要求。驅動模塊采用M57962L,其參數為1 200 V/400 A。

十管串聯需要保證串聯的10個管子同時導通、同時截止,否則先導通或者后截止的管子就因為要承受高電壓而擊穿,進一步擊穿所有的管子,而形成調制器故障,造成不必要的損失。解決的辦法是用單片機產生一路觸發脈沖,同時觸發驅動模塊。因為驅動模塊具有較高的輸入阻抗,因此單片機的輸出電流足夠同時觸發驅動模塊。10個驅動模塊被同時觸發,因其延遲的一致性,會使單片機的觸發脈沖同時加到10個IGBT的柵極。
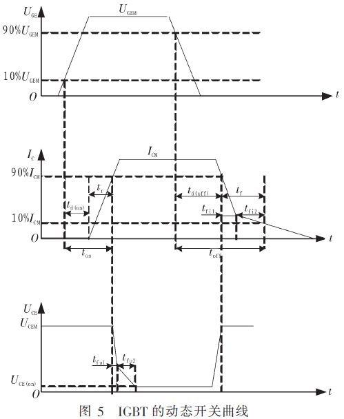
根據調制器的要求,由單片機輸出一定重復頻率的觸發脈沖經接口保護電路轉換后驅動IGBT的柵極。IGBT在柵極有驅動時接通,無驅動時關斷,實現了可控的開關功能。IGBT的動態開關曲線如圖5所示。
[page]
根據圖4所示IGBT參數可知,在VOC=600V、VGE=±15V、RG=2.4 Ω、TC=25℃、IC=400 A時,ton=0.25μs,toff=0.7μs。從圖5的UCE-t曲線圖看,IGBT的開關曲線比氫閘流管的開關曲線更好,更適合于作為脈沖調制器的開關管使用。

由于單片機的采用,就可以使調制器的保護采用軟件保護,這在減少調制器的體積與重量方面可以做出重大貢獻。
單個固態調制器的制造成本比氫閘流管調制器稍高,但是其使用壽命長,也就是說性價比高,況且在性能、構造、可維性及可靠性方面遠遠勝于氫閘流管調制器。
4 仿真過程及結果
仿真軟件使用流行的SIMNLINK。
設觸發脈沖周期為2 ms,脈沖寬度為2μs,如圖6中的第一示波器(圖的下部),仿真線前端的波形如圖6中的第二示波器(圖的上部)。由第二示波器可見,當觸發脈沖到來時,即IGBT網絡導通時,仿真線迅速放電,放電速率為5 000 V/6μs(即從滿電壓5 000 V至放電完成時間約為6μs),并且無反沖。當觸發脈沖過去時,即IGBT網絡斷開時,仿真線迅速充電,放電速率為5 000 V/3μs(即從充電開始至滿電壓5 000 V的時間約為3μs),并且無反沖。

由此可見,由IGBT網絡替代的脈沖開關,完全能滿足脈沖調制器的要求,其指標遠遠超過了氫閘流管脈沖調制器。
5 結論
器件固態化是系統發展的趨勢,固態脈沖調制器正是在這一趨勢的啟發下提出來的。所設計的固態脈沖調制器具有結構簡單、性價比高的特點,可以快速、方便地對現有雷達的脈沖調制器進行改裝。改裝成本低、周期短,具有很高的實用價值。



