中心議題:
- 開關電源設計要點解析
解決方案:
- 降低開關變壓器的損耗
開關電源某些參數做得不好會造成EMC難過關、待機功耗大、效率不高。如何減小開關電源的待機功耗、提高開關電源的效率是全球電源行業共同關注的問題。本文配圖講述綠色開關電源設計要點。
隨著現代科學技術的發展,器件的性能提高,特別是節能型電源芯片如雨后春筍般涌現,加上電路設計的成熟,要設計效率高、待機功耗小的節能型開關電源已是不太難的事情,設計節能型開關電源正是適應了節能減排的需求。近幾年來,美國“能源之星”的實施對設計和制造高性能的節能型開關電源起到了推波助瀾的作用。
符合“能源之星”的開關電源又叫“綠色開關電源”,針對開關電源的“能源之星”已經有了多個版本,隨著版本的升級,開關電源的效率越來越高,待機功耗越來越小,但設計難度也會越來越大。開關電源的效率一般在滿載輸出功率時測試,但CEC(美國加州)及“能源之星”規范中對設計的平均效率是在負載的四個測試點進行實際測量,這四個點是:25%,50%,75%及1 0 0%,設計是有一定難度的。
本人現在以圖一的電路圖為例,以美國加州能源之星法案(Ⅳ等級)Table U-2(2008年1月執行)為設計依據來闡述設計綠色開關電源的要點。美國加州能源之星法案(Ⅳ等級)Table U-2的要求如下:
注意1:表中Pn是外置型開關電源的標準輸出功率,Ln是自然對數。
注意2:美國加州“能源之星”是強制執行的,是美國加州地方法規。進入美國加州的商品開關電源必須遵守這一法規。我國不少廠商是按照美國加州“能源之星”法案來設計和生產綠色開關電源的。

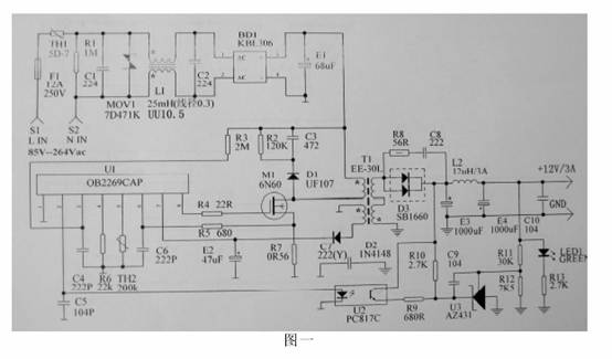
圖一所示是輸出為12V3A的并聯型反激式開關電源,作為14英寸至17英寸的液晶顯示器的電源適配器之用。
綠色開關電源的設計要點
綠色開關電源的主要內容是效率高,待機功耗小。36W的效率要求大于83%,待機功耗要小于0.5W。現在的電源芯片供應商提供的一般都是綠色電源芯片,待機功耗一般都會很小。但是,效率高除了與芯片有關外,還與其它器件有流+反向漏電流 Idss×反壓,用6N60加散熱器可滿足要求。
二次整流管工作在高頻脈沖狀態下,在12V3A輸出時,要求工作耐壓大于輸出電壓的4 倍,工作電流大于輸出電流的3倍,用耐壓60V,工作電流為16A的SB1660肖特基二極管可滿足要求,但一定要加散熱器。
電源芯片的功耗越小越好,因為它除了影響整機效率和待機功耗外,還涉及整機的工作穩定性,其功耗越大,溫升越高,工作越不穩定。如昂寶公司的綠色開關電源芯片 0B2269AP,其正常工作功耗小于30mW,工作穩定。
開關變壓器的損耗是整機損耗的大頭,它包括銅損和磁損。簡單復制人家的優質開關變壓器很難做成損耗小的開關變壓器的,因為開關變壓器的損耗是一個復雜的關系,與磁芯的品質、設計、繞制工藝等有關。拿設計反激式開關變壓器而言,它與工作頻率、導通時間、繞制方法、磁隙(磨磁芯)等有關。開關變壓器的設計是設計開關電源的核心,要有高深的理論知識和多年的經驗沉淀,優秀的開關電源設計工程師在選擇高品質的磁芯、結合先進的繞制工藝,能設計出效率高于97%的開關變壓器。圖一中的開關變壓器的磁芯選用浙江天通的EE-30L,開關工作頻率為65KHz,導通時間是0.42T(T是周期),初級78圈,次級8圈,芯片供電繞組9圈,初級電感量 1.2mH,漏感小于35uH,變壓器的效率可達96%,工作時溫升低于60℃。阻尼吸收網絡由R2、C3、D1組成,D1用UF4007,C3用 1000V4700PF的高壓瓷片電容器,R2為120K2W的電阻,R2與C3配合得好,脈沖吸收效果明顯,R2與C3失配太多,不但損耗加大,還會輻射電磁波而使EMC過不了關。經測試,該網絡的損耗小于0.4W。要注意,該網絡的設計是與電源芯片、工作頻率、變壓器的設計有關的,不能應用于所有開關電源的電路。
由于二次整流管在工作時會產生尖脈沖,在輸出中會疊加雜波,并且還會輻射電磁波而使EMC難過關,故要在二極管兩端并聯尖脈沖吸收網絡R8與C8,圖一中C8為22000PF100V的瓷片電容、R8為56歐姆0.5W的碳膜電阻,此吸收網絡也是有一定功耗的,C8越大R8 越小,損耗越大。
圖一尖脈沖吸收網絡的功率損耗小于0.25W。同樣要注意,吸收網絡的設計也與電源芯片、開關頻率、肖特基二極管的特性、變壓器的設計有關的。
阻波電感L2能使輸出紋波減小,一般是用漆包線在6毫米粗的磁棒上繞8到16圈。要注意,由于要通過大電流,故漆包線要粗,圈數不要太多,以免產生過大的壓降而增大損耗。圖一中的 L2的電感量為12uH,用粗0.8毫米的漆包線繞制,至于繞多少圈,要視磁棒的磁材料參數而定。
L2的設計與電源的工作頻率、輸出電流有關。特別提醒大家注意的是,DC輸出線(圖中未畫)一定要達到或超過3A,否則,由于通過的電流大,可能在DC輸出線上產生的功率損耗是最大的冤大頭。
DC輸出線在電源適配器中的價格比重較大,不少生產商會降低其載流量而減少成本,結果會使效率得不到保證。
本人按照圖一電路參數設計的反激式開關電源,在國內標準輸入電壓(220V50Hz正弦交流電)下,在輸出功率的25%測試時,輸出紋波為45mVpp,效率是83.4%;在輸出功率的50%測試時,輸出紋波為48mVpp,效率是83.8%;在輸出功率的7 5%測試時,輸出紋波為53mVpp,效率是84.5%;在滿載輸出功率測試時,輸出紋波為58mVpp,效率是84.8%。待機功耗小于0.4W。符合 CEC(美國加州)“能源之星”法案Table U-2(2008年1月執行)綠色開關的要求。
開關電源設計工程師要有深厚的理論功底和豐富的設計經驗以及注意設計細節等才能達到美國加州能源之星法案Ⅳ等級的設計要求。然而,符合“能源之星”的綠色開關電源不一定是優質電源,還要求其它參數符合,綠色開關電源只是在原來的開關電源參數上提高了有關能效的參數標準而已。
隨著人們低碳生活的需求,開關電源的能效要求會越來越高,開關電源的設計難度也會越來越大,這就要求開關電源設計工程師不斷更新知識,熟悉新材料,學習新技術,掌握新工藝,對技術精益求精,這樣才能設計出高品質的綠色開關電源。



