- 太陽能路燈控制器的主要設計要求和發展階段介紹
- 自適應單純太陽能供電路燈控制器的設計
- 自適應單純太陽能供電路燈控制器設計方案模擬
- MPPT電路介紹
- 過充過放保護介紹
- 智控開關,實時監測,預警功能介紹
- 亮度的自適應調節介紹
摘要:基于改善季節性負載光伏太陽能路燈運行可靠性的目的,采用新一代自適應單純太陽能供電路燈控制器設計的方法,通過功率調節,電量檢測和剩余電量計算、組網功能等對蓄電池的充、放電以及路燈的開、關、最大功率跟蹤等智能控制,提高了太陽能電池的轉換效率,延長了蓄電池的使用壽命,降低產品造價。得到了自適應單純太陽能供電路燈控制器是提高季節性負載光伏太陽能路系統可靠性保證的結論。
大陽能路燈以其無需鋪設電纜,不消耗常規能源等優點得到了廣泛認可。然而太陽能路燈還存在一些問題造成其成本偏高,可靠性不穩定,、比如電池往往不到一年就需要更換,不僅提高了后期維護的費用,而且增加了客戶的消費成本,也造成了資源浪費。其次是太陽能屬于不穩定能源,而且能量分布不均,夏天能量充足,但路燈使用時間短,冬天有效光照時間短,但路燈使用時間長,大大降低了運行的可靠性,其原因主要受到太陽能路燈控制器性能的影響。太陽能控制器是太陽能光伏系統中的核心部分,主要完成對蓄電池的充、放電、調光和路燈的開、美控制,以及在過充、過放電、過載等情況發生時對系統進行及時和有效地保護,保證照明時間,確保可靠性,有效延長電池壽命,降低成本。
1 太陽能路燈控制器的主要設計要求和發展階段
太陽能路燈控制器的技術和質量的主要要求有:
1)供電系統,根據太陽能路燈蓄電池板特性,要設計成恒流輸出:
2)過充,過放保護;
3)具有系統功率調節功能;
4)建立網絡控制系統;
5)根據市場要求,產品模塊化。
太陽能路燈控制器的發展到日前為止已經經歷了3個階段:第一代功能比較簡陋,開關燈控制需要外接光敏感應器,定時時間不可設置,沒有電池保護電路,系統壽命非常短暫,很快就被市場淘汰:第二代在第一代的基礎上,設置了電池保護電路,通過太陽能路燈蓄電池組件搜集光敏數據,通過開關或程序設置定時,技術上有了階躍式的發展,逐漸被市場接受:第三代路燈控制器在于多數商家采用了PWM充電控制功能,對蓄電池進行涓流充電,有效延長了電池壽命,降低了使用成本,從而進一步擴大市場占有率。
一個好的控制器可以彌補甚至解決純太陽能路燈的諸多問題,提高其呵靠性。白適應太陽能供電路燈需要開發第四代控制器,它的特點是具有白適應燈的功率調節功能,電量檢測和剩余電量計算是必備的:同時具有組網功能,這樣可以保持整條街的路燈亮度一致,并可以進行通訊。
2 自適應單純太陽能供電路燈控制器的設計
日前各種現代控制理論,如白適應控制、自學習控制、模糊邏輯控制、神經網絡控制等先進控制理論和算法也大量應用在光伏發電系統中。其中自適應控制太陽能供電路燈控制器設計是值得推進的技術。
2.1設計目標
白適應單純太陽能供電路燈的設計目標:主要針對支路和供行人和非機動車通行的居住區道路和人行道路燈,對于南風能供電或風光互補的路燈系統本設計同樣適合:由于太陽能的不可靠性以及主干道的照明設計標準的嚴格性,單純太陽能供電比市電供電的路燈控制器的設計更為復雜,如系統控制需要太陽能和市電切換,則在本設計的基礎上進行精簡就好了。目標地點位于北京市內。
2.2 自適應單純太陽能供電路燈控制器設計特點及功能
白適應單純太陽能供電路燈控制器設計方案的宗旨:通過精確控制,達到降低成本,提高可靠性的日的。主要具有以下幾個特點及功能(以太陽能路燈儲能器件為鉛酸電池為例):
1)MPPT電路
根據太陽能路燈蓄電池板的特性,如將太陽能路燈蓄電池陣列的輸出電壓控制在某個恒定電壓值附近,則太陽電池在整個工作過程中近似日標在最大功率點處,太陽能電池組件的能量轉換效率最高。利用PWM技術并通過對負載穩壓來實現對LED的恒流,從而保證了LED的可靠使用141.采用意法半導體公司的MPPT專用芯片SPV1020.跟蹤效率可達98%,能量轉換效率為95%.理論上,使用MPPT技術會比傳統方法效率提高50%,實際測試中,由于周圍環境影響與各神能量損失,最終的效率也可以提高20%-30%.
2)過充過放保護
采用充電限壓,電池溫升檢測策略,如蓄電池電36 V,充電截止電壓42.5-43 V,充電截止溫度80℃,充電截止溫升30℃。不過絕大部分時間蓄電池基本處于欠充狀態。同時通過對電池電壓的數據實時采集,利用軟件控制對電池采取限壓保護:通過實時計算電池電量進行防過充過放保護,電量為100%時停止充電,電量為20%時停止放電,為延長其壽命,做了第二道防線。圖1 為蓄電池過充保護流程圖。

3)智控開關,實時監測,預警功能
進行太陽能路燈電池板電流檢測,蓄電池電壓檢測,蓄電池電量監測,以及環境溫度的檢測,采用光開時關,并實時上傳工作環境及狀態數據,預警故障,保證系統的可靠性。圖2為太陽能路燈的開、關控制流程網。

圖2 路燈的開、關控制流程圖
4)亮度的自適應調節
通常太陽能路燈廠家為了保證連續陰雨天的正常工作,只一味地加大蓄電池容量,一般蓄電池的容量可達電池板容量的5倍,其實這樣做并不能解決問題。因為陰雨天工作的可靠性并不取決于電池的容量,而是由很多因素平衡而定的。根據當前地理位置,季節,時間,氣象條件,光的輻射量,浮塵濃度,工作環境以及剩余電量,自適應調節燈的亮度,合理分配能量。由于設計為純太陽能供電,不考慮雙電源情況,所以要想提高系統可靠性,唯一的方案就是犧牲燈的亮度。
根據當天用電前的剩余電量和當天的充電量來進行白適應調節,在保證正常照明的同時,使電池的工作點長期保持在高電位,并且使充放電深度在30%以下,根據電池循環壽命曲線,可以延長電池壽命4-5倍,有效降低太陽能路燈的成本,提高可靠性。以下將分別闡述剩余電量和充電量的計算過程。
2.2.1 電池電量檢測
1)電量檢測的算法
大量的實驗數據表明,電池老化時蓄電池的內阻與電荷之間有較高的相關性(0.88左右),蓄電池完全充電和完全放電時的內阻相差2-4倍,所以通過測量電池內阻可較準確地檢測電池電量。
2)建立內阻一電量一循環周期的關系曲線
為了得到實時剩余電量值,要建立一個電量和內阻之間關系的數據庫。
以時間為標準,就可以建立起內阻一電量一循環周期的關系曲線,然后通過Matlab的曲線擬合功能得出內阻,電量以及循環周期的關系式。蓄電池內阻與剩余電量關系曲線如
圖3所示,剩余電量隨著內阻的增大而成指數趨勢減小。

3)在線檢測電量
在太陽能路燈工作開始之前檢測出剩余電量,采用交流壓降內阻測量法測得內阻值,通過查做好的數據表,并進行數據校正,得到對應的電量值。
給電池施加一個固定頻率和固定電流(日前一般使用l kHz頻率、50 mA小電沆),然后對其電壓進行采樣,經過整流、濾波等一系列處理后通過運放電路計算出該電池的內阻值。圖4為在線測量剩余電量硬件框圖。

2.2.2充電量計算
充電量是通過太陽能電池板接收輻射強度和電池板面積計算得到的。太陽能電池板接收輻射強度為單日輻射強度與sin a的乘積,其中a為正午太陽輻射與電池板的平均夾角。電池板面積可參考配置計算部分的內容,并且經過優化得到的。
2.2.3剩余電量計算
通過計算電流在時域上的積分,可得出電量變化值,在路燈工作前檢測到的電池電量作為初始電量,則剩余電量為初始電量減去電量變化值。同時通過對MPPT電路的輸出電流做積分,作為電量變化的校正值,從而得到較準確的剩余電量值。圖5為剩余電量計算流程圖。

1)Zighee無線通訊系統連網
保證整條路的路燈的開,關時間一致,馬路亮度均勻,保證駕駛安全,避免駕駛員視覺疲勞;實時傳送數據,進行遠程監測和控制:在線軟件升級,降低維護及調試成本:待機睡眠,降低系統功耗。將Zigbee無線傳感器網絡技術應用于蓄電池牛產過程中的充放電參數檢測中,將極大地提高產品測試的靈活性和可靠性,對提高蓄電池牛產質量和效率具有重要意義問。
2)模塊化可擴展性
設計的控制器的供電系統可以是模塊化的,設計采用恒流充電方式,所以電池板可擴展,LED模組可根據系統功率進行并聯擴展。
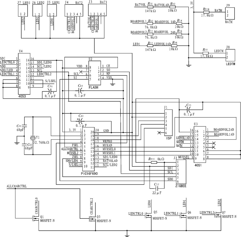
根據如上計算,具體設計框圖如圖6所示,為太陽能路燈控制系統硬件框架。圖7為太陽能路燈控制系統電路原理圖。

圖6 太陽能路燈控制系統硬件框架

圖7 太陽能路燈控制系統電路原理圖
3 自適應單純太陽能供電路燈控制器設計方案模擬
開關燈的時間根據天安門升降旗時間而定,如表1所示,全年最長點燈時長茌12月為14.52小時,最短為9.13小時。照明時間分為3個時段,第一個時段從當天天安門降旗時刻開始,為5個小時,第二個時段到早上5點,第三個時段從5點到滅安門升旗時刻,燈光亮度各時段權重比為5:2:3,如果以100 W光源為設計標準,則光源功耗最大為1.068 5 kW-h。
表1 照明策略基準參數

圖8顯示根據表1中的數據得m的各月太陽能電池板面積排列柱形罔,從而可以選定電池板的面積為柱形途中的拐點處2月的畫積值,太陽電池板面積為2.2 IT12.蓄電池為115 Ah.這樣選擇的原因是這樣可以保證全年85%的照明時間,剩下的15%為過放,不過要給白適應調節留下一個調節余量,所以選擇以2月數據計算fn的太陽能面積的值,即2.216 2 m2,過放的情況為3個月,過放比率為25%,從而有100/e的調節空間。

圖8 各月太陽能電池板對應面積排列柱形圖
4 結 論
白適應單純太陽能供電路燈控制器的設計,實現了以MPPT電路為控制核心的智能太陽能路燈控制器,具有外圍電路簡單,可靠性高的特點,實現了太陽能電池的最大功率點跟蹤,采用了合理的蓄電池充放電策略,實現算法簡單,既提高了太陽能電池板的使用效率,又延長了蓄電池的使用壽命,對于個別過分欠充、過充燈根據問題加大、減小電池板面積,更換電池或燈珠,根據每盞路燈的實際情況靈活調整其配置,可使每盞燈都工作在最佳狀態,不但保證了正常照明,而且避免了資源浪費,也降低了產品造價,具有一定的參考和推廣應用價值。




