- 學習開關電源并聯均流技術
- 采用N+m冗余的方法
- 采用均流技術保證系統正常工作
1引言
在實際應用中,往往由于一臺直流穩定電源的輸出參數(如電壓、電流、功率)不能滿足要求,而滿足這種參數要求的直流穩定電源,存在重新開發、設計、生產的過程,勢必加大電源的成本、延長交貨時間、影響工程進度。因此在實用中往往采用模塊化的構造方法,采用一定規格系列的模塊式電源,按照一定的串聯或并聯方式,分別達到輸出電壓、輸出電流、輸出功率擴展的目的。
但是電源輸出參數的擴展,僅僅通過簡單的串、并聯方式還不能完全保證整個擴展后的電源系統穩定可靠的工作。不論電源模塊是擴壓還是擴流,均存在一個“均壓”、“均流”的問題,而解決方法的不同,對整個電源擴展系統的穩定性、可靠性都有很大的影響。由于目前穩定電源輸出擴流應用較多,本文僅討論開關電源并聯均流技術。均流的主要任務是:
(1)當負載變化時,每臺電源的輸出電壓變化相同。
(2)使每臺電源的輸出電流按功率份額均攤。
2提高系統可靠性方法
(1)在電源并聯擴流過程中,為了提高系統工作穩定性,可采用N+m冗余的方法。其中m表示冗余份數,m值越大,系統工作可靠性越高,但是系統成本也相應增加。
(2)采用均流技術保證系統正常工作。在電源并聯擴流中,應用較為廣泛的辦法是自動均流技術。它通過取樣、電子控制調節環路來保證整個系統的輸出電流按每個單元的輸出能力均攤,以達到既充分發揮每個單元的輸出能力,又保證每個單元可靠工作的目的。
(3)均流技術應滿足條件:
·所有電源模塊單元應采用公共總線。
·整個系統應有良好的均流瞬態響應特性。
·整個并聯輸出擴流系統有一個公共控制電路。
(4)常用的幾種并聯均流技術:
·改變單元輸出內阻法(斜率控制法)
·主/從控制法(master/slave)
·外部控制電路法
·平均電流型自動負載均流法
·最大電流自動均流法(自動主/從法、民主均流法)
·強迫均流法
3關于均流技術中常用的一些概念
3.1穩壓源(CV)
電路框圖和特性曲線分別如圖1(a)、(b)所示,輸出電壓UO=RFUREF/R1

(a)

(b)
圖1
[page]3.2穩流源(CC)
電路框圖和特性曲線分別如圖2(a)、(b)所示,輸出電流IO=RFUREF/(RSR1)

(a)

(b)
圖2
3.3CV/CC(恒壓/恒流交疊)特性曲線如圖3所示

圖3
4常用幾種均流技術的工作原理
4.1改變單元輸出內阻法(斜率控制法、電壓下垂式、輸出特性斜率控制式)
實現方式:
·UO固定,改變斜率
·斜率固定,改變輸出電壓
(1)工作原理和特性曲線

(a)

(b)
圖4
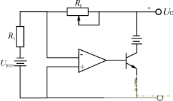
見圖4(a)、(b),圖中△Imax=△UOImax/△Uslope,內阻RO=△UO/△IO當單元輸出電流IO1增加時,IO1在電流檢測電阻RS上的壓降增加,致使A1輸出電壓增加,與單元電壓反饋信號Uf疊加后送至A2反相輸入端,經A2放大后輸出Ur變負,利用這個Ur電壓控制單元輸出電流,從而實現均流。
由圖4(b)可以看出:當典型值△UO=±0.1%,△Uslope=±2%,則△Imax=0.05Imax,即調整精度為5%。這種調節精度對大多數調節系統來說是能接受的。
[page]
(2)改變單元輸出內阻法(斜率法)特點
·小電流時均流效果較差,這點可從公式
△Imax=0.05Imax看出。
·大電流時均流效果較好。
·對電壓源來說,內阻RO(斜率)應越小越好,但是這種均流方法利用改變RO來實現均流,降低了電源輸出的負載特性,即以犧牲電路的技術指標來實現均流。
·隨著微處理器技術的發展,這種方法很容易實現程控,從而實現比較理想的均流控制特性。
4.2主/從控制法(Master/Slave)
(1)工作框圖
見圖5,在這種工作方式下用n個單元,其中一個單元(主控單元)工作在電壓源(CV)方式,其余n-1個單元工作于電流源(CC)方式,利用來自輸出電流的誤差電壓△U來實現均流控制。它實際上是由電壓環(外環)和電流環(內環)構成電流控制型的雙環控制,或說成是電壓控制的電流源。
(2)主要特點
·一旦主控單元出現故障則整個系統崩潰。

圖5
·由于電壓環工作頻帶寬,易受噪聲干擾。
·主/從單元間必須要有通訊聯系,所以整個系統較復雜。
·可靠性取決于主模塊,只能均流,不能構成冗余系統。
·適用于n個功率單元的系統。
4.3外部電路控制法
(1)工作原理
每一個單元加一個輸出電流檢測電路來檢測它的電流,產生的反饋信號調節每個單元的電流,從而達到各單元間輸出均流的目的。在這種情況下,每個單元間應有公共總線。
(2)優缺點
·這種控制方法均流效果較好,但是每個單元需附加一個電流控制電路,成為控制環路的一部分,需滿足環路的總體要求,否則會降低單元的技術指標及工作穩定性,降低系統的動態響應特性。
·由于每個單元都需要一個控制電路,所以整個擴流系統連線較多。
4.4平均電流型自動負載均流法(自動均流)
(1)工作框圖
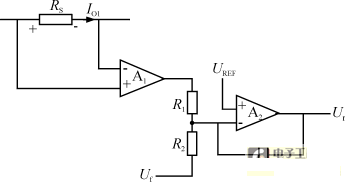
見圖6,這種均流方式采用一個窄帶電流放大器,輸出端通過阻值為R的電阻連到均流母線上,n個單元采用n個這種結構。

圖6
當輸出達到均流時,電流放大器輸出電流I1為零,這時IO1處于均流工作狀態。反之,在電阻R上產生一個Uab,由這個電壓控制A1,由A1再控制單元功率級輸出電流,最終達到均流。
[page]
(2)特點
·均流效果較好,易實現準確均流。
·在具體使用中,如出現均流母線短路或接在母線上的一個單元不工作時,母線電壓下降,將使每個單元輸出電壓下調,甚至達到下限,以致造成故障。并且當某一模塊的電流上升至Iomax時,電流放大器輸出電流也達到極限值,同時致使其它單元輸出電壓自動下降。
·可以構成冗余系統,均流模塊數理論上可以不限。
·缺點為了使系統在動態調節過程始終穩定,通常要限制最大調節范圍,要將所有電壓調節到電壓捕捉范圍以內。如果有一個模塊均流線短路,則系統無法均流。單個模塊限流也可能引起系統不穩定。在大系統中,系統穩定性與負載均流瞬態響應的矛盾很難解決。如果在圖6中的R支路上串一只二極管,則構成所講的最大電流自動均流法。
4.5最大電流自動均流法(民主均流法,自動主/從控制法)
(1)工作原理
將圖6所示均流框圖中的電阻R用一個二極管代替,二極管正端接a,負端接b。這樣只有當n個單元中輸出電流最大的一個電流放大器輸出才能使二極管導通,從而影響均流母線電壓,進而達到該單元均流調節作用。這種方法一次只有一個單元參與調節工作。
(2)特點
·在這種均流方式下,參與調節的單元由n個單元中的最大輸出電流單元決定,一次只有這個最大輸出電流單元工作,這個最大電流單元是隨機的,所以有人把這種均流方法叫做“民主均流法”。又由于一旦最大均流單元工作,它處于主控狀態,別的單元則處于被控狀態,因此又有人把這種方法叫做“自動主/從控制法”。
·由于二極管總有正向壓降,因而主單元均流總有誤差,而從單元的均流效果是較好的。美國優尼則公司的UC3907集成均流控制芯片就工作在這種方式下。最大均流法的特點和平均電流法的特點相似。
4.6強迫均流法
所謂強迫均流,就是通過監控模塊實現均流。實現方式主要有軟件控制和硬件控制兩種。
軟件控制是通過軟件計算,比較模塊電流與系統

圖7
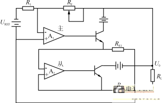
平均電流,然后再調整模塊電壓,使其電流與平均電流相等。軟件方式易于實現,均流精度高,但其瞬態響應比較差,調節時間長。硬件控制方式原理如圖7所示,取樣電壓Us與系統基準電壓Ur相比較產生誤差電壓Ue,該電壓送至每個模塊,與模塊電流相比較,調節模塊參考電壓,從而改變輸出電壓,調節輸出電流,實現均流。這樣,每個模塊都相當于電壓控制的電流源。這種均流方式精度高,動態響應好,可控制模塊多,可以很方便的組成冗余系統。
對這種硬件強迫均流方法的一種改進就是所謂的PWM強迫均流法。工作原理如圖8所示。

圖8
強迫均流依賴監控模塊,如果監控模塊失效,則無法均流,這一點使用時應注意。在強迫均流中,每個監控系統監控的模塊數可達100個,參數設置好后(即使模塊電壓相差較大,如1伏或更大)不需任何調整,均流精度高于2.5%,負載響應快(在幾百ms內),無振蕩現象。
5小結
本文主要討論了6種常用的均流技術。其中改變單元輸出內阻法(斜率法)和最大電流自動均流法、強迫均流法應用較廣,并且已有現成的集成控制芯片。同時,隨著微處理技術的迅速發展,整個系統可采用智能總線結構,從而實現均流冗余控制、故障檢測、故障信息顯示等功能,就會使均流效果更理想、使用界面更友好、更方便。




