中心議題:
- 三元件串聯LLC諧振變流器的工作原理
- 同步整流驅動技術
- 改進的電流型同步整流方案
解決方案:
- 一次側電流采樣方案
- 新型的電流型同步整流驅動方案
本文在歸納總結LLC諧振變流器現有同步整流技術的基礎上對各技術的優缺點進行了詳細的分析和比較,并提出了新型的一次側電流采樣方案以及一種應用于倍壓整流結構的新型電流型同步整流技術。除此之外,本文還從電力電子系統集成的角度提出了新型的單封裝結構同步整流技術解決方案。
0 引言
隨著消費類電子產品需求的不斷擴大,人們對其電源系統的便攜性提出了更高的要求。因此,高效率和高功率密度成為電力電子產品的一個重要發展趨勢。三元件串聯LLC諧振變流器在變換效率和功率密度方面具有突出的優勢。
目前,大量的國內外文獻都對其相關優化設計進行了深入的研究,但是當應用于低壓大電流輸出的場合時二次側整流電路的損耗占據了總損耗較大的比重。為了進一步提高地變換效率和功率密度,同步整流技術在二次側得到廣泛的應用。
1 三元件串聯LLC諧振變流器的工作原理
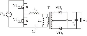
傳統LLC諧振變流器的拓撲結構如圖1所示。

圖1 傳統的LLC諧振變流器拓撲結構
諧振網絡由諧振電感L r、諧振電容C r、激磁電感L m組成。圖2為其主要的理想工作波形,根據工作頻率的不同,我們可以把它分為三個模式,即斷續模式(fw<fs<fr)、臨界模式(fs=fr)和連續模式(fs>fr),其中fw為第一諧振頻率,fr為第二諧振頻率,fs為開關管工作頻率。

圖2 LLC諧振變流器的主要工作波形
由圖2可知,當變流器工作于斷續模式時,一次側開關驅動信號、變壓器繞組上的電壓與整流管中的電流不是處于同相位。采用一次側控制芯片信號外驅動或電壓型繞組自驅動等驅動方案都不能及時有效地關斷同步管,從而變流器將無法正常地工作于斷續模式。電流型驅動技術可以滿足各種工作模式的需要,但是驅動電路的設計相對較為復雜。現有智能驅動控制芯片的驅動策略是通過檢測整流管漏源兩極的壓降以產生驅動控制信號,理論上這也能夠實現變流器斷續模式的正常工作。但是由于同步管的導通壓降很小,芯片本身也具有較多限制,檢測電路容易受到干擾,其應用范圍仍然相當有限。因此對LLC諧振變流器的同步整流方案的研究仍是當前的熱點及難點問題。
2 同步整流驅動技術
2.1 外驅動
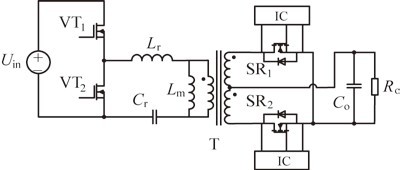
外驅動一般是指同步整流管的驅動信號獨立于主電路,由外部電路產生。傳統的外驅動方式是根據一次側控制芯片的信號,通過隔離變壓器等給二次側的同步整流管(SR)提供驅動信號;另一種則通過比較電路,檢測SR的漏源極電壓(U DS),產生驅動信號。目前市場上的智能同步整流驅動芯片就是采用這種控制策略。
[page]
2.1.1 傳統型外驅動方案
傳統型外驅動方案如圖3所示。該方案的優點在于同步整流的驅動電路簡單,驅動信號可靠;由于采用了隔離變壓器作為信號隔離電路,一次側MOS管VT1的驅動可以省略自舉電路。它的缺點在于變流器只能工作于臨界或者連續模式,限制了其電壓增益范圍。

圖3 傳統型外驅動
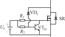
2.1.2 檢測SR UDS電壓型外驅動方案
市場上現有的絕大部分智能同步整流驅動芯片都采用了檢測U DS電壓信號的方法。如圖4所示。該驅動方案的優點是驅動電路簡單,變流器可以工作于不同的三種模式。但是同步整流驅動芯片對外圍電路的參數設計非常敏感,如SR的導通電阻、檢測電路中的引線電感及同步管的工作溫度等,因此容易受到外界的干擾,而且它也受到芯片本身的條件制約(芯片的工作頻率,關斷延時等)。因此它對PCB的布板設計和變流器的工作頻率等都有比較高的限制要求。圖5是一種采用分離元件組成的檢測U DS電壓型驅動方案。其電路比較簡單,但同樣也比較容易受到干擾,而且二極管VD1與三極管VTd1的選擇比較困難。

圖4 同步整流驅動芯片方案

圖5 分離元件組成的U DS檢測電路
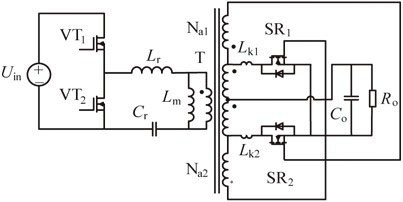
2.2 電壓型自驅動
電壓型自驅動方案如圖6所示。Na1、Na2為變壓器輔助繞組,直接為相應的同步整流管提供驅動信號。此驅動方案要求變流器工作于臨界模式或者連續模式,而且要求變壓器的輔助繞組與相應的S R二次側繞組之間有比較好的耦合,減小驅動信號的延時。但另一方面,此方案又要求變壓器的兩個二次側繞組之間具有一定的漏感,以幫助兩個回路之間實現換流。總之,該方案的變壓器漏感設計和整機變換效率的優化很難折中考慮,功率變壓器的設計困難,不利于實際的生產和應用。

圖6 電壓型自驅動方案
[page]
2.3 電流型驅動
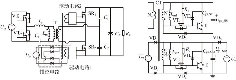
圖7為幾種典型的電流型驅動方案。傳統的電流型驅動方案如圖7(a)所示,整個驅動電路包括一個電流互感器(CT)和一個電壓箝位電路。電路通過電流互感器對電流信號進行采樣,并給同步管提供相應的驅動信號,多余的驅動能量被箝位電路消耗。該驅動電路比較簡單,但是有較大的驅動損耗,限制了變流器效率的提高。因此有文獻提出了具有剩余驅動能量回饋功能的電流型驅動方案,如圖7(b)所示。該驅動電路中多余的驅動能量能通過輔助繞組回饋到主電路,從而可以較大的減少驅動電路的損耗,并簡化電流互感器的設計,但是多繞組的電流互感器大大增加了生產成本。另有文獻提出了一種更為簡單的電流型驅動方案,如圖7(c)所示。該方案的電流互感器只需一個副邊繞組,同時也具有剩余驅動能量回饋的功能,更加有利于實際的生產應用。通過三極管VTd1,它可以準確地檢測同步整流管應該關斷的時刻,從而保證了同步整流電路的可靠性。

圖7 幾種典型的電流驅動方案
2.4 驅動方式比較
我們將上述驅動方法做了一個比價和總結,如表1所示。從表中可以看出,采用檢測U DS電壓型外驅動和電流型驅動,變流器可工作于全頻率范圍,符合寬輸入LLC諧振變流器工作于全頻率范圍的要求。

表1 不同的同步整流管驅動方案比較
[page]
3 改進的電流型同步整流方案
3.1 一次側電流采樣方案
為了簡化電流型同步整流方案和二次側布板走線,進一步提高二次側效率和功率密度,這里分別先看一次側電流采樣方案,如圖8和圖9所示。

圖8 采用具有相位補償功能的一次側電流采樣方案

圖9 采用輔助變壓器的一次側電流采樣方案
由于LLC諧振變流器的勵磁電流較大,導致一次側電流與二次側電流之間存在相位差,因此,可以采用補償電感L comp對相位進行補償,而有文獻則采用輔助變壓器對一次側電流進行采樣。這兩種驅動方案都可以解決相位差問題,而且沒有增加大型的磁性元件,有利于提高效率和功率密度。
[page]
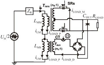
3.2 一種新型的電流型同步整流驅動方案
本文針對倍壓整流結構提出的一種新型的電流型同步整流方案,如圖10所示。通過一個雙繞組電流互感器,既解決了二次側上管驅動電路采樣的能量回饋問題,又減少了電流互感器的數量,有利于降低生產成本,提高變換效率及功率密度。圖11為斷續模式和臨界模式下的主要實驗波形。

圖10 一種新型的電流型同步整流驅動方案

圖11 主要實驗波形
4 新型的單封裝同步整流解決方案
為進一步地提高功率密度,本文從電力電子系統集成的角度提出了一種新型的能夠實現驅動信號檢測電路、驅動電路和半導體功率器件高度集成的單封裝同步整流結構技術。為了能夠與現有肖特基整流二極管的布板結構兼容,本文提出(且不限于)以下幾種管腳封裝結構,如表2所示。
5 結束語
本文在對現有LLC諧振變流器同步整流方案進行深入分析和比較的基礎上,總結了各自的優缺點,并引入了新型的一次側電流采樣方案,提高變流器的變換效率和功率密度。本文針對LLC諧振變流器二次側倍壓整流結構提出了一種新型的電流型同步整流方案,實現較好的變換效率及功率密度表現。為了能夠進一步地提高功率密度,本文從電力電子系統集成的角度,提出了具有極高集成度的單封裝同步整流結構技術。為在布線上實現與當前肖特基二極管整流的兼容,本文提出了幾種新型的單封裝同步整流解決方案。





