中心議題:
- MOSFET逆變模塊的電氣設計
- MOSFET逆變模塊應用的問題考慮
本文介紹新型的MOSFET逆變模塊,用于驅動風扇和水泵中的小型直流無刷電機。這種功率模塊集成了6個MOSFET和相應的高壓柵極驅動電路 (HVIC)。通過使用專門設計的MOSFET和HVIC,該模塊能提供最小的功耗和最佳的電磁兼容 (EMC) 特性。本文將探討這種逆變模塊在電機驅動應用中所涉及的封裝設計、MOSFET和HVIC,并著重討論其中的功率損耗、電磁干擾和噪聲問題。
MOSFET逆變模塊的電氣設計
對于小型電機驅動系統,MOSFET在功耗、成本和性能方面較其它功率開關管更具優勢。MOSFET的正向特征電阻為歐姆級 (見圖1(a)) ;其導通損耗與漏極電流的平方成正比,當漏極電流低于1A時,其導通損耗低于額定功率相同的IGBT的導通損耗,這是因為IGBT在通態時存在閾值電壓,該電壓隨逆變輸出功率的下降而顯著增加。大多數空調使用的風扇電機功率在50W以下;在這個功率級別上,基于MOSFET的逆變器的效率高于IGBT。
至于其反向特性 (參見圖1(a)),MOSFET中固有的體二極管可充當IGBT逆變器中的快速恢復二極管 (FRD) ;即可以通過電子擴散過程實現快速而平滑的恢復特性,同時節省了引線框內芯片的占用空間。由于MOSFET比一般FRD尺寸大,其反向壓降小,而且在柵極為高時,該壓降甚至會更小,這是因為MOSFET溝道本身就允許雙向電流。

[page]
MOSFET的另一個優勢是其耐用強度。它比IGBT的耐用強度高;與額定功率相同的其它器件相比,具有更寬的安全運行區 (SOA)。本文所介紹逆變模塊中的MOSFET在典型的運行條件 (Vcc=15V, Vdc="300V", Tc="25"℃) 下,都能承受80ms的短路電流 (見圖2)。而且,在出現電涌時,基于MOSFET逆變器的抵御能力優于額定電壓相同的IGBT方案,這已被開關器件的雪崩額定電壓值所證實。因此,在220V下可采用額定電壓為500V的MOSFET,而在相同條件下采用IGBT,其額定電壓則需要達到600V。但是,傳統的MOSFET開關速度極高。MOSFET通常用于快速開關轉換器,如AC/DC或DC/DC電源,這些應用場合要求柵極電荷Qg盡可能少,以降低開關損耗。不過,在電機驅動應用中,這種快速特性沒有用處,尤其是高的dV/dt值還會引起電磁干擾。穩定性與最佳性能不易兼顧.

通常,增加柵極阻抗會降低MOSFET的開關速度。在如圖3(a)所示的半橋電路中,如果高壓側MOSFET的柵極阻抗 (在HVIC中實現) 大,將會存在一定的短路電流;這個電流是上面那個MOSFET導通時的密勒電容Cgd感應產生的,不嚴重時一般不會察覺。但是,正如圖3(b)所示,這種異常行為會增加逆變開關的損耗 (導通損耗),并最終減弱系統的額定功率和穩定性。在這樣的瞬態過程中,要降低開關速度,同時又不失穩定性,上方那個MOSFET的Vgs應小于閾值電壓Vth。換句話說,最好通過調節HVIC的關斷阻抗來保證系統的穩定性,防止因電壓變化而感應短路電流。但這會增加MOSFET的關斷dV/dt值。

除了穩定性外,在確定柵極電阻時,還應考慮空載時間和延遲時間之類的運行要求。電壓源逆變器的空載時間會降低輸出電壓的質量,進而降低電機的轉速性能。而且,這個問題會隨開關頻率的增大而進一步惡化。消費電子應用中的開關頻率一般在16kHz以上,這是為了防止可聽見音頻帶 (人耳可聽到的頻帶) 噪聲;系統開發人員一般都希望將系統的空載時間設計為1ms。1ms的理論極限 (控制器可設置的最小值) 可由公式 (1) 計算。
Tdead=max(Toff,LS-Td(on),HS,Toff,HS-Td(on),LS)………… (1)
這里,Td(on)為導通時的傳送延遲 (從輸入信號脈沖的50%起到電流達到穩定所需的時間) ;Toff為關斷時的傳送延遲 (從輸出信號脈沖的50%起到整流換向完畢所需的時間)。下標HS和LS分別表示高壓側和低壓側MOSFET。要滿足空載時間要求,可延長Td(on),即增加導通柵極電阻。但這種方法不適用于通過檢測直流通道電流來測量三相電流的系統,因為這種系統的一個關鍵要求是導通延遲要小。當輸出脈沖寬度小于功率器件的導通延遲時,不能用電流檢測技術來測量逆變器的輸出電流。增大導通延遲會增加電流檢測的不確定性,尤其是在調制指數小的低速運行情況下。因此,增加導通延遲雖能縮短空載時間,但卻會減弱電機的低速性能。
上述問題不能通過調節某一時刻的柵極電阻來解決。為了獲得最佳的性能 (最佳空載時間、最佳延遲時間),同時又保持穩定性 (防止dV/dt感應出短路電流),必須針對電機定 制MOSFET。除調節柵極電阻外,還需要優選MOSFET的Qg和Vth。在本文介紹的逆變模塊中,MOSFET的Qg比值 (即Qgd/Qgs) 被設置為2.0左右,以防止在最壞的情況下出現短路電流。根據這個電荷值確定出適合的柵極電阻范圍。功率MOSFET的延遲時間是Vth的對數函數。因此,Vth的變化范圍對確定最壞情況的延遲時間和空載時間有很大作用。在滿足這些要求的同時,輸出電壓變化 (dV/dt) 應當小,以降低電磁干擾。圖1(a)和(b)所示的開關特性是滿足如下條件時測試的結果:dV/dt=2kV/ms,空載時間=1.0ms,導通延遲時間=2.5ms (延遲時間是在最壞的運行情況下,并考慮柵極電阻和其它器件參數的離差后,從輸入信號脈沖中心到建立電流穩定所需的時間)。我們已通過適當選擇柵極導通電阻和閾值電壓達到了這些條件。
除了這些可預先確定的特性外,用戶還可控制模塊的開關速度。象其它SPM系列一樣,本文介紹的這種模塊在高壓側MOSFET上提供開放源極輸入端,允許用戶加入自己的阻抗單元來控制高壓側MOSFET的開關速度,從而在開關損耗與電磁干擾之間作出最佳平衡。
[page]
MOSFET逆變模塊的應用問題考慮
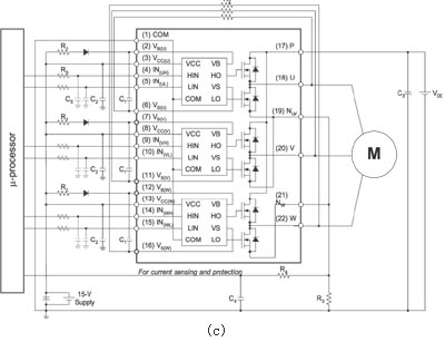
圖4給出了本模塊的一個應用示例。在圖4(a)和(b) 的模擬中,假設結區溫度Tj保持為125℃;該溫度為本模塊的最大工作結區溫度。通過這項模擬,肯定當模塊外殼溫度控制在100℃并采用空間向量調制 (SVPWM) 時,輸出功率可大于Pout=100W,并允許Pd=16W的功率損耗。根據這些信息,我們利用一臺130W BLDC電機(正弦反電動勢) 和圖4(c)所示的電路,對模塊的額定功率進行驗證實驗。實驗中采用的散熱片有效表面積約為100cm2。采用該散熱片后,模塊在20kHz SVPWM下可向電機輸出150W的功率;熱功耗為12W。而此時模塊的外殼溫度為86℃,MOSFET結區溫度為104℃,環境溫度27℃。在同樣條件下采用圖4(d)所示的非連續PWM時,由于有效開關頻率降低,模塊的功耗可達到8W,而逆變器效率可達到95%。此時,模塊的外殼溫度為62℃,結區溫度為82℃(已考慮電機鐵芯的損耗),逆變器的損耗為整個系統功耗的27%



MOSFET逆變器的另一個優點是圖4(e)所示的自舉電壓(陰極輸出電壓)。從圖4(e)可以看出,電機的工作頻率為10Hz。圖中畫出了自舉電壓和逆變器輸出電流。當電流為正時,自舉電壓VBS維持在VCC=15V附近,但當電流為負時,VBS就下降到接近10V。這是由于不同電流方向采用不同的充電機制所造成 (參見圖5)。當輸出電流為正時,電流要么流經高壓側MOSFET,要么流經低壓側體二極管。在這種情況下,當低壓側體二極管導通時,將對自舉電容CBS充電 (參見圖5(a))。此時,對CBS的充電電壓可由公式(2)表示。
Vchg = VCC + Vf - (RBS + REH) Ichg - VDbs …………(2)
其中,VDbs是跨過陰極輸出二極管的電壓。如果充電電流小,Vchg僅僅提高Vf -VDbs;該差值最多為1V,它反映如圖1(b)所示的低壓側體二極管上的壓降。但當輸出電流為負時,充電電壓將由公式(3)表示。
Vchg = VCC + Rds(on)Io - (RBS + REH) Ichg - VDbs …………(3)
這里,Io為輸出電流。如果電流是負的,充電電壓Vchg將隨輸出電流大幅下降,這是低壓側MOSFET作為主用開關時MOSFET的正向壓降所致。這個自舉電壓是高壓側MOSFET的柵極驅動電源,且僅在電流為正時有意義。當電流為正時,由于MOSFET的Vf小,自舉電壓變化不大,因而無需大的自舉電容。只需用較小的自舉電容就可維持所需的自舉電壓,這個電壓僅在電流為正時用來維持HVIC的待機電流。在過調高速電機運行情況下,高壓側MOSFET在輸出頻率的半個周期內全導通。例如,若采用單脈沖模式 (或6級階梯波模式) 的PWM進行調制,輸出頻率為100Hz,則高壓側MOSFET的導通時間可持續5ms。在此期間,不可能一直對自舉電容充電,而自舉電容的自舉電壓隨HVIC待機電流的變化可按公式(4)計算。
ΔVBS =Δ tIQBS / CBS………… (4)
這里,IQBS為HVIC的待機電流,并忽略了CBS本身的漏電流。假設最大待機電流為100mA,CBS為1mF,那么,自舉電壓在5ms內的變化 芕BS也只有0.5V。這意味著,采用1mF的陶瓷電容就足以維持這種MOSFET逆變器在整個運行過程中所需的自舉電壓。
[page]

除了自舉電路問題外,采用HVIC還會引起許多別的問題;尤其當VB電平低于地電平時最為顯著。在HVIC中,高壓側柵極單元是用p-n結隔離的,而輸入信號要通過額定電壓為625V的電平漂移MOSFET傳輸到高壓側單元。為了降低信號傳輸期間的功耗,將開關信號轉換成置位復位脈沖;該脈沖觸發對應電平漂移MOSFET和高壓側單元中的置位復位(SR)閂鎖電路。當VS低于 -5V時,電平漂移MOSFET不能傳送觸發信號到高壓側邏輯電路。而且,若VB小于0V,VB與邏輯地之間的寄生二極管將會導通;這會產生過量的電流,從而破壞HVIC。在實際應用中,當負載電流非常大,或有沖擊電涌噪聲施加在VB或VS端時,VB可能在很短時間內被拉到0V以下。除了對HVIC本身造成破壞外,還會使HVIC出現誤操作或閂鎖現象。當HVIC出現閂鎖時,其行為將不可預測,而且,即使在恢復正常狀態后,也可能被電源端之間的過量電流損壞。這類現象與HVIC的設計規則緊密相關,在設計階段就應排除這種隱患。當HVIC產生誤操作時,誤操作導致的非正常關斷可能中斷正常的控制動作,但不大可能導致整個系統的破壞。然而,如果高壓側SR閂鎖電路因電涌噪聲而異常開啟,高壓側功率MOSFET將處于非控導通狀態,且不能在輸入信號的脈沖負沿到來時復位。這種行為很可能在逆變器的某一管腳上造成短路,進而破壞功率模塊。為了防止這種現象,設計模塊的HVIC時,我們針對可能出現的工作和環境條件,將出現誤操作的可能性降到最低。同時,當過量的電涌或沖擊噪聲施加在器件上時,電平漂移單元和SR閂鎖電路被設計成具有關斷優先的特性。
結論
本文討論了面向小功率電機驅動應用的新型高集成、低噪聲MOSFET逆變模塊。該模塊專為100W無刷直流內置電機驅動系統而開發。本文還討論了該模塊所采用的封裝技術、MOSFET和HVIC,以及其應用特點。





