【導讀】步進電機在工業控制中有著舉足輕重的地位,在步進電機驅動設計中,設計師難免會遇到各種讓人糾結、疑惑的問題。本次半月談集網友之智慧,詳細講解步進電機多種驅動方式、以及在設計中應注意的問題以及考慮的因素。

步進電機驅動方式有很多種,下文就分別講解恒電壓驅動方式和恒電流斬波驅動方式的不同之處。
恒電壓驅動方式
單電壓驅動
單電壓驅動是指在電機繞組工作過程中,只用一個方向電壓對繞組供電。如圖1所示,L為電機繞組,VCC為電源。當輸入信號In為高電平時,提供足夠大的基極電流使三極管T處于飽和狀態,若忽略其飽和壓降,則電源電壓全部作用在電機繞組上。當In為低電平時,三極管截止,繞組無電流通過。

圖1 單電壓驅動原理圖
為使通電時繞組電流迅速達到預設電流,串入電阻Rc;為防止關斷T時繞組電流變化率太大,而產生很大的反電勢將T擊穿,在繞組的兩端并聯一個二極管D和電阻Rd,為繞組電流提供一個泄放回路,也稱“續流回路”。
單電壓功率驅動電路的優點是電路結構簡單、元件少、成本低、可靠性高。但是由于串入電阻后,功耗加大,整個功率驅動電路的效率較低,僅適合于驅動小功率步進電機。
高低壓驅動
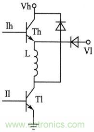
為了使通電時繞組能迅速到達設定電流,關斷時繞組電流迅速衰減為零,同時又具有較高的效率,出現了高低壓驅動方式。

圖2 高低壓驅動原理圖
如圖2所示,Th、T1分別為高壓管和低壓管,Vh、V1分別為高低壓電源,Ih、I1分別為高低端的脈沖信號。在導通前沿用高電壓供電來提高電流的前沿上升率,而在前沿過后用低電壓來維持繞組的電流。高低壓驅動可獲得較好的高頻特性,但是由于高壓管的導通時間不變,在低頻時,繞組獲得了過多的能量,容易引起振蕩。可通過改變其高壓管導通時間來解決低頻振蕩問題,然而其控制電路較單電壓復雜,可靠性降低,一旦高壓管失控,將會因電流太大損壞電機。
相關閱讀:1、解析步進電機發熱問題及解決方法
http://www.tiangongcn.com/motor-art/80020199
2、對比分析:步進電機驅動電路優缺點
http://www.tiangongcn.com/motor-art/80020165
3、步進電機與伺服電機與的6個不同點
http://www.tiangongcn.com/motor-art/80020195
[page]
恒電流斬波驅動方式
自激式恒電流斬波驅動
圖3為自激式恒電流斬波驅動框圖。把步進電機繞組電流值轉化為一定比例的電壓,與D/A轉換器輸出的預設值進行比較,控制功率管的開關,從而達到控制繞組相電流的目的。從理論上講,自激式恒電流斬波驅動可以將電機繞組的電流控制在某一恒定值。但由于斬波頻率是可變的,會使繞組激起很高的浪涌電壓,因而對控制電路產生很大的干擾,容易產生振蕩,可靠性大大降低。

圖3 自激式恒電流斬波驅動框圖
它激式恒電流斬波驅動
為了解決自激式斬波頻率可變引起的浪涌電壓問題,可在D觸發器加一個固定頻率的時鐘。這樣基本上能解決振蕩問題,但仍然存在一些問題。比如:當比較器輸出的導通脈沖剛好介于D觸發器的2個時鐘上升沿之間時,該控制信號將丟失,一般可通過加大D觸發器時鐘頻率解決。
細分驅動方式
這是本文討論的重點,也是該系統采用的驅動方法。細分驅動最主要的優點是步距角變小,分辨率提高,且提高了電機的定位精度、啟動性能和高頻輸出轉矩;其次,減弱或消除了步進電機的低頻振動,降低了步進電機在共振區工作的幾率。可以說細分驅動技術是步進電動機驅動與控制技術的一個飛躍。
細分驅動是指在每次脈沖切換時,不是將繞組的全部電流通入或切除,而是只改變相應繞組中電流的一部分,電動機的合成磁勢也只旋轉步距角的一部分。細分驅動時,繞組電流不是一個方波而是階梯波,額定電流是臺階式的投入或切除。比如:電流分成n個臺階,轉子則需要n次才轉過一個步距角,即n細分,如圖4所示。

圖4 二相電機細分電流階梯波
一般的細分方法只改變某一相的電流,另一相電流保持不變。如圖所示,在O°~45°,Ia保持不變,Ib由O逐級變大;在45°~90°,Ib保持不變,Ia由額定值逐級變為0。該方法的優點是控制較為簡單,在硬件上容易實現;但由圖5所示的電流矢量合成圖可知,所合成的矢量幅值是不斷變化的,輸出力矩也跟著不斷變化,從而引起滯后角的不斷變化。當細分數很大、微步距角非常小時,滯后角變化的差值已大于所要求細分的微步距角,使得細分實際上失去了意義。
這就是目前常用的細分方法的缺陷,那么有沒有一種方法讓矢量角度變化時同時保持幅值不變呢?由上面分析可知,只改變單一相電流是不可能的,那么同時改變兩相電流呢?即Ia、Ib以某一數學關系同時變化,保證變化過程中合成矢量幅值始終不變。基于此,本文建立一種“額定電流可調的等角度恒力矩細分”驅動方法,以消除力距不斷變化引起滯后角的問題。如圖6所示,隨著A、B兩相相電流Ia、Ib的合成矢量角度不斷變化,其幅值始終為圓的半徑。

圖5 二相電機相電流矢量合成圖

圖6 電流可控的等角度恒力矩細分
下面介紹合成矢量幅值保持不變的數學模型:當Ia=Im·cosx,Ib=Im·sinx時(式中Im為電流額定值,Ia、Ib為實際的相電流,x由細分數決定),其合成矢量始終為圓的半徑,即恒力距。
等角度是指合成的力臂每次旋轉的角度一樣。額定電流可調是指可滿足各種系列電機的要求。例如,86系列電機的額定電流為6~8 A,而57系列電機一般不超過6 A,驅動器有各種檔位電流可供選擇。細分為對額定電流的細分。
為實現“額定電流可調的等角度恒力距”,理論上只要各相相電流能夠滿足以上的數學模型即可。這就要求電流控制精度非常高,不然Ia、Ib所合成的矢量角將出現偏差,即各步步距角不等,細分也失去了意義。
[page]
步進電機的選擇
步進電機有步距角(涉及到相數)、靜轉矩、及電流三大要素組成。一旦三大要素確定,步進電機的型號便確定下來了。
1、步距角的選擇
電機的步距角取決于負載精度的要求,將負載的最小分辨率(當量)換算到電機軸上,每個當量電機應走多少角度(包括減速)。電機的步距角應等于或小于此角度。目前市場上步進電機的步距角一般有0.36度/0.72度(五相電機)、0.9度/1.8度(二、四相電機)、1.5度/3度(三相電機)等。
2、靜力矩的選擇
步進電機的動態力矩一下子很難確定,我們往往先確定電機的靜力矩。靜力矩選擇的依據是電機工作的負載,而負載可分為慣性負載和摩擦負載二種。單一的慣性負載和單一的摩擦負載是不存在的。直接起動時(一般由低速)時二種負載均要考慮,加速起動時主要考慮慣性負載,恒速運行進只要考慮摩擦負載。一般情況下,靜力矩應為摩擦負載的2-3倍內好,靜力矩一旦選定,電機的機座及長度便能確定下來(幾何尺寸)
3、電流的選擇
靜力矩一樣的電機,由于電流參數不同,其運行特性差別很大,可依據矩頻特性曲線圖,判斷電機的電流。
4、力矩與功率換算
步進電機一般在較大范圍內調速使用、其功率是變化的,一般只用力矩來衡量,力矩與功率換算如下:
p= ω·m
ω=2π·n/60
p=2πnm/60
其p為功率單位為瓦,ω為每秒角速度,單位為弧度,n為每分鐘轉速,m為力矩單位為牛頓·米
p=2πfm/400(半步工作)
其中f為每秒脈沖數(簡稱pps)
步進電機在應用中的注意點
1、步進電機應用于低速場合---每分鐘轉速不超過1000轉,(0.9度時6666pps),最好在1000-3000pps(0.9度)間使用,可通過減速裝置使其在此間工作,此時電機工作效率高,噪音低。
2、步進電機最好不使用整步狀態,整步狀態時振動大。
3、由于歷史原因,只有標稱為12v電壓的電機使用12v外,其他電機的電壓值不是驅動電壓伏值 ,可根據驅動器選擇驅動電壓(建議:57byg采用直流24v-36v,86byg采用直流50v,110byg采用高于直流80v),當然12伏的電壓除12v恒壓驅動外也可以采用其他驅動電源, 不過要考慮溫升。
4、轉動慣量大的負載應選擇大機座號電機。
5、電機在較高速或大慣量負載時,一般不在工作速度起動,而采用逐漸升頻提速,一電機不失步,二可以減少噪音同時可以提高停止的定位精度。
6、高精度時,應通過機械減速、提高電機速度,或采用高細分數的驅動器來解決,也可以采用5相電機,不過其整個系統的價格較貴,生產廠家少,其被淘汰的說法是外行話。
7、電機不應在振動區內工作,如若必須可通過改變電壓、電流或加一些阻尼的解決。
8、電機在600pps(0.9度)以下工作,應采用小電流、大電感、低電壓來驅動。
9、應遵循先選電機后選驅動的原則。
[page]
步進電機調速注意特點
步進電機高速不能直接使用普通的交直流電源,需要專用的伺服控制器,應注意以下特點:
1、可以用數字信號直接進行開環控制,整個系統簡單廉價,位移與輸入脈沖信號數相對應,步距誤差不長期積累,開環控制系統既簡單又具有一定的精度; 在要求更高精度時,也可以采用閉環控制系統。
2、由于步進電機無刷,因此本體部件少,可靠性高。
3、易于起動,停止,正反轉,速度響應性好;停止時一般有自鎖能力。
4、步距角可在大范圍內選擇,在小步距情況下,能夠在超低轉速下高轉距穩定運行,可以不經減速器直接驅動負載。
5、速度可在相當寬范圍內平滑調節, 可以用一臺控制器同時控制幾臺步進電機完全同步運行。
6、步進電機帶慣性負載能力較差,由于存在失步和共振問題,步進電機的加減速方法在不同的應用狀態下,情況較為復雜。
步進電機定位不準怎么辦?
在調機過程中發現步進電機定位不準現象怎么辦?一般由以下幾方面原因引起:
1、 改變方向時丟脈沖,表現為往任何一個方向都準,但一改變方向就累計偏差,并且次數越多偏得越多;
2、 初速度太高,加速度太大,引起有時丟步;
3、 在用同步帶的場合軟件補償太多或太少;
4、 馬達力量不夠;
5、 控制器受干擾引起誤動作;
6、 驅動器受干擾引起;
7、 軟件缺陷;
針對以上問題分析如下:
1)一般的步進驅動器對方向和脈沖信號都有一定的要求,如:方向信號在第一個脈沖上升沿或下降沿(不同的驅動器要求不一樣)到來前數微秒被確定,否則會有一個脈沖所運轉的角度與實際需要的轉向相反,最后故障現象表現為越走越偏,細分越小越明顯,解決辦法主要用軟件改變發脈沖的邏輯或加延時。
2)由于步進電機特點決定初速度不能太高,尤其帶的負載慣量較大情況下,建議初速度在1r/s以下,這樣沖擊較小,同樣加速度太大對系統沖擊也大,容易過沖,導致定位不準;電機正轉和反轉之間應有一定的暫停時間,若沒有就會因反向加速度太大引起過沖。
3)根據實際情況調整被償參數值,(因為同步帶彈性形變較大,所以改變方向時需加一定的補償)。
4)適當地增大馬達電流,提高驅動器電壓(注意選配驅動器),選扭矩大一些的馬達。
5)系統的干擾引起控制器或驅動器的誤動作,我們只能想辦法找出干擾源,降低其干擾能力(如屏蔽,加大間隔距離等),切斷傳播途徑,提高自身的抗干擾能力,常見措施:
①用雙紋屏蔽線代替普通導線,系統中信號線與大電流或大電壓變化導線分開布線,降低電磁干擾能力。
②用電源濾波器把來自電網的干擾波濾掉,在條件許可下各大用電設備的輸入端加電源濾波器,降低系統內各設備之間的干擾。
③設備之間最好用光電隔離器件進行信號傳送,在條件許可下,脈沖和方向信號最好用差分方式加光電隔離進行信號傳送。在感性負載(如電磁繼電器、電磁閥)兩端加阻容吸收或快速泄放電路,感性負載在開頭瞬間能產生10~100倍的尖峰電壓,如果工作頻率在20KHZ以上。
6)軟件做一些容錯處理,把干擾帶來影響消除。


