【導讀】介紹了解決電源噪聲的小技巧之后,TI工程師帶來他們運用于車載音頻放大器的電源設計技巧。在 4 相解決方案中,控制器的選擇范圍十分有限,幸運的是,可以輕松地對一些多相降壓控制器進行改裝,以在 4 相升壓轉換器中使用…
電源設計技巧十例之一:為電源選擇最佳工作頻率
電源設計技巧十例之二:如何解決噪聲電源
車載音頻放大器通常使用升壓轉換器來生成 18 V~28 V(或更高)的電池輸出電壓。在這些 100W 及 100W 以上的高功耗應用中,需要大升壓電感、多個級別的輸出電容器、并行 MOSFET 及二極管。將功率級分成多個并行相位減少了許多功率組件的應力,加速了對負載變化(如那些重低音音符)的響應,并提高了系統效率。
找到一款能夠用于 2 相升壓轉換器的脈寬調制控制器 (PWM) 相對較容易。大多數雙通道交錯式離線控制器或推挽式控制器均可以被于直接異相地驅動兩個升壓 MOSFET。但是,在 4 相解決方案中,控制器的選擇范圍更加有限。幸運的是,可以輕松地對一些多相降壓控制器進行改裝,以在 4 相升壓轉換器中使用。
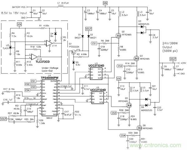
圖1 顯示了一款使用了 TI 的TPS40090 多相降壓控制器的 4 相、300W 升壓電源,該轉換器設計旨在處理一般會出現在音頻應用中的 500W 峰值突發。通常,在多相降壓結構中,該控制器通過感知輸出電感中的平均電流來平衡每一相位的電力。相反,在一個多相升壓結構中,對電流的感知是在安裝于每一個 FET 源極上的電阻器中進行的。

圖1:基于TPS40090 多相降壓控制器的 4 相、300W 升壓電源
通過在每一個 FET 中平衡峰值電流,多相控制器在所有升壓相位中均勻地分配電力。來自控制器的柵極驅動信號為邏輯電平,因此每一個相位都要求具有一個 MOSFET 驅動器。本設計中,可以使用一個雙通道 MOSFET 驅動器(例如:UCC27324)來減少組件的數量。
通過對每一個相位施加一個流限,多相控制器則可以保護控制器免于受到過載條件的損害。音頻應用具有比平均輸出功率要高很多的短暫的峰值功率需求。必須將流限設置得足夠高,以滿足這些峰值功率要求。
外部欠壓鎖定 (UVLO) 電路還提供了另一層級的保護,其可防止系統在低電池電壓狀態下運行。當電池電壓下降時,升壓電源將試圖提供盡量多的輸入電流,這樣會導致電池電量耗盡時電池電壓的急劇下降。這種情況會使電池受到損壞,最壞的情況甚至會使電池報廢。簡單且低成本的 UVLO 電路由一個參考電路、一個雙通道比較器和數個電阻器(未顯示在圖中)組成。
本設計中,四個相位均以 500 kHz 進行切換,并且分別為 90 度同步。圖2 顯示了所有四個相位的漏-源電壓波形。來自每一個相位的紋波電流在輸入端和輸出端進行求和,同時它們在輸入端和輸出端部分地互相抵消。這就同時減少了輸入和輸出電容器的 ac 紋波電流。另外,綜合紋波電流為2 MHz 時,相位頻率則是單個的四倍。

圖2:所有四個相位的漏-源電壓波形
由于降低的紋波電流以及更高的頻率,與單相解決方案相比,輸入和輸出電容量在多相解決方案中要小得多。更高效的開關頻率還允許轉換器更為快速地對負載電流的變化做出響應。
所有單個相位的功率級都是由一個電感、MOSFET、肖特基二極管和電流感應電阻組成。例如,L2、Q2、R8 和 D3 的一個引腳構成一個相位。與單相解決方案相比,其功耗更低,分布區域更廣,從而簡化了散熱管理。減少的電流和額定功率提供了一個更寬的現貨供應電感、FET 和二極管選擇范圍。驅動300-W負載的情況下,這種 4 相設計擁有 94% 的效率,從而產生低于20W的損耗。
高效率使得這種設計實現了小外形尺寸封裝。對于較輕負載功率要求而言,這種設計可以被縮減至 2 相。如果是那樣的話,推挽式或交錯式正向 PWM 控制器都可以被用來代替 TPS40090。對于一些高功率負載而言,可以增加功率組件來應對增長的電流和功耗。在確定恰當的尺寸后,4 個相位應該足以支持任何高功耗的音頻應用。
相關閱讀:
如何解決電源設計中IC驅動電流不足的問題
http://www.tiangongcn.com/cp-art/80020003
淺析幾種新型特種集成開關電源設計實例
http://www.tiangongcn.com/power-art/80019823
基于SPWM技術的陀螺電源設計
http://www.tiangongcn.com/power-art/80019761



