該逆變器電路簡單,易于調試,性能可靠,原理圖如下圖所示。逆變器主要由PWM信號發生器、電源開關電路和逆變輸出電路三部分組成。

一、PWM信號發生器
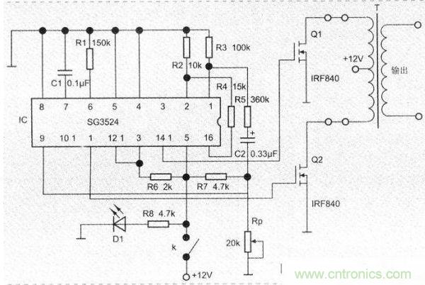
PWM信號發生器是采用美國硅通用公司(SILICon General)生產的雙端輸出式脈寬調制芯片SG3524來實現。SG3524的引腳排列及內部結構圖如圖2所示。SG3524內部集成了精密基準電源、誤差放大器、可調振蕩器、脈沖同步觸發器、輸出晶體管、高增益比較器、限流檢測放大器以及關斷電路。SG3524具有以下特點:
(1)PWM控制電路功能完善;
(2)提供推挽和單端兩種輸出模式;
(3)待機電流低,典型值為8mA;
(4)具有過電流和過熱保護功能;
SG3524的引腳功能簡介如下圖所示;


振蕩頻率為:

式中f的單位為可kHz,RT的單位為kΩ,CT的單位μF。定時電阻RT向定時電容CT提供恒定的充電電流,CT上生成的鋸齒波信號與誤差放大器輸出信號比較,由高增益比較器輸出控制脈沖,實現對脈沖寬度的控制。電容CT上的充電電流由RT決定,而CT本身容量的大小則決定了輸出脈沖的寬度。
[page]
二、電源開關電路
電路由兩個MOS場效應管組成,Ql、Q2兩個場效應管在SG3524的PWM控制脈沖的作用下,交替導通,實現了由直流電源向交流電源的逆變。
三、逆變輸出電路
主要由輸出變壓器和負載組成,其功能是經變壓器升壓后的220V交流電供給負載使用。
1、元器件選擇
IC選用SG3524普通型PWM控制器。T變壓器可以選擇一般常見的雙9V的小型變壓器,場效應管選擇IRF840,C1選用普通的瓷片電容即可。C2選擇耐壓大于25V、容量0.22~0.47μF的電解電容均可。電阻選用1/8W的小型電阻。RP可調電阻選用一般的電位器即可。詳見下表。

四、制作印制電路板
用熱轉印法制作印制電路板,制作過程:
(1)制圖。用ProteIDXP 2004 SP2按圖1畫出原理圖,從原理圖生成印制電路板圖,參考圖如下圖所示,使用單面敷鋼板,參考尺寸為:80×60mm。
(2)打印。用激光打印機將印制電路板圖打印在熱轉印紙上。
(3)加熱轉印。用細砂紙擦干凈敷銅板,磨平四周,將打印好的熱轉印紙覆蓋在敷銅板上,送入照片過塑機(調到180.5℃~200℃)來回壓幾次,使融化的墨粉完全吸附在敷銅板上。
(4)腐蝕。敷銅板冷卻后揭去熱轉印紙,放到雙氧水+鹽酸+水(2:1:2)混合液或FeC13溶液中腐蝕后即可形成做工精細的印刷電路板。
(5)鉆孔與后續處理。腐蝕完后,對電路板進行鉆孔和磨邊處理,再用濕的細砂紙去掉表面的墨粉。

[page]
五、安裝與調試
(1)元器件測試:所有的元器件分別用萬用表測試參數及辨別好壞。
(2)元器件裝配:插入集成芯片時要注意管腳位置,發光二極管、電解電容器、場效應管要注意極性,場效應管加裝散熱片。
(3)焊接:元件焊接時要依就由低到高的順序焊接,導線焊接時要預先鍍錫,焊接時間不要太長,以免把元件燙壞,但也不要時間過短,以免造成虛焊。
(4)調試:通電前除對元器件進行目觀檢查有無錯漏外,還要用萬用表的電阻擋檢查逆變器的電源輸入端,看有無短路現象,在排除了無短路故障后,方可通電進行調試。
通電時,可用萬用表電壓擋監測電源電壓,如果電壓維持在12V左右,說明電路基本正常,逆變器或負載無短路現象,若電壓低于正常值較多,可能存在有短路故障,要盡快切斷電源,查清原因,待故障排除后,方可繼續通電調試。
連接逆變輸出電路,按圖1將變壓器初級分別與場效應管Q1、Q2的漏極連接,變壓器次級與節能燈連接。
如果節能燈無法點亮,首先要檢查PWM信號發生器是否有正常的脈沖輸出。檢查的方法,可用示波器測量SG3524的第③腳,電路正常時,應該有矩形脈沖波輸出。其次要檢查逆變器的輸出端的電壓值,正常時此電壓值應該在220V左右,如果電壓太低甚至無電壓,應重點檢查電源開關電路。若節能燈暗或一閃一閃,可調節RP使燈正常工作。
六、逆變器的主要參數測試
在實際應中輸入直流電壓12V采用蓄電池,作為實訓項目測試可用直流穩壓電源。通過示波器可觀察電源開關電路場效應管Q1、Q2漏極的電壓波形、逆變器輸出電壓波形,測試時應注意示波器的探棒至衰減10倍擋,以避免電壓過高損壞儀器。
用頻率計測逆變器的輸出頻率,用萬用表測逆變器的輸出電壓有效值。逆變器的主要參數測試數據如表所示。

相關閱讀:
網友獨創:不怕停電的帶外殼逆變器設計方案
http://www.tiangongcn.com/power-art/80021579
網友熱議:光伏逆變器并網方式探討
http://www.tiangongcn.com/power-art/80021486



