【導讀】全橋式變壓器開關電源也屬于雙激式變壓器開關電源。它同時具有推挽式變壓器開關電源電壓利用率高,又具有半橋式變壓器開關電源耐壓高的特點。因此,全橋式變壓器開關電源經常用于工作電壓高,輸出大功率大的場合。本章將介紹全橋式變壓器開關電源工作原理,相關計算將在下一章進行講解。
1-8-3-1.全橋式變壓器開關電源的工作原理
圖 1-47 是全橋式變壓器開關電源工作原理圖。圖中,K1、K2、K3、K4 是4 個控制開關,它們被分成兩組;K1 和K4 為一組,K2 和K3 為另一組。開關電源工作的時候,總是一組接通,另一組關斷,兩組控制開關輪流交替工作;T 為開關變壓器,N1 為變壓器的初級線圈,N2 為變壓器的次級線圈;Ui 為直流輸入電壓,R 為負載電阻;uo 為輸出電壓,io 為流過負載的電流。

從圖1-47 原理圖中可以看出,控制開關K1 和K4 與控制開關K2 和K3 正好組成一個電橋的兩臂,變壓器作為負載被跨接于電橋兩臂的中間。因此,我們把圖1-47 的電路稱為全橋式開關電源電路。
圖 1-47 中,當控制開關K1 和K4 接通時候,電源電壓Ui 被加到變壓器初級線圈N1 繞組的a、b 兩端,同時,由于電磁感應的作用在變壓器次級線圈N2 繞組的兩端也會輸出一個與N1 繞組輸入電壓Ui 成正比的電壓,并加到負載R 的兩端,使開關電源輸出一個正半周電壓。
當控制開關控制開關K1 和K4 由接通轉為關斷的時候,控制開關K2 和K3 則由關斷轉為接通,電源電壓Ui 被加到變壓器初級線圈N1 繞組的b、a 兩端;同理,由于電磁感應的作用在變壓器次級線圈N2 繞組的兩端也會輸出一個與N1 繞組輸入電壓成正比的電壓,并加到負載R 的兩端,使開關電源輸出一個負半周電壓。
全橋式變壓器開關電源工作原理與推挽式變壓器開關電源以及半橋式變壓器開關電源的工作原理是很相似的,因此,分析方法也基本相同。下面我們進一步詳細分析全橋式變壓器開關電源的工作原理。
前七期閱讀:
專題:陶顯芳老師30年經驗大分享,開關電源設計那些事兒
http://www.tiangongcn.com/special/181
【連載7】陶顯芳老師談開關電源原理與設計
http://www.tiangongcn.com/power-art/80021940
[page]
當控制開關K1 和K4 接通時候,電源電壓Ui 被加到變壓器初級線圈N1 繞組的a、b 兩端,在變壓器初級線圈N1 繞組中將有電流經過,通過電磁感應會在變壓器的鐵心中產生磁場,并產生磁力線;同時,在初級線圈N1 繞組的兩端要產生自感電動勢e1,在次級線圈N2 繞組的兩端也會產生感應電動勢e2;感應電動勢e2 作用于負載R 的兩端,從而產生負載電流。
因此,在初、次級電流的共同作用下,在變壓器的鐵心中會產生一個由流過變壓器初、次級線圈電流產生的合成磁場,這個磁場的大小可用磁力線通量(簡稱磁通量),即磁力線的數目φ 來表示。
如果用φ1 來表示變壓器初級線圈N1 繞組電流產生的磁通量,用φ 2 來表示變壓器次級線圈電流產生的磁通量,由于變壓器初、次級線圈電流產生的磁場方向總是相反,則在控制開關K1 和K4接通期間,由流過變壓器初、次級線圈電流在變壓器鐵心中產生的合成磁場的總磁通量φ 為:
其中變壓器初級線圈電流產生的磁通φ1 還可以分成兩個部分,一部分用來抵消變壓器次級線圈電流產生的磁通φ2,記為φ10,另一部分是由勵磁電流產生的磁通,記為Δφ1。顯然φ10 =-φ2,Δφ1 = φ。即:變壓器鐵心中產生的磁通量φ,只與流過變壓器初級線圈中的勵磁電流有關,與流過變壓器次級線圈中的電流無關;流過變壓器次級線圈中的電流產生的磁通,完全被流過變壓器初級線圈中的另一部分電流產生的磁通抵消。
根據電磁感應定律可以對變壓器初級線圈N1 繞組回路列出方程:

上式中,e1 為變壓器初級線圈產生的電動勢,Uab為電源加于變壓器初級線圈N1 繞組兩端的電壓,Uab= Ui ,dφ/dt變壓器鐵心中磁通的變化率。
同樣,可以對變壓器次級線圈N2 繞組回路列出方程:

上式中,(Up)為開關變壓器次級線圈N2 繞組正激輸出電壓的幅值,用括弧匡住來表示。由于流過開關變壓器初級線圈N1 繞組的勵磁電流或開關變壓器鐵心中的磁通是線性變化的,所以我們可認為開關變壓器次級線圈N2 繞組正激輸出電壓是一個方波。方波的幅值Up 與半波平均值Upa以及有效值Uo 三者完全相等。
根據(1-180)式和(1-181)式可以求得:

(1-182)式就是全橋式變壓器開關電源正激輸出時的電壓關系式。上式中,(Up)為開關變壓器次級線圈N2 繞組正激輸出電壓的幅值;Ui 為開關變壓器初級線圈N1 繞組的輸入電壓;n 為變壓器次、初級線圈的變壓比,即:開關變壓器次級線圈輸出電壓與初級線圈輸入電壓之比,n 也可以看成是開關變壓器次級線圈N2 繞組與初級線圈N1 繞組的匝數比,即:n = N2/N1。
[page]
由此可知,在控制開關K1 和K4 接通期間,全橋式變壓器開關變壓器次級輸出的正激電壓幅值只與輸入電壓和變壓器的次/初級變壓比有關系。
同理我們也可以求得,當控制開關K2 和K3 接通時,開關變壓器N2 線圈繞組輸出的正激電壓幅值(Up-)為:

上式中的負號表示e2 的符號與(1-182)中的符號相反,(Up-)表示與(Up)的極性相反,因為Uab=-Uba。
這里還需指出,(1-182)式和(1-183)式列出的計算結果,并沒有考慮控制開關K1 和K4 或K2 和K3 關斷瞬間,勵磁電流存儲的能量產生反電動勢的影響。當控制開關K1 和K4 或K2 和K3關斷瞬間,流過開關變壓器初級線圈的勵磁電流由最大值突然下降為零,使開關變壓器鐵心中的磁通量也要跟著產生變化;即:開關變壓器的初、次級線圈中都會產生感應電動勢,這種感應電動勢是勵磁電流存儲于關變壓器鐵心中的磁能量產生的;這種感應電動勢對于變壓器次級線圈電壓輸出繞組來說,屬于反激式輸出。即:全橋式變壓器開關電源同時存在正、反激電壓輸出。
反激式電壓產生的原因是因為K1 和K4 或K2 和K3 接通瞬間變壓器初級或次級線圈中的電流初始值不等于零,或磁通的初始值不等于零。
實際上,全橋式變壓器開關電源的反激式輸出電壓部分是不能忽略的。全橋式變壓器開關變壓器次級線圈的輸出電壓應該同時包括兩部分,正激輸出電壓和反激輸出電壓。
因此,圖1-47 中,當控制開關K1 和K4 關斷,K2 和K3 接通瞬間,開關變壓器次級線圈輸出電壓應該等于正激電壓與反激電壓之和。正激電壓的計算可由(1-182)式和(1-183)式給出,反激電壓的計算可由(1-67)或(1-68)式給出。關于純電阻負載反激式輸出電壓的計算,請參考前面《1-5-1.單激式變壓器開關電源的工作原理》章節中的相關內容分析,這里不再贅述。
根據(1-67)式:

可求得,開關變壓器次級線圈N2 繞組產生的反激式輸出電壓為:

上式中,[uo] 表示開關變壓器次級線圈N2 繞組輸出的反激式電壓,[i2] 表示開關變壓器次級線圈N2 繞組輸出反激式電壓對負載R 產生的電流。
另外根據(1-183)式求得的結果,開關變壓器次級線圈N2 繞組產生的正激式輸出電壓為:

上面兩式中,[uo] 表示開關變壓器次級線圈N2 繞組產生的反激式輸出電壓,(uo)表示開關變壓器次級線圈N2 繞組產生的正激式輸出電壓。
[page]
因此,開關變壓器次級線圈輸出電壓uo 等于正激電壓(uo)與反激電壓[uo]之和,即:

(1-186)式就是全橋式變壓器開關電源在負載為純電阻時,輸出電壓uo 的表達式。由(1-186)式可以看出,當t = 0 時,即:控制開關K1 關斷瞬間,輸出電壓有最大值:

從(1-187)式可以看出,在控制開關K1 和K4 關斷瞬間,當變壓器次級線圈回路負載開路,或負載很輕的時候,變壓器次級線圈回路會產生非常高的反電動勢。
但在實際應用中,并不完全是這樣。因為,當控制開關K1 和K4 關斷瞬間,控制開關K2 和K3 也會同時接通,此時開關變壓器初級線圈N1 繞組同時也被接到另一個電路中,即:原來電源Ui 是通過K1 和K4 把電壓加到開關變壓器初級線圈N1 繞組a、b 的兩端,對開關變壓器進行供電;
當K2 和K3 接通后,電源Ui 則通過K2 和K3 把電壓加到開關變壓器初級線圈N1 繞組b、a 的兩端,開關變壓器初級線圈N1 繞組產生的反電動勢首先要通過K2 和K3 對電源Ui 進行供電,然后電源Ui 才通過初級線圈N1 繞組b、a 的兩端對關變壓器進行供電。
這樣,就相當于通過控制開關K2 和K3 與K1 和K4 不停地對開關變壓器初級線圈N1 繞組進行換相的同時,電源在開始對變壓器供電的時候,也對反電動勢進行限幅。因此,變壓器次級線圈N2 繞組輸出電壓uo 中的反激式輸出電壓 [uo],并不會像(1-186)和(1-187)算式所表達的結果那么高。
另外,全橋式變壓器開關電源與其它雙激式開關電源一樣,在設計的時候一般都把開關變壓器的伏秒容量取得很大,勵磁電流取得很小,反電動勢(反激輸出電壓)的半波平均值還是遠遠小于正激電壓的半波平均值。因此,反電動勢電壓的幅度可能很高,但能量不會很大,即:反電動勢脈沖的寬度很窄。
所以,(1-186)和(1-187)式所表示的結果,可看成是全橋式變壓器開關電源在輸出電壓中含有毛刺(輸出噪音)的表達式。
根據上面分析,在一般情況下,全橋式變壓器開關電源的輸出電壓uo,主要還是由(1-181)、(1-182)、(1-183)等式來決定。即:全橋式變壓器開關電源的輸出電壓uo,主要由開關變壓器次級線圈N2 繞組輸出的正激電壓來決定。
在實際應用中,為防止變壓器初級線圈產生的反電動勢把開關器件擊穿,降低開關器件半導通狀態期間的損耗和全橋式變壓器開關電源輸出電壓波形的反沖幅度,一般可在圖1-47 中4 個控制開關,每個控制開關的兩端都并聯一個阻尼二極管,請參考圖1-29 和圖1-38 及相關說明。全橋式變壓器開關電源的交流輸出波形與推挽式變壓器開關電源以及半橋式變壓器開關電源的交流輸出波形也基本相同,請參考圖1-28 和圖1-37及相關說明。
[page]
1-8-3-2.整流輸出全橋式變壓器開關電源
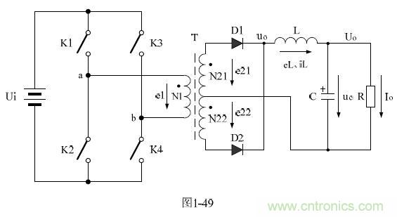
圖 1-48 是全波整流輸出全橋式變壓器開關電源工作原理圖;圖1-49 是輸出電壓可調的全橋式變壓器開關電源工作原理圖。


相關閱讀:
工程師實戰經驗:PSR開關電源設計的“獨特”方法
http://www.tiangongcn.com/power-art/80022036
大牛獨創(五):反激式開關電源設計方法及參數計算
http://www.tiangongcn.com/power-art/80021975
由簡到難,大師教你一步一步設計開關電源
http://www.tiangongcn.com/power-art/80021972
PCB布局該這么做!150W LED驅動電源拆解學習
http://www.tiangongcn.com/power-art/80021947




