在三端精密穩壓器內部有溫度補償的高精度并聯放大器,其內部基準電壓精度非常高,所有產品的典型值均為2.495V,而其誤差電壓范圍允許為2.44~2.55V,允許工作溫度范圍用尾綴字母表示,C為-10~85攝氏度,I為-40~85攝氏度,M為-55~125攝氏度。所以,無論是精度還是穩定度均非普通穩壓二極管所能達到的。
在使用TL431進行設計時,我們要注意,為了讓TL431內部的放大器處于線性區,要讓Uka=Uref。Ika大于1mA,內部放大器的電壓小于37V,其最大功耗為500mW~1W。一般開關電源中的誤差放大器,功耗是不可能達到500mW的。
TL431的用法很多,如果將R端與K端連接,即等效一只2.5V/100mA的高精度穩壓二極管。另外,TL431還可以組成2.5V~36V的可調并聯穩壓電源。由TL431組成的取樣電路,由于其內部比較器具有極高的增益,在使放大器動作時,取樣電路僅需輸入4微安以下的電流即可,因此對取樣分壓器的影響極小。

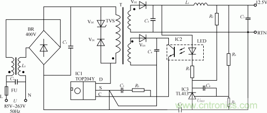
TL431在開關電源當中取樣和誤差放大的典型應用電路圖如上圖所示。開關電源輸出電壓Uo由R1、R2分壓,正常時得到2.5V的取樣電壓,送到TL431的控制端R。因為R端電流極小,可以忽略,因而R1、R2的取值可以按輸出電源Uo與2.5V之比選取,即Uo=2.5*(1+R1/R2)。當Uo上升時,R端電壓升高,Ika增大,光耦合器發光二極管電流也增大,通過光耦合器次級控制開關脈沖的脈寬減小,輸出電壓降低,起到了穩定輸出電壓的作用。
在我們想要對TL431的電路進行檢測時,使用傳統的電阻法是無法準確判斷出好壞的。因為三端精密穩壓器為集成電路,等效電路只是示意其內部功能,實際內部電路較為復雜。當開關電源出現失控或無輸出電壓故障時,如果懷疑取樣誤差放大器發生故障,可根據上圖中的電路檢測TL431。Ui選擇小于35V的直流電壓,R1將電路短路電流限制在100mA以內,R2、R3為控制極供電調整,選擇R3/R2+R3大于或等于2.5。當調整R3時,Uo能在2.5V~Ui之間均勻變化,則判斷三端精密穩壓器TL431完全正常。
相關閱讀:
從構思到實踐——如何完成開關電源的合理設計
解析室外LED顯示屏開關電源設計理念



