【導讀】改變繞組模式后及時調整計算方法的情況,不僅適用于接地變壓器,工程師在進行其他變壓器容量計算時也需要充分的考慮到這種情況并及時改變計算方法,這樣才能精準的計算出變壓器最大容量并進行有效選擇。既然真這么好,那么如何改變繞法呢?
自20世紀90年代來以來,中國的電力系統中35千伏、10千伏的電網一般都采用中性點不接地的運行方式,變壓器容量計算也是基于接地的情況下進行數值代入計算,一般沒有什么較大的數值變動。而最近幾年中,隨著城網電纜線路劇增,電網的對地電容電流也迅速上升。因此,這種情況下很容易產生電弧接地過電壓,對整體電網的安全性能危害很大。因此,工程師就需要及時的改變變壓器接法,并及時調整容量計算方法。
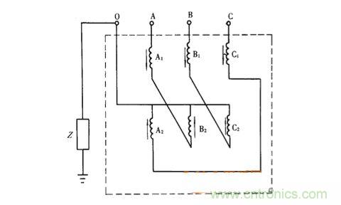
通常情況下,工程師想要有效的抑制弧光接地過電壓,就必須改電網中性點不接地系統為中性點經電阻接地或經消弧線圈接地。眾所周知,接地變壓器的功能是為中性點不接地系統,引出一個中性點。通過這種獨有的功能,它可以在電網正常運行時有很高的勵磁阻抗,繞組中只流過較小的勵磁電流或因中性點電壓偏移引起的持續電流。當系統發生單相接地故障時,接地變壓器繞組對正序、負序都呈現高阻抗,而對零序電流則呈低阻抗,這一零序電流經過接地變壓器中性點電阻或消弧線圈起到減小電網的接地電流和抑制過電壓的發生。為此,該接地變壓器的結構就必須采用曲折形的繞組聯結法,并在中性線處引出中性點套管,以加裝消弧線圈或接地電阻。其聯結圖如圖1所示。

圖1 曲折形繞組聯結圖
從上圖中我們可以看到,此種接地變壓器由6個繞組組成的。其中,每一個鐵心柱上有2個繞組,然后反極性串聯成曲折形的星形繞組。即A1繞組的末端與B2繞組的末端相連,同樣,B1繞組末端與C2繞組末端,C1繞組末端與A2繞組末端相連,然后A2、B2、C2的首端相連則形成曲折變壓器的中性點。

圖2 各繞組間的相量關系
從圖2中我們可以看到,三個繞組之間的電壓值為10500V,則其相電壓符合星形繞組聯結法應為6070V。此時,工程師就需要依據具體的繞法進行數值計算,也就是說,現在每一繞組的電壓就不應為6070V/2,因為每相繞組中的兩個繞組的夾角是120°,故每個繞組的電壓應是3505V。在電壓保持穩定的情況下,采用該種繞法可以有效的提升整體電網系統的安全性能。


