【導讀】針對當前市場需求和最新的USB標準,安森美半導體宣布攜手偉詮電子合作推出全系列USB PD壁式充電器參考設計,包括支持USB Type-C接口PD 3.0和高通Qualcomm Quick® Charge 3.0TM Class A快充協議的45 W USB PD 3.0電源適配器方案。
USB Type-C、USB PD和QC 3.0簡介
USB Type-C 是新一代通用串行總線連接器、端口和電纜規范,支持雙向電源和正反逆插,支持更高的充電功率和達10 Gbps的數據傳輸速率,被越來越廣泛地應用于便攜式設備。
USB PD全稱USB Power Delivery,即USB功率傳輸協議,支持數據通信和高達100 W的功率傳輸,啟動時默認支持5 V@3A,可根據需要調至27 W、45 W、60 W、100 W等,并支持額外的功率和電壓選擇。USB PD 3.0是USB-IF組織發布的最新協議,旨在一統快速充電技術規范的可編程電源(PPS,Programmable Power Supply)。USB PD3.0輸出電壓范圍從5V擴展到3 V至21 V,步進調幅電壓為20 mV。
QC 3.0是高通第三代快充技術,其支持的總線電壓(VBUS) 范圍,Class A為3.6 V至12 V,Class B為3.6 V至20 V。QC 3.0在分立模式下等同于QC 2.0,以0 V、0.6 v、3.3 V三級邏輯通過靜態D+/D- 值選擇VBUS;在連續模式下,新的QC 3.0以200 mV小步幅增加或降低VBUS,讓便攜式設備選擇最適合的電壓達到理想充電效率,更具靈活性,其最大負載電流限制為3 A,最高功率可達60 W。高通的快充技術如今已發展到第四代即QC4,電壓檔細分為以20mV為一檔,同時支持USB PD。
45 W USB PD 3.0電源適配器方案實現緊湊、高能效的設計
安森美半導體和偉詮共同推出的45W USB PD 3.0電源適配器方案涵蓋5V/3A、9V/3A、12V/3A、15V3A 、20V/2.25A的PD 3.0規格和3.6 V至12 V/3 A的QC 3.0 Class A規格,額定輸出功率45 W,平均能效超過90%,待機功耗低于30 mW,符合最新的能效標準,且占板尺寸僅57mmx36mmx19mm,功率密度達1.15W/cm3,此外,該方案還集成全面的保護機制,包括自適應的輸出過壓保護、欠壓保護、過流保護、短路保護、電纜壓降補償、開環保護等,在實現高能效和高功率密度的同時確保高可靠性,工程師采用該方案可輕松設計出支持PD 3.0或QC 3.0的高能效、高功率密度和高度可靠的電源適配器,用于智能手機、平板電腦和筆記本電腦等應用。
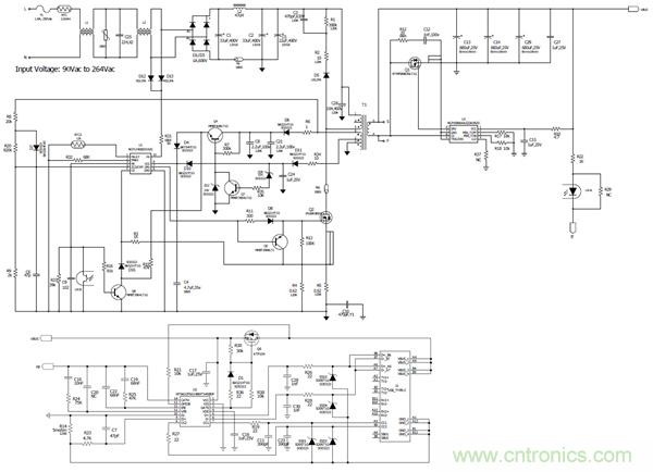
該設計主要采用安森美半導體的初級端高頻準諧振反激式PWM控制器NCP1340、次級端同步整流控制器NCP4306、同步FET NTMFS6B03、開關FET ATP104和偉詮的PD3.0協議控制器WT6632F/WT6615F。方案框圖如圖1所示。

圖1:45 W USB PD3.0電源適配器方案框圖
準諧振反激+同步整流的架構有利于實現高功率密度和高能效。在該方案中,安森美半導體的NCP1340采用準諧振電流模式控制,工作頻率高達150 KHz,集成X電容放電功能和新一代跳周期模式,谷底鎖定開關運行機制避免因谷底數不穩定所產生的音頻噪聲問題,配以同步整流控制器NCP4306,通過超快關斷觸發、極短導通延時和強大的驅動能力降低整流二極管導通損耗。同步FET NTMFS6B03導通電阻低至4.8 m?,最大限度地降低導通損耗,低門極電荷和電容最大限度地降低驅動損耗。而輸出FET采用單P溝道ATPAK功率MOSFET ATP104,具備低導通電阻、大電流、纖薄的封裝和4.5 V驅動能力。
偉詮的USB PD控制器WT6632F/WT6615F支持USB PD 3.0規范和QC 3.0,用于USB Type-C DFP下行端口(源)充電應用,通過集成USB PD基帶物理層、Type-C檢測、并聯穩壓器、電壓和電流檢測、負載開關的MOSFET控制器和8位微處理器,最大限度地減少外部元件數,實現小外形和低物料單(BOM)成本,支持3 V至30 V的寬工作電壓范圍,無需外部LDO,多次可編程的ROM可用于編輯程序代碼及用戶配置數據。

圖2:45 W USB PD3.0電源適配器方案電路原理圖
該方案在230 Vac、滿載條件下的開關頻率高達約130 KHz。
能效和性能測試
我們在90 Vac、115 Vac、230 Vac、264 Vac 條件下,測得該方案于5 V輸出(電纜未插入)的待機功耗都低于27 mW,在評估板端測得在115 Vac和230 Vac的條件下,20 V/2.25 A輸出的平均能效超過90%。

圖3:能效測試曲線
當拔除電纜時, MOSFET快速關斷,當再次插入電纜、總線電壓Vbus降至5 V時,MOSFET快速導通。此外,我們在上述所有條件下測得的紋波和噪聲都低于100 mV, 動態性能出色,散熱性良好。


圖4:熱圖像@20V2.25A
現已被安森美半導體收購的Fairchild與偉詮合作推出經實踐證實的高能效方案仍將提供給客戶,且配備相應的評估板和使用指南:
支持USB PD 2.0的24 W電源適配器方案,輸出電壓涵蓋5 V、9 V、12 V,采用離線準諧振PWM控制器FAN602MX、次級端同步整流控制器FAN6240M6X和偉詮的USB PD控制器WT6630P
支持USB PD 3.0+PPS的25 W電源適配器方案,輸出電壓涵蓋5 V、9 V,采用離線準諧振PWM控制器FAN604HMX、次級端同步整流控制器FAN6240M6X和偉詮的USB PD控制器WT6615F
支持USB PD 3.0+QC 3.0的65 W電源適配器方案,采用離線準諧振PWM控制器FAN604HMX、次級端同步整流控制器FAN6240M6X和偉詮的USB PD控制器WT6632F/WT6615F。
總結
USB Type-C接口和USB PD協議將成為市場的主流。安森美半導體利用在電源半導體領域的專長和偉詮在USB PD領域的領先技術,合作推出全系列USB PD壁式充電器參考設計以滿足市場需求。其中,45 W USB PD3.0電源適配器方案,支持USB Type-C PD 3.0和QC 3.0協議,工作頻率高達150KHz,功率密度達1.15 W/cm3,待機功耗低于30 mW,完全符合各項能效標準,且具備高達90%的平均能效,和出色的紋波及動態性能,使設計人員能快速設計出支持USB PD 3.0和QC 3.0的緊湊和高能效的電源適配器,用于智能手機、平板電腦和筆記本電腦等應用。此外,該方案還易于擴展輸出功率至60 W。


