【導讀】基準電壓源是精密的模擬集成電路,您無法(或者說很難)從基準電壓源獲取電流。如果您需要精密電壓和少量電流,則需要一個帶有外部元件的外部 LDO 以及 PCB 空間。
Refulator™ 提供了一種解決方案,這是一種能夠驅動電流的高精度基準電壓源。今天就由 ADI 的資深設計工程師 Michael Anderson(他擁有16項專利)為大家介紹采用 Refulator 的優點吧~
LT6658——基準電壓源質量的低漂移穩壓器
LT6658是一款精密低噪聲、低漂移穩壓器,具有專用基準電壓源的精度規格和線性穩壓器的功率能力——二者的優點結合為ADI 的 Refulator技術。LT6658的漂移為10 ppm /°C,初始精度為0.05%,兩路輸出分別支持150 mA和50 mA,每路輸出均有20 mA的有源吸電流能力。為了保持高精度,負載調整率為0.1 ppm/mA。當輸入電壓源引腳連接在一起時,電壓調整率典型值為1.4 ppm/V,而當為輸入引腳提供獨立電源時,電壓調整率小于0.1 ppm/V。
為了更好地理解LT6658的特性以及它如何達到如此高的性能水平,圖1顯示了一個典型應用。LT6658由一個基準電壓級、一個降噪級和兩個輸出緩沖器組成。基準電壓和兩個輸出緩沖器分開供電,以實現優異的隔離。每個輸出緩沖器都有一個開爾文檢測反饋引腳,以提供最佳負載調整。

圖1. 典型應用
降噪級由一個400 Ω電阻和一個用于連接外部電容的引腳組成。該RC網絡充當低通濾波器,用來限制基準電壓級的噪聲帶寬。外部電容可以任意大,以便將噪聲帶寬降至非常低的頻率。
快速安靜的負載階躍響應
作為穩壓器,LT6658從VOUT1_F引腳提供150 mA電流,并具有出色的瞬態響應性能。圖2a顯示了器件對1 mA負載階躍瞬態(從10 mA到11 mA)的響應;圖2b顯示了器件對140 mA負載階躍瞬態(從10 mA到150 mA)的響應。輸出緩沖器的出電流和吸電流能力支持輸出快速建立。瞬態響應時間很短,同時保持出色的負載調整。負載調整率典型值為0.1 ppm/mA。第二路輸出VOUT2_F具有類似的響應性能,最大負載為50 mA。

圖2a. 1 mA負載階躍響應

圖2b. 140 mA負載階躍響應
輸出跟蹤
對于使用不同基準電壓的多轉換器應用,即使輸出設置為不同的電壓,LT6658的輸出也會跟蹤,確保轉換結果一致。這之所以可能,是因為LT6658的兩路輸出由一個公共電壓源驅動。輸出緩沖器經調整,實現出色的跟蹤和低漂移。當VOUT1_F上的負載從0 mA增加到150 mA時,VOUT2輸出變化小于12 ppm,如圖3所示。也就是說,即使負載和工作條件改變,輸出之間的關系也能得到很好地保持。

圖3. 通道間的負載調整(已消除發熱影響)
電源抑制和隔離
無論是用戶通過拍照上傳的內容、自定義頭像,還是文章評論的圖片,圖片智能鑒黃接口都能夠進行主動識別及獲取色情量化程度信息,實現精準快速的色情傾向判斷。
為了幫助實現出色的電源抑制和輸出隔離,LT6658提供三個電源引腳。VIN引腳為基準電壓電路供電,而VIN1和VIN2分別為VOUT1和VOUT2供電。最簡單的方法是將所有三個電源引腳連接在一起,提供1.4 ppm/V的典型直流電源抑制能力。當電源引腳分別連接且VIN1電源切換時,VOUT2的直流電壓調整率為0.06 ppm/V。
表1總結了每個電源引腳從5 V變為36 V時的電源抑制情況。VIN電源的靈敏度最高,引起的輸出典型變化為1.4 ppm/V。電源引腳VIN1和VIN2幾乎無影響。VIN1和VIN2欄中的測量結果是輸出噪聲電平。

表4所示為交流PSRR的兩個例子。第一個例子在NR引腳上有一個1 μF電容,第二個例子在NR引腳上有一個10 μF電容。較大的10 μF電容將107 dB抑制能力擴展到2 kHz。

圖4. 電源紋波抑制
圖5顯示了從VIN1到VOUT2的交流通道間電源隔離。當CNR = 10 μF時,100 kHz以上頻率的通道間電源隔離大于70 dB。

圖5. 通道間VOUT1至VOUT2隔離
負載瞬變對相鄰輸出的影響極小。圖6a和圖6b顯示了通道間輸出隔離。在一路輸出以50 mV rms擺動的同時,繪制另一路輸出的變化。

圖6a. 通道間VOUT1至VOUT2負載調整率

圖6b. 通道間VOUT2至VOUT1負載調整率
使用圖7所示電路可以實現非凡的交流PSRR。VOUT1輸出引導電源VIN和VIN2,產生一個遞歸基準電壓源。

圖7a. 遞歸基準電壓源解決方案(VOUT1為VIN和VIN2供電)

圖7b. 遞歸基準電壓源電路的交流PSSR
電源管理和保護
三個電源引腳有助于管理封裝的功耗。當提供大電流時,應降低電源電壓,以盡量減少LT6658的功耗。輸出器件上出現的電壓會較小,從而降低功耗并提高效率。
輸出禁用引腳OD用于關閉輸出緩沖器,并將VOUT_F引腳置于高阻態。這在發生故障時很有用。例如,負載可能會受損并短路。此事件可以被外部電路檢測到,兩路輸出均可禁用。此特性可以忽略,當OD引腳懸空或接高電平時,弱上拉電流將使能輸出緩沖器。
LT6658采用16引腳MSE裸露焊盤封裝,θJA低至35°C/W。當電源電壓較高時,功率效率較低,導致封裝過熱。例如,滿載時32.5 V電源電壓會在輸出器件上產生30 V × 0.2 A的多余功率。6 W的多余功率會將芯片內部溫度提升到環境溫度之上210°C,非常危險。為了保護器件,當芯片溫度超過165°C時,熱關斷電路會禁用輸出緩沖器。
噪聲
對于數據轉換器和其他精密應用,噪聲是一個重要考慮因素。在NR(降噪)引腳上增加一個電容,可以使低噪聲LT6658的噪聲進一步降低。NR引腳上的電容與片內400 Ω電阻形成一個低通濾波器。大電容會降低濾波器頻率,從而降低總積分噪聲。圖8顯示了增大NR引腳上電容值的影響。使用10 μF電容時,噪聲滾降至7 nV/√Hz左右。

圖8. 通過增大CNR降低噪聲
通過增大輸出電容,可以進一步降低噪聲。當NR和輸出電容均增大時,輸出噪聲可降至幾微伏。輸出電容在1 μF到50 μF之間時,LT6658可保持穩定。如果并聯1 μF陶瓷電容,則輸出在大電容下也能保持穩定。例如在圖9a所示電路中,1 μF陶瓷電容與100 μF聚合鋁電容并聯。

圖9a. 通過增大C1降低噪聲
這種配置在降低噪聲帶寬的同時仍能保持穩定。圖9b顯示了不同輸出電容值對應的噪聲響應。在所有三種情況下,都有一個1 μF小陶瓷電容與較大電容并聯。

圖9b. 通過增大C1降低噪聲
這種方案的一個缺點是噪聲峰化,這可能會增加總積分噪聲。為降低噪聲峰化,可以插入一個1 Ω電阻與大輸出電容串聯,如圖10a所示。輸出電壓噪聲和總積分噪聲分別如圖10b和10c所示。

圖10a. 通過增加一個1 Ω電阻與C2串聯來降低噪聲峰化

圖10b. 通過增加一個1 Ω電阻與C2串聯來降低噪聲峰化

圖10c. 通過增加一個1 Ω電阻與C2串聯來降低噪聲峰化
應用
LT6658可為許多要求苛刻的應用提供安靜精準的電源。在混合信號領域,數據轉換器常常由微控制器或FPGA控制。圖11顯示了基本原理。傳感器向模擬處理電路和轉換器提供信號,所有這些都需要干凈的電源。微控制器可能有多個電源輸入,包括模擬電源。

圖11. 混合信號應用
作為一般規則,微控制器的高噪聲數字電源電壓應與干凈精密的模擬電源和基準電壓源隔離。LT6658的兩路輸出提供出色的通道間隔離、電源抑制和電源電流能力,確保為多個敏感模擬電路提供干凈電源。
LT6658也非常適合工業環境,因為它可以采用高噪聲供電軌工作,并且一路輸出上的轉換造成的負載毛刺對相鄰輸出影響很小。此外,當一路輸出上的負載需要電流時,相鄰輸出會繼續跟蹤。
圖12顯示了一個實際例子,其中 LTC2379-18 高速ADC電路采用LT6658供電。VOUT2上的開爾文檢測輸入配置為將2.5 V輸出提升至4.096 V基準電壓,并為輸入放大器 LTC6362 提供共模電壓。VOUT1提升至5 V, 為需要5 V電源的LTC6362和其他模擬電路供電。LT6658兩路輸出分別在VOUT1和VOUT2上具有150 mA和50 mA的最大負載。

圖12. 數據采集解決方案
表2. 來自圖12的數據采集電路示例

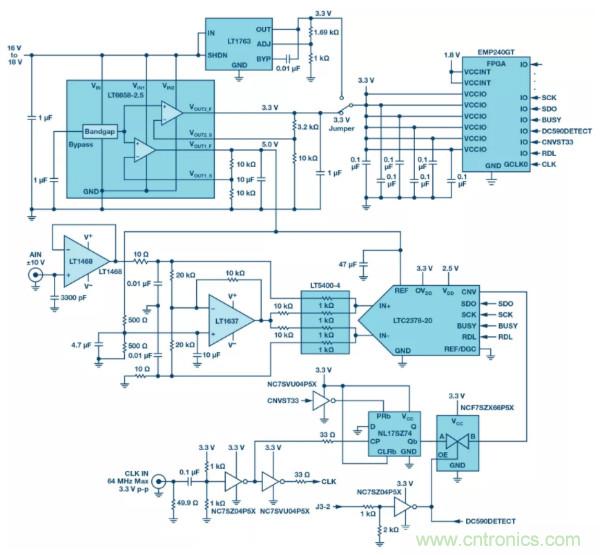
圖13中的電路展示了LT6658如何為高噪聲數字電路供電,同時為精密ADC提供安靜精確的基準電壓。在此應用中,LT6658或單獨LDO的一個通道為高噪聲FPGA (VCCIO)和其他一些邏輯提供3.3 V電源,另一個通道為20位ADC的基準輸入提供5 V電源。

圖13. 高噪聲數字測試示例電路
通過在LT6658和LDO之間切換數字供電電路,我們可以評估LT6658將一個通道上的數字噪聲與另一個驅動20位ADC的安靜基準輸入的通道相隔離的能力。在ADC輸入端使用一個干凈的直流電源,可以推斷出噪聲,如圖14所示。直方圖顯示LT6658或LDO為FPGA的VCCIO引腳供電的結果沒有明顯差異,證明LT6658具有穩健的調節和隔離能力。

圖14. 圖13所示電路的測試結果直方圖
結語
LT6658是基準電壓源和穩壓器發展的下一步。對精密模擬電源而言,從單個封裝提供200 mA組合電流的精密性能和能力是一種范式轉變。噪聲抑制、通道間隔離、跟蹤和負載調整,使該產品成為精密模擬基準電壓源和電源解決方案的理想之選。采用這種新方法,應用不需要犧牲精度或功耗。
推薦閱讀:




