【導讀】如今,人們期望電池充電器能夠容易地支持多種化學組成并接受眾多的電壓輸入,包括廣泛的太陽能電池板。輸入電壓范圍覆蓋到輸出電池電壓以上和以下的情況越來越常見,因而需要其兼具降壓和升壓能力 (降壓-升壓拓撲)。
如今,人們期望電池充電器能夠容易地支持多種化學組成并接受眾多的電壓輸入,包括廣泛的太陽能電池板。輸入電壓范圍覆蓋到輸出電池電壓以上和以下的情況越來越常見,因而需要其兼具降壓和升壓能力 (降壓-升壓拓撲)。LTC4020 降壓-升壓型電源管理器和多化學組成電池充電控制器能接受 4.5V 至 55V 的寬范圍輸入,并產生高達 55V 的輸出電壓。其降壓-升壓型 DC/DC 控制器可向電池和系統提供高于、低于或等于器件輸入的電壓。
充電器可容易地針對多種電池化學組成進行優化。例如:其可遵循一種恒定電流 / 恒定電壓 (CV/CC) 充電算法,采用 C/10 或定時終止 (針對基于鎳的電池系統);一種采用定時終止的恒定電流 (CC) 特性;或者一種優化的 4 步、3 級鉛酸電池充電模式。
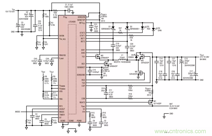
用于 25.2V 電池浮動電壓的 6.3A 充電器
圖 1 示出了一個 15V 至 55V 輸入、25.2V/6.3A 降壓-升壓電池充電器,其具有一個高效率四開關 (M2~M5) 同步降壓-升壓型 DC/DC 轉換器,僅需一個電感器 (L1)。專有的平均電流模式架構采用兩個檢測電阻器 (RCBRT1 和 RCBRB1) 來監視電感器電流。在該降壓-升壓型解決方案中,當 VIN高于 VOUT時,轉換器在降壓模式工作;當 VIN 低于 VOUT 時,轉換器則工作在升壓模式。當 VIN 接近 VOUT 時,轉換器工作于四開關降壓-升壓模式。

Image removed.圖 1:15V 至 55V 輸入、25.2V/6.3A 降壓-升壓型電池充電器

圖 2:針對圖 1 轉換器的效率與負載電流 IOUT 之關系曲線 (VOUT = 25.2V)
轉換器以一個可編程的恒定開關頻率運作,該頻率處于 50kHz 至 500kHz 的范圍內,采用一個電阻來設定 (R13 = 100k,250kHz)。圖 1 示出的這款解決方案能夠為系統負載提供高達 8A (VOUT= 25.2V)。如圖 2 所示,滿負載效率 (IOUT = 8A,VIN = 24V) 可達 98% 以上。
LTC4020 采用一個從 BAT 引腳引出的外部反饋電阻分壓器以通過 VFB 引腳來設置電池電壓。PowerPath™ (電源通路) FET (M1) 在正常電池充電期間處于導通狀態,可能的情況下會在電池與降壓-升壓型轉換器輸出之間形成一種低阻抗連接。電池充電電流通過一個檢測電阻 (RCBAT1) 來監視。最大平均電池充電電流可容易地通過選擇 RCBAT1 的阻值來設置。動態電流限值調整可以通過 RNG/SS 引腳實現。
利用 PowerPath FET 實現即時接通和理想二極管功能
對于一個嚴重放電的電池,LTC4020 能夠自動地將 PowerPath FET (圖 1 中的 M1) 配置為一個線性穩壓器,從而允許降壓-升壓型轉換器輸出升至高于電池電壓,同時仍然向電池提供充電電流。該功能被稱為 PowerPath 即時接通,此時 PowerPath FET 充當一個高阻抗電流源,負責為電池提供充電電流。
當電池充電器不處于充電周期時 (即是降壓-升壓型轉換器專為系統負載而運作),LTC4020 自動地把 PowerPath FET 配置為一個理想二極管。這允許電池在正常操作期間與轉換器輸出保持斷接。然而,假如系統負載電流超過了降壓-升壓型轉換器的供電能力,則可通過該理想二極管有效地從電池抽取額外的功率。
其他特點
LTC4020 支持基于定時器的充電算法,一個連接在 TIMER 引腳和地之間的電容器負責設置充電周期的完結。
LTC4020 具有電池溫度監視和控制功能。通過把一個 NTC (負溫度系數) 熱敏電阻連接至 NTC 引腳,并將該熱敏電阻布設在電池組 (或其他需要的監視位置) 之附近,如果 NTC 引腳電壓超出范圍 (高于 1.35V 或低于 0.3V),則 LTC4020 將觸發一個 NTC 故障并停止電池充電。
LTC4020 具有兩個集電極開路輸出 (STAT1 和 STAT2),用以報告充電器狀態和故障狀況,這兩個引腳進行了二進制編碼。
結論
LTC4020 是一款通用的高電壓、高效率降壓-升壓型電源管理器和多化學組成電池充電器,支持輸入電壓高于、低于或等于輸出向電池或系統供電。其扁平的 (僅高 0.75mm) 耐熱性能增強型 38 引腳 5mm x 7mm QFN 封裝適合于便攜式工業和醫療設備、太陽能供電型系統、軍用通信設備、以及 12V 至 24V 嵌入式汽車系統。
(來源:亞德諾半導體)



