【導讀】車輛跟蹤系統(VTS)通常安裝在汽車和卡車中。VTS使用全球定位系統(GPS)等技術提供有關車輛的速度、位置和方向的實時信息。
要確保VTS可靠工作,需要配備穩健的DC-DC電源。電源的設計必須能夠防止系統出現常見的汽車故障,如負載突降、冷啟動、反極性以及ISO 7637-2和ISO 16750-2中描述的其他具有破壞性的潛在瞬變。
此外,如果車輛掉電,系統必須能夠切換至備用電池以確保持續運行。最后,汽車電源必須符合汽車電磁干擾(EMI)標準,特別是CISPR 25的要求。
為了應對這些挑戰,ADI公司開發了EVAL-ADVTS4152-EBZ電源解決方案,這是一款適用于車輛跟蹤系統的高性能、簡化電源解決方案。

圖1.EVAL-ADVTS4152-EBZ電源解決方案評估板
集成解決方案
EVAL-ADVTS4152-EBZ電源解決方案集成三個主模塊:LT4356-1浪涌抑制器、高效LT8609A降壓穩壓器和LTC4040電池備用電源管理器。這三個模塊相互配合,向VTS等下游電子設備提供可靠高效的電源。
EVAL-ADVTS4152-EBZ與標稱12 V或24 V系統兼容,旨在提供輸出5 V、3 A連續電流。當汽車電池掉電時,系統會自動從單節鋰離子電池(Li-Ion)或磷酸鋰鐵(LiFePO4)電池切換到備用電源。

圖2.EVAL-ADVTS4152-EBZ功能框圖
表1.EVAL-ADVTS4152-EBZ電氣規格

浪涌抑制器
要設計一款能夠應對高壓瞬變的汽車電源極具挑戰性,因為需要這樣一款器件,既能耗散多余電力,同時不會損壞敏感的電子器件。EVAL-ADVTS4152-EBZ電源解決方案中的LT4356-1浪涌抑制器就可以保護系統免受高壓瞬變的影響,在高壓瞬變期間仍可持續運行。
LT4356-1驅動一個作為調整管的外部N溝道、金屬氧化物半導體場效應晶體管(MOSFET)(參見圖3)。在正常工作模式下,LT4356-1使MOSFET完全開啟,并提供從輸入到下游負載的低阻抗路徑。如果輸入電壓浪涌過高,LT4356-1就會控制MOSFET的柵極,并將輸出電壓調節至由OUT引腳到地之間的R33和R34電阻分壓器設定的安全電壓電平。MOSFET保持開啟狀態,直到接地的TMR引腳處連接的電容電荷(CTMR)達到1.35 V。此時,GATE引腳拉低,使MOSFET關閉。
負載突降
負載突降是高壓瞬變的一個示例。當交流發電機在汽車電池充電期間與電池斷開連接,造成電壓浪涌時,就會發生負載突降。EVAL-ADVTS4152-EBZ使用LT4356-1浪涌抑制器保護敏感的汽車電子部件,可避免這種瞬態情況的影響。
測試設置
我們使用DC1950A負載突降生成器生成負載突降測試脈沖,并通過EVAL-ADVTS4152-EBZ輸入傳送。然后在EVAL-ADVTS4152-EBZ的輸出施加一個1 A恒流負載。圖4顯示負載突降測試設置。

圖3.LT4356-1浪涌抑制器

圖4.負載突降測試設置
如圖5所示,實際浪涌波形顯示在通道2 (C2),浪涌電壓為105.6 V,衰減約400 ms。輸出電壓保持在5 V,顯示在通道 3 (C3),表示電源未中斷。在圖5中,LT4356-1響應也顯示在通道1 (C1)。波形中的平坦區域表明芯片正在將電壓調節到所需的38 V鉗位電壓(見圖5)。

圖5.EVAL-ADVTS4152-EBZ在高瞬態電壓下的響應
降壓穩壓器
將LT4356-1的輸出連接到LT8609A高效率降壓穩壓器的輸入(見圖6)。LT8609A具有3.0 V~42 V的寬輸入范圍。RT和地之間連接一個電阻,用于設置開關頻率。用戶通過SYNC引腳使能擴頻調制,以實現低EMI運行。
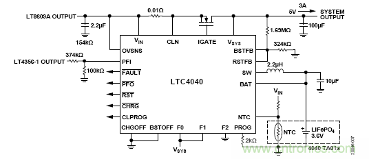
電池備用電源管理器
為確保VTS連續工作,還必須提供一個備用電源,在汽車電池掉電時供電。EVAL-ADVTS4152-EBZ有一個LTC4040高電流、升壓DC-DC穩壓器,通過單節鋰離子電池或LiFePO4電池提供備份電源(見圖7)。
當LT4356-1的輸出降至1.2 V電源失效輸入(PFI)閾值以下時,2.5 A升壓穩壓器通過備用電池向下游負載供電。

圖6.LT8609A降壓穩壓器

圖7.LTC4040電池備用電源管理器
正常模式到備用電池模式
為了仿真掉電情況,斷開EVAL-ADVTS4152-EBZ輸入端的電源,查看從正常工作模式到備用電池模式的過渡波形。圖9顯示了測試設置。該仿真測試還顯示了EVAL-ADVTS4152-EBZ如何在冷啟動等欠壓瞬變情況下繼續運行。
在圖8中,標稱12 V輸入顯示在通道1 (C1)。通道3 (C3)中顯示的系統輸出表明,當12 V輸入下降時,5 V輸出未中斷。此結果也表明在冷啟動瞬變情況下,EVAL-ADVTS4152-EBZ仍可連續運行。

圖8.EVAL-ADVTS4152-EBZ在掉電情況下的響應(VIN = 12 V和VOUT = 5 V)
選擇電池充電電壓
當汽車電池電源可用時,升壓穩壓器將作為降壓電池充電器反向運行。充電電壓可根據電池類型通過用戶可選引腳配置。LTC4040為兩種化學電池(鋰離子電池和LiFePO4)各提供四種不同的充電電壓選項,這些選項可通過S1、S2和S3滑動開關輸入進行選擇。表2顯示了為兩種電池選擇充電電壓的開關配置。

圖9.掉電情況仿真測試設置
表2.備用電池的充電電壓設置

熱關斷配置
如果需要防止異常高的直流電壓,EVAL-ADVTS4152-EBZ還有一個可選的ADT6401引腳可選溫度開關,可用于提供過溫保護。有關基準電壓源的詳情,請參見EVAL-ADVTS4152-EBZ, UG-1916中的ADT6401原理圖。
預合規測試
ISO 7637-2:2011和ISO 16750-2:2012標準
ISO 7637-2:2011和ISO 16750-2:2012標準描述了可能的瞬變情況并指定了瞬變仿真測試方法。需要滿足的測試要求如圖10所示,供參考。

圖10.ISO 7637-2和ISO 16750-2測試要求
CISPR 25電磁輻射和傳導輻射
CISPR 25是一項汽車標準,針對車載接收機規定了防電磁輻射和傳導輻射保護要求。圖11和圖12顯示了EVAL-ADVTS4152-EBZ的輻射EMI性能。圖13和圖14顯示了傳導EMI性能。圖11至圖14中的紅線表示CISPR25 5類電磁輻射和傳導輻射峰值限值。

圖11.輻射EMI性能,水平極化

圖12.輻射EMI性能,垂直極化

圖13.傳導EMI性能,正極性

圖14.傳導EMI性能,負極性
參考文獻
LT4356-1數據手冊。ADI公司。
LT8609A數據手冊。ADI公司。
LTC4040數據手冊。ADI公司。
EVAL-ADVTS4152-EBZ電源解決方案用戶指南(UG-1916)。ADI公司。
2019年8月,《模擬對話》第53卷,適用于惡劣汽車環境的綜合電源系統設計占用極小空間,節省電池電量,并提供低EMI特性。ADI公司。
技術文章,低靜態電流浪涌抑制器:符合ISO 7637-2和ISO 16750-2要求的可靠汽車電源保護。ADI公司。
©2020 Analog Devices,Inc.保留所有權利。商標和注冊商標屬各自所有人所有。
推薦閱讀:


