【導讀】為升壓調節器選擇IC的過程與降壓調節器不同,主要區別在于所需輸出電流與調節器IC數據手冊規格之間的關系。在降壓拓撲中,平均電感電流基本上與負載電流相同。而升壓拓撲的情形則不一樣,它需要基于開關電流進行計算。本文介紹了升壓調節器IC(帶內部MOSFET)或控制器IC(帶外部MOSFET)的選擇標準,以及如何使用LTspice®選擇合適的外圍組件以構建完整的升壓功率級。
開關電流為何重要
輸入電壓和輸出電壓是多少?這是選擇降壓或升壓DC-DC轉換器時要問的第一個問題。第二個問題是,滿足預期負載所需的輸出電流是多少?雖然降壓和升壓的輸入和輸出問題相同,但二者選擇合適IC以滿足輸入和輸出要求的過程大不相同。
如果將降壓IC產品選型表與升壓IC產品選型表進行比較,可以明顯看到表明升壓選擇過程與降壓選擇過程不同的第一個提示。圖1所示為一些內部電源開關降壓產品的選型表。可以看出,輸出電流是主要選型參數之一。

圖1.將輸出電流顯示為選型參數的內部電源開關降壓產品選型表
我們來比較一下圖1(內部電源開關降壓產品選型表)與圖2(內部電源開關升壓產品選型表)。在升壓選型表中,輸出電流甚至沒有顯示為選型參數,而是為開關電流所取代。

圖2.開關電流代替輸出電流在升壓轉換器IC的產品選型表中顯示為參數
升壓遵循不同規則的另一個提示是,升壓的數據手冊標題中有一個精巧但很重要的電流聲明。例如,圖3所示為LTC3621單片降壓調節器的數據手冊首頁,其中明確注明了17 V最大VIN和1 A連續負載能力。

圖3.LTC3621降壓調節器數據手冊首頁顯示最大典型工作電壓和電流
相比之下,LT8330單片升壓調節器數據手冊的標題則標明了開關(內部功率MOSFET)的最大電壓(60 V)和電流(1 A),而不是負載電流和輸入電壓的典型最大值。還可以看到,升壓調節器的輸入電壓范圍3 V至40 V與60 V最大開關電壓不一致。

圖4.LT8330升壓調節器IC數據手冊首頁顯示最大電源開關能力
為什么有這樣的差別?在降壓調節器中,平均電感電流約等于輸出(負載)電流,而在升壓拓撲中,并不是這樣。我們來對比升壓拓撲和降壓拓撲,了解其中的原因。

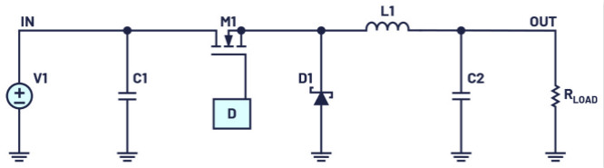
圖5.異步升壓
圖5所示為異步升壓拓撲的簡化原理圖,圖6所示為異步降壓拓撲的簡化原理圖。二者的D模塊都是驅動功率MOSFET的PWM信號,開關周期的占空比由輸入和輸出電壓比決定。在本文中,為簡單起見,我使用的是無損連續傳導模式(CCM)等式,因為其結果足夠接近。

圖6.異步降壓調節器簡化原理圖
通過使用LTspice,我們可以清楚看到這兩種不同拓撲的輸入和輸出電流之間的差異。圖7顯示了降壓調節器的基本開環設計,用于將12 V輸入電壓轉換為3.3 V輸出電壓,為電阻負載R1提供1 A (3.3 W)電流。PWM D模塊通過V2浮動電源實現,因為我們需要VGATE > VSOURCE為N溝道MOSFET M1建立傳導。V2用作PULSE電壓源以實現0 V至5 V脈沖,該脈沖從仿真的時間0開始,在5 ns內從0 V轉換為5 V,再在5 ns內返回,TON為550 ns,而TP(完整開關周期)等于2 µs。

圖7.在1 A條件下從12 V轉換為3.3 V的降壓調節器開環拓撲 —— 約3 W設計
運行圖7中電路的仿真后,可以用探針探測L1和R1的電流。L1中的電流在充電和放電時呈三角形,這是因為M1根據TON(M1接通的時間)的時序和TOFF(M1斷開的時間)的時序開關。
L1電流以500 kHz開關頻率進行開關。可以看到,電感電流為交流+直流波形。它從最小值0.866 A(TOFF結束時)轉換為最大值1.144 A(TON結束時)。當交流信號尋找阻抗最小的路徑時,電流的交流部分流過輸出電容C2的ESR。這個交流電以及C2的充電和放電會導致產生輸出電壓紋波,而直流電則流過R2。
通過比較電感電流在負載電流之上和之下形成的三角形狀,可以看到它們是相等的,簡單的代數計算顯示:
平均電感電流等于負載電流。

圖8.降壓拓撲——電感電流和負載電流仿真示例
搜索降壓調節器IC時,可以假設數據手冊顯示的是最大允許輸出電流,因為IIN ≈ IOUT,但升壓拓撲的情形并非如此。
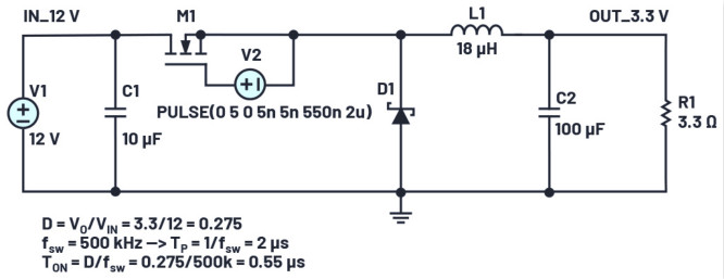
我們來看看圖9,圖中所示為0.275 A或約3.3 W時3.3 V至12 V輸出的開環升壓設計。此時,平均電感電流是多少?
在圖10中,輸出電流是291 mA, I(R2)的直流軌跡——接近計算值。盡管仿真的負載電流為291 mA,仿真顯示電感電流的平均值為945 mA,峰值超過1 A。這是輸出電流的3.6倍多。在TON期間(M2接通的時間,且L2上有V3電壓),電感從最小值充電到最大值。在TON期間,D2斷開,負載電流由輸出電容提供。
在TON期間,電感與MOSFET串聯,因此流過輸入電感的任何電流都會流過開關。正因為如此,數據手冊規定了可流過開關的最大電流ISW。為新設計選擇升壓IC時,應該了解通過開關的最大預期電流。
例如,為以下應用選擇升壓調節器:
● VIN = 12 V
● VOUT = 48 V
● IOUT = 0.15 A
為選擇正確的升壓調節器,需要找到平均輸入電流,這是在TON期間流過電感和MOSFET的電流。要找到此電流,可根據輸出功率和效率從輸出反向推導到輸入:
● POUT = VOUT × IOUT = 48 V × 0.15 A = 7.2 W
● 假設效率為0.85(如果有輸入和輸出參數與期望設計相似的效率曲線,則使用數據手冊中的值)。
● PIN = POUT/效率 = 7.2 W/0.85 = 8.47 W
● IIN_AV = 平均輸入電流。這是在導通時間內在電感和開關中流動的平均電流,通過PIN/VIN = 8.47 W/12 V = 0.7 A計算得出。
● 同樣,IIN是平均電感電流,最大峰值電流將比IIN高1.15至1.20,從而提供30%至40%的紋波電流。因此,IPEAK = IIN × 1.2 = 0.7 A × 1.2 = 0.847 A。

圖9.升壓拓撲:3.3 V至12 V,約3.3 W

圖10.0.275 A時3.3 V至12 V的開環升壓的LTspice仿真結果

圖11.TON期間的原理圖:M2接通,V3與L2并聯,D2斷開
VSW,晶體管最大允許電壓和占空比限制
數據手冊中通常會規定IC的VIN范圍——建議范圍和絕對最大值。在數據手冊中,帶有內部電源開關的升壓調節器可能產生的最高輸出電壓表示為其最大VSW額定值。如果您使用以外部MOSFET作為電源開關的升壓控制器,MOSFET數據手冊規定的VDS額定值就是限制最大輸出電壓的值。
例如,LT8330升壓調節器的輸入電壓范圍為3 V至40 V,絕對最大開關電壓為60 V,固定開關頻率為2 MHz。盡管60 V絕對最大開關電壓額定值使該部件能產生60 V升壓輸出,但最佳做法是保持低于此值至少2 V。
輸出電壓也受占空比的限制。最大和最小占空比或許可在數據手冊中找到,也可以計算得出。通過使用LT8330從12 V轉換為48 V,CCM忽略二極管壓降獲得高轉換比,可從輸入和輸出電壓計算出占空比:
● D = (VO – VIN)/VO = (48 V – 12 V)/48 V = 0.75或75%
● 檢查IC是否能在所需占空比下工作。
● IC最小占空比計算公式如下:
○ DMIN = 最小TON(MAX) × fSW(MAX)
● IC最大占空比計算公式如下:
○ DMAX = 1 –(最小TOFF(MAX) × fSW(MAX))
最小TON和最小TOFF可在數據手冊的電氣特性表中找到。可使用該表中“最小值”、“類型”和“最大值”欄中的最大值。使用LT8330的公布值和DMIN和DMAX等式,即可得出DMIN = 0.225,DMAX = 0.86。從結果可以看到,LT8330應能夠從12 V轉換為48 V,因為設計要求占空比為0.75。
使用LTspice了解外設應力
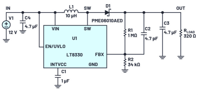
圖12中所示的原理圖實現了之前介紹的設計概念,在支持150 mA負載的12 V輸入到48 V輸出轉換器中采用LT8330。

圖12.12 V至48 V轉換器中用于150 mA負載電流的LT8330
從LTspice仿真,我們可以繪制并測量多種參數。可幫助您選擇IC的參數,如圖13所示。
VSW和占空比
運行仿真后,您可以將SW節點行為視為一個波形,了解開關期間電源開關上存在什么電壓。為此,請將鼠標懸停在SW節點上,使十字光標變成一個紅色電壓探針。點擊即可在波形查看器上繪制開關節點行為。所得圖形對應于內部功率MOSFET的漏極。
正如預期那樣,當MOSFET接通時,電壓電勢接近地,但更重要的是,在TOFF期間,MOSFET斷開,漏極電壓受輸出電壓和二極管壓降的影響。現在我們知道了MOSFET的VDS上的應力是多少。如果我們選擇了使用外部MOSFET作為電源開關的控制器設計,則所選MOSFET的VDS額定值應為60 V。
在LTspice波形查看器中,可使用光標進行水平和垂直測量,類似于示波器上的光標。要調用光標,請點擊LTspice波形查看器中的V(sw)標簽。這會將第一個光標附加到軌跡上,再次點擊可將第二個光標附加到同一軌跡上。或者,右擊此標簽,然后選擇給定探測軌跡所需的光標。使用這些光標可測量TON,并通過TON除以周期計算得出占空比。
TPERIOD = TON + TOFF = 1/fSW。之前,我們計算此值為75%或0.75。使用LTspice,得出的值約為373 ns。LT8330使用2 MHz的固定開關頻率,因此TP = 1/2e6 = 500 ns,占空比為373 ns/500 ns = 0.746。

圖13.LTspice中圖形查看器上的開關節點圖

圖14.測量TON以確認估算的占空比
電感上的峰值電流和電壓
要為升壓應用選擇電感,需要了解電感是否能處理所要應對的電流和電壓——即峰值電感電流以及TON和TOFF電壓。這個也可以在LTspice中使用差分探針估算出。要對電感進行差分探測,請將鼠標懸停在IN節點上,這時十字光標將變成一個紅色探針。點擊并拖動鼠標至SW節點。光標顏色會變為黑色。停在第二個節點上時松開鼠標。
在圖15中,在電感上對節點IN和SW之間的電壓進行差分探測。在TON期間,MOSFET接通,電感右側接地,而左側在VIN處,使得電感上的電壓在TON期間為12 V。在TOFF期間,MOSFET斷開,電感的右側置于48 V,而左側在TON期間在VIN處。由于差分探針從VIN中減去VSW,得到–36 V,但符號現在無關緊要。重要的是電感在12 V和36 V之間變化。
在TON期間,電感上的電壓吸取正di/dt,即藍色I(L1)圖的斜率。此軌跡的最大點是IPEAK,計算得出0.847 A。通過使用LTspice,可以看到峰值電流約為866 mA。
要正確選擇具有足夠額定電流(IR)和飽和電流(ISAT)的電感,一定要了解這個峰值電流。IR更多的是關于在規定電流下產生多少熱,而ISAT適用于調用短路保護的事件。如果使用帶內部MOSFET的調節器,(ISAT > 調節器限流值),并且控制器與外部MOSFET配合使用,則在觸發限流值時,(ISAT > 峰值電感值)。
務必注意,此處所述升壓拓撲的電感或二極管沒有限流值。如果開關未使用,或者IC斷開,則輸入和輸出之間有直接路徑。有些IC提供額外保護功能,如關斷時輸出斷開、浪涌電流限制,以及解決此直接輸入到輸出連接問題的其他功能——例如,LTC3122和LTC3539。
為了提高效率,應使用具有低DCR(直流電阻)和低磁芯損耗的電感。電感數據手冊中標明了特定溫度下的DCR——它隨溫度上升,并具有容差。通過PINDUCTOR_LOSS = IIN_AV² × DCR,可輕松計算出直流損耗,而交流損耗和磁芯損耗可在制造商的仿真或其他文檔中找到。LTspice可對功率求積分來計算出相關的功耗。為LTspice提供電感記錄的DCR和其他已知寄生參數可提高LTspice仿真精度。

圖15.穩定狀態下通過電感的電壓和電流

圖16.測量電感峰值電流
通過二極管的電流和電壓
圖17顯示了二極管VSW,OUT上的仿真差分電壓、二極管正向電流I(D1)和電感電流I(L1)。當開關接通(TON期間)時,陽極接近地,陰極在輸出電壓處,因此二極管將反向偏置,暴露在其最大電壓(即VOUT)下。第一項標準是,選擇VRRM(最大峰值重復反向電壓)高于VOUT的二極管。
電感的峰值電流在MOSFET關斷后、TOFF期間開始時流過二極管,因此二極管峰值電流與電感峰值電流相同。二極管數據手冊中包括一個稱為IFRM(重復峰值正向電流)的參數,以時長和占空比指定。此參數通常比二極管能夠提供的平均電流要高。
仿真完成后,LTspice可對波形查看器中所有波形求積分來得出rms和平均值,并使用同樣的計算方式,計算二極管將處理的平均電流。首先,放大您想求積分的波形部分——通過縮放可有效設置積分邊界。在本例中,您可以縮放以涵蓋大量穩定狀態周期(不是啟動或關斷)。要設置積分邊界,請拖動選擇一個穩定狀態的時間段并將鼠標懸停在圖形名稱上。例如,圖18中所示的積分結果涵蓋0.75 ms,或超過1000個周期。光標會變成一個手形圖標。按CTRL鍵并點擊以調用波形查看器的積分窗口。
圖18中所示的積分對話框顯示通過二極管的平均電流為150 mA。此值應小于最大平均正向電流IF(AV),該電流是二極管數據手冊中在特定溫度下規定的規格值。
二極管功耗
二極管的功耗也可通過仿真計算。二極管數據手冊中指定了25°C下的總功耗PTOT(總功率)和結點至環境的熱阻RTH。在LTspice中,將光標懸停在二極管上,波形查看器上便可顯示功耗。將光標懸停在分立式組件或電壓源上時,光標將變成電流探針。按ALT鍵可將光標變為溫度計,點擊可顯示二極管的仿真功耗。放大穩態操作,使用與前面所述的求二極管電流積分相同的程序求波形的積分。二極管功率容量包含二極管上的電壓和流過的電流。

圖17.二極管電壓和電流以及電感中的電流

圖18.對穩定狀態下的二極管電流求積分可得到IF(AV)和I(RMS)值

圖19.對二極管功耗求積分可得到平均功耗

圖20.二極管放電時產生反向恢復尖峰。該值越低,功耗越低。此電容隨電壓而變化。
(a) 二極管反向恢復電流尖峰。(b) 放大二極管反向恢復電流尖峰。
二極管的一些電容在其導通期間充電。當二極管不再導通時,必須放掉累積的電荷。這種阻尼電荷移動會導致功率損耗,因此建議選擇低電容值。此電容值隨二極管的反向電壓而變化,二極管數據手冊中應包括顯示此效應的圖形。此內部電容在二極管數據手冊中通常顯示為Cd,在LTspice數據庫中顯示為Cjo。
使用低電容二極管放松了對最大反向恢復電流的要求,從而提高了效率。圖20顯示了關于恢復電流有關的內容。反向恢復中固有的功耗留給讀者做練習。
結論
選擇升壓IC時,應從輸出開始。從所需的輸出電壓和負載電流反向推導以找到輸入功率,并將效率考慮在內。由此,確定平均和峰值輸入電流值。在升壓轉換器中,電感中流動的平均電流高于負載電流,使得IC選擇過程與降壓轉換器不同。為升壓轉換器選擇合適的額定組件需要了解調節器峰值和平均電壓與電流,使用LTspice可確定它們的值。
作者簡介
Rani Feldman于2017年加入ADI公司,擔任高級現場應用工程師。之前,Rani曾在凌力爾特公司工作三年。Rani擁有以色列阿夫卡學院電子工程學士學位和以色列霍隆理工學院工商管理碩士學位。聯系方式:rani.feldman@analog.com。
免責聲明:本文為轉載文章,轉載此文目的在于傳遞更多信息,版權歸原作者所有。本文所用視頻、圖片、文字如涉及作品版權問題,請聯系小編進行處理。
推薦閱讀:




