【導讀】大功率開關電源就是用通過電路控制開關管進行高速的導通與截止。將直流電轉化為高頻率的交流電提供給變壓器進行變壓,從而產生所需要的一組或多組電壓。
一、開關電源功率簡介
大功率開關電源就是用通過電路控制開關管進行高速的導通與截止。將直流電轉化為高頻率的交流電提供給變壓器進行變壓,從而產生所需要的一組或多組電壓。
轉化為高頻交流電的原因是高頻交流在變壓器變壓電路中的效率要比50Hz高很多。所以開關變壓器可以做的很小,而且工作時不是很熱,成本很低。如果不將50Hz變為高頻開關電源就沒有意義。
二、開關電源工作原理
?交流電源輸入經整流濾波成直流;
?通過高頻PWM(脈沖寬度調制)信號控制開關管,將那個直流加到開關變壓器初級上;
?開關變壓器次級感應出高頻電壓,經整流濾波供給負載;
?輸出部分通過一定的電路反饋給控制電路,控制PWM占空比,以達到穩定輸出的目的;
?交流電源輸入時一般要經過厄流圈一類的東西,過濾掉電網上的干擾,同時也過濾掉電源對電網的干擾;
?在功率相同時,開關頻率越高,開關變壓器的體積就越小,但對開關管的要求就越高;
?開關變壓器的次級可以有多個繞組或一個繞組有多個抽頭,以得到需要的輸出;
?一般都會備注一些保護電路如過流(OCP)過壓(OVP)過溫(OTP)保護特點,否則可能會燒毀開關電源。
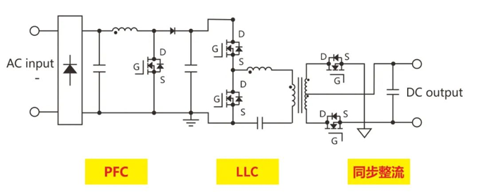
三、典型應用拓撲圖
四、LLC線路應用解說
LLC諧振半橋、全橋線路常用于大功率開關電源,是800W至2000W應用的理想選擇。因采用零電壓開關(ZVS)而實現了非常高的工作效率,在大幅度減小開關損耗的同時還可以有更高的功率密度,可廣泛應用于服務器電源、大功率電源上。
瑞森半導體提供的BV為600V、 650V的超結MOS同時帶有FRD完全可用于諧振電路上,具有高速快恢復二極管(FRD),短的反向恢復時間(Trr),適用于當再生電流流經主體二極管時會導致恢復損耗的應用。同時具有電流密度高、短路能力強、開關速度快、易用性好特點,可滿足客戶的高效率高可靠性需求。為了達到大功率電源嚴苛的能效目標,可采用瑞森半導體的同步整流中低壓SGT MOS,故選用瑞森半導體的超結MOS配合低壓SGT MOS完全實現較高的轉換效率,緊固耐用,系統成本較低。另外上千瓦的大功率開關電源,要求其高效、功率密度高、體積小、重量輕、成本低,PFC線路上采用瑞森半導體碳化硅(SiC)二極管可以提升大功率開關電源的功率密度和效率,有效降低了開關損耗。
五、大功率開關電源應用產品推薦
根據大功率開關電源對MOS管的需求,推薦瑞森半導體以下產品系列:
(來源:RS瑞森半導體)
免責聲明:本文為轉載文章,轉載此文目的在于傳遞更多信息,版權歸原作者所有。本文所用視頻、圖片、文字如涉及作品版權問題,請聯系小編進行處理。
推薦閱讀:
瑞薩電子將與Fixstars聯合開發工具套件用于優化R-Car SoC



