【導讀】本文為大家講解的是一款電磁干擾濾波器的原理電路,該電路用五端器件有兩個輸入端、兩個輸出端和一個接地端,使用時外殼應接通大地。可承受較大的電流。有興趣的可以去看看。
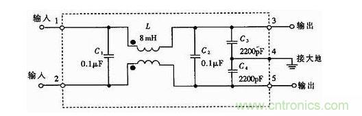
以下為一款電磁干擾濾波器的原理電路,該五端器件有兩個輸入端、兩個輸出端和一個接地端,使用時外殼應接通大地。電路中包括共模扼流圈(亦稱共模電感)L、濾波電容C1~C4.L對串模干擾不起作用,但當出現共模干擾時,由于兩個線圈的磁通方向相同,經過耦合后總電感量迅速增大,因此對共模信號呈現很大的感抗,使之不易通過,故稱作共模扼流圈。它的兩個線圈分別繞在低損耗、高導磁率的鐵氧體磁環上,當有電流通過時,兩個線圈上的磁場就會互相加強。當額定電流較大時,共模扼流圈的線徑也要相應增大,以便能承受較大的電流。
此外,適當增加電感量,可改善低頻衰減特性。C1和C2采用薄膜電容器,容量范圍大致是0.01μF~0.47μF,主要用來濾除串模干擾。C3和C4跨接在輸出端,并將電容器的中點接地,能有效地抑制共模干擾。C3和C4亦可并聯在輸入端,仍選用陶瓷電容,容量范圍是2200pF~0.1μF.為減小漏電流,電容量不得超過0.1μF,并且電容器中點應與大地接通。C1~C4的耐壓值均為630VDC或250VAC.

圖 電磁干擾濾波器原理電路設計



