【導讀】許多電子電路需要利用一個器件來將不同的電路隔離或分離開。這種特殊器件稱為緩沖器,緩沖器是單位增益放大器,具有極高輸入電阻和極低輸出電阻。這意味著可以將緩沖器模擬為一個增益為1的壓控電壓源,緩沖器具有幾乎無限大的輸入電阻,因而不存在負載效應,故VIN = VOUT。
此外,緩沖器的輸出電壓對負載電阻不敏感,因為理想緩沖器的輸出電阻基本上為零。將單位增益緩沖器放置在數模轉換器(DAC)和負載之間,可以輕松解決負載效應問題。
給系統添加單位增益緩沖器時,務必不要影響精度和性能。最重要的一點是計算增加的噪聲:
其中:
en = 緩沖器輸入電壓噪聲密度
in = 緩沖器輸入電流噪聲密度
f = 器件輸入帶寬(Hz)
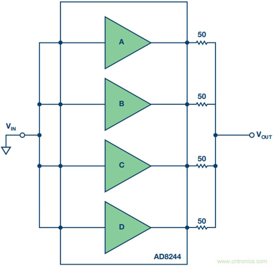
在圖1所示電路中,各通道的電流噪聲極低(0.8 fA/√Hz);相比之下,電壓噪聲則有(13 nV/√Hz)。因此,要降低系統中增加的噪聲,必須降低此電壓噪聲。并聯放置多個緩沖器可降低電壓噪聲。例如,兩個緩沖器并聯可將電壓噪聲降低√22,所有四個緩沖器并聯相當于一個噪聲減半的緩沖器。這種方法的缺點是偏置電流、電流噪聲和輸入電容提高,但在本例中, 這些效應可忽略不計。在輸出之間放置一個 50 Ω之類的小電阻,可防止各輸出之間的細微差異引起的額外電流流動。對于對功耗不太敏感的應用,可以省去這些 50 Ω電阻以提高可用輸出電流。

圖1. 新型低噪聲緩沖器AD8244
圖1所示電路是緩沖放大器的一種新型配置,能將電壓噪聲減半。AD8244 是一款四通道、JFET輸入、單位增益緩沖器,具有遠超預期的高性能。其最大偏置電流為2 pA,電流噪聲接近于零,輸入阻抗為10 TΩ,因此即使源阻抗為MΩ級別,也幾乎 不產生任何誤差。該器件具有低電壓噪聲、寬電源范圍和高精度特性,而且非常靈活,足以為任何需要單位增益緩沖器(甚至低源電阻)的應用提供高性能。
圖2比較了普通單通道緩沖器和有四個并聯通道的新型緩沖器 AD8244的噪聲性能。

圖2. 新型緩沖器AD8244的性能:噪聲僅為普通緩沖器的一半
AD8244
● 低功耗
250 μA(每放大器的最大電源電流)
● FET輸入
輸入偏置電流:2 pA(最大值,25°C)
極高的輸入阻抗
● 低噪聲
電壓噪聲:13 nV/√Hz (1 kHz)
電壓噪聲:0.4 μV p-p
(0.1 Hz至10 Hz)
電流噪聲:0.8 fA/√Hz (1 kHz)
● 高直流精度
最大失調漂移:3 μV/°C
(B級)
● 帶寬:3 MHz
● 獨特的引腳排列
輸入至電源引腳間無漏電流
提供保護功能
● 軌到軌輸出
● 單電源供電
輸入范圍擴展至地
● 寬電源范圍
單電源:3 V至36 V
雙電源:±1.5 V至±18 V
● 采用10引腳緊湊型MSOP封裝
推薦閱讀:





