【導讀】在設計電路時,需要考慮某些器件值之間的巨大差異,這一點非常重要。設計人員的核心目標是,使得這些差異不會對電路產生影響,以便設計出在所有潛在條件下都滿足規格的電路。幾乎所有電路都有一個設計共性,即建立穩定偏置或工作點電平。這個看似微小的設計部分可能導致產生最具挑戰性且最有趣的電路問題。
許多偏置發生器主要用于產生電流,以驅動電路的核心。由電源中連接的簡單電阻和二極管,或者由二極管連接的晶體管生成的電流之間的差異大致與電源電壓的差異成正比。在由此產生的偏置電流中,這種差異通常是不希望出現的。
這里,我們給大家介紹一款電流鏡,我們已在之前的實驗中分析過電流鏡,使其輸出不會受輸入電流的差異影響。分析零增益放大器的行為可以幫助我們理解這些電路。
材料
● ADALM2000 主動學習模塊
● 無焊面包板
● 一個2.2 kΩ電阻(或其他類似值)
● 一個47 Ω電阻
● 一個小信號NPN晶體管(2N3904或SSM2212)
說明
在圖1中,我們使晶體管偏置導電,其集電極電壓比基極電壓低 kT/q (相當于 IC * 47 Ω) ,且基本上保持恒定,并應用來自AWG發生器的輸入電壓變化。

圖1.零增益放大器。
硬件設置
面包板連接如圖2所示。波形發生器W1輸出驅動電阻R1的一端。電阻R2連接在晶體管Q1的基極和集電極之間,電阻R1的另一端也連接至基極。Q1的發射極接地。

圖2.零增益放大器面包板電路。
程序步驟
波形發生器1配置為1 kHz三角波,峰峰值幅度為3 V,偏置為1.5 V。連接示波器通道1,以顯示AWG發生器的輸出W1。示波器通道2 (2+)的單端輸入被用于交替測量Q1的基集和集電極電壓。
配置示波器以捕獲測量的兩個信號的多個周期。確保啟用XY功能。
使用示波器的波形圖示例如圖3至圖5所示。

圖3.示波器圖 VBE。

圖4.示波器圖 VCE。

圖5.表格式波形圖示例: VBE 與 VCE的比較
改善VBE乘法器,應用零增益概念
許多電路都要求產生大于1 VBE的電壓。這里,我們更詳盡地探討實現這一點的另外三種方法。
VBE * 2版本1:
明顯很簡單的方法是:單純將兩個由二極管連接的晶體管串聯在一起。
材料:
● 一個1 kΩ電阻
● 兩個小信號NPN晶體管(2N3904或SSM2212)
說明:
面包板連接如圖7所示。AWG發生器的輸出驅動電阻R1的一端和示波器通道2的2+輸入。Q1的發射極接地。Q1的基極和集電極都連接至Q2的發射極。Q2的基極和集電極連接至R1的另一端和示波器通道2的2–輸入,以及示波器通道1的1+輸入。

圖6.VBE電路。
硬件設置:
波形發生器配置為1 kHz三角波,峰峰值幅度為3 V,偏置為1.5 V。兩個示波器通道均可設置為每格200 mV。
步驟:
配置示波器以捕獲測量的兩個信號的多個周期。確保啟用XY功能。

圖7.VBE面包板電路。
對于使用示波器的波形圖示例,請參見圖8。

圖8.示波器電壓與電流。
VBE * 2版本2:
第二種方法是使用兩個電阻作為分壓器。由此會產生一個輸出,其值為VBE的小數與Q1的VBE之和。
材料:
● 一個1 kΩ電阻
● 兩個10 kΩ電阻
● 一個5 kΩ可變電阻(如果可行,500 Ω電位器更好)
● 一個小信號NPN晶體管(2N3904或SSM2212)
說明:
面包板連接如圖10所示。波形發生器的輸出驅動電阻R1的一端和示波器通道2的2+輸入。Q1的發射極接地。電阻R3連接在Q1的基極和地之間。電阻R2的一端連接至R1的另一端、示波器通道2的2–輸入,以及電位器R4 2–的一端和弧刷。R2的另一端連接到Q1的基極。Q2的集電極連接至R4剩余的一端,以及示波器通道1的1+輸入。

圖9.VBE乘法器電路版本2。
硬件設置:
波形發生器配置為1 kHz三角波,峰峰值幅度為3 V,偏置為1.5 V。兩個示波器通道均可設置為每格200 mV。
步驟:
先將可變電阻R4設置為最低值(接近0 Ω)。對比版本1,觀察此配置的電壓與電流特性。在晶體管開啟之前,兩個10 kΩ電阻中會有少量額外電流流過。1 mA時的電壓會稍高一些,且曲線斜率較為平緩。
配置示波器以捕獲測量的兩個信號的多個周期。確保啟用XY功能。

圖10.VBE乘法器面包板電路。
使用示波器的波形圖示例如圖11和圖12所示。

圖11.示波器圖——R4設置至0 Ω。
我們現在來應用零增益放大器概念。現在,調節R4并觀察曲線斜率的變化。R4的值為多少時,曲線近乎垂直?為何該值是實現零增益的正確值?

圖12.示波器圖——R4設置至近100 Ω。
VBE * 2版本3:
在版本2的基礎上做了一點小調整。
材料:
● 一個1 kΩ電阻
● 一個10 kΩ電阻
● 一個5 kΩ可變電阻(如果可行,500 Ω電位器更好)
● 兩個小信號NPN晶體管(2N3904或SSM2212)

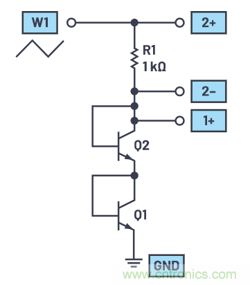
圖13.VBE乘法器版本3。

圖14.VBE乘法器面包板電路版本3。
說明:
面包板連接如圖14所示。版本3是從版本2演變而來:移除了10 kΩ電阻R2,用由二極管連接的NPN Q2替代,具體如圖所示。
硬件設置:
波形發生器配置為1 kHz三角波,峰峰值幅度為3 V,偏置為1.5 V。兩個示波器通道均可設置為每格200 mV。
步驟:
和之前一樣,先將可變電阻R4設置為最低值(接近0 Ω)。對比版本2,觀察此配置的電壓與電流特性。在Q1開啟之后,直至Q1和Q2都開啟之前,10 kΩ電阻中會有少量額外電流流過。1 mA時的電壓會稍低一些,且曲線斜率更陡峭—更接近版本1。
配置示波器以捕獲測量的兩個信號的多個周期。確保啟用XY功能。
使用示波器的波形圖示例如圖15和圖16所示。

圖15.示波器圖——R4設置至0 Ω。
我們再次來應用零增益放大器概念。現在,調節R4并觀察曲線斜率的變化。R4的值為多少時,曲線近乎垂直?為何該值是實現零增益的正確值?

圖16.示波器圖——R4設置至40 Ω。
問題:
如何調整版本2(圖9)中R2和R4的值,以獲取穩定的1.0 V輸出?
您可以在 學子專區博客上找到問題答案。
免責聲明:本文為轉載文章,轉載此文目的在于傳遞更多信息,版權歸原作者所有。本文所用視頻、圖片、文字如涉及作品版權問題,請聯系小編進行處理。
推薦閱讀:






