【導讀】模塊化電磁兼容濾波器通常添加在交流入口到終端設備。電流和衰減額定值有很多種,包括有或沒有保險絲和開關的版本。低泄漏零件也可用于醫療應用。本文介紹了濾波器的功能以及如何將其與預期的應用匹配以獲得最佳效果。
條款
對于交流電源供電的設備,通常使用模塊化AC線路濾波器,安裝在連接器上或作為機板安裝部件,特別適用于在工業、醫療和通訊等專業環境中。該設備通常包括嵌入式AC-DC轉換器或電源,也可以是機板安裝式,有時是機架安裝式或板上PCB安裝式。在每種情況下,電源將始終滿足作為獨立部件的排放的法定要求,通常為傳導和輻射干擾的EN55011/EN55032標準。
有人可能會問,為什么可能需要額外的過濾模塊,但經驗豐富的設備設計師早就知道,僅僅使用兼容組件并不能保證最終產品的EMC合規性“通過”。原因是多種多樣的:例如,對設備AC-DC轉換器的符合性測試是在假定的交流線路阻抗、輸出負載、電纜長度和布線以及部件相對于地面的位置等非常特殊的條件下進行的。當最終產品在內部安裝的AC-DC轉換器上進行測試時,所有這些條件都會發生變化,從而導致不同且通常更糟糕的傳導EMI信號。來自其他組件的輻射EMI也可以通過電力電纜接收,從而增加傳導水平。
模塊化濾波器可使系統符合電磁干擾
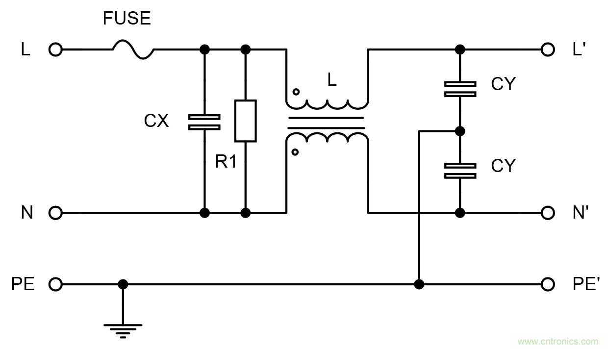
一個外部模塊化濾波器可以是解決方案,但是,有數百個可供選擇,哪一個是最佳的?讓我們首先看一個典型的商業濾波器的內部電路,并考慮每個組件是如何貢獻的(圖1)。

圖1:典型的模塊化EMI濾波器示意圖
電容器CX衰減差模噪聲、信號和由轉換器內電流快速變化產生的從線到中性點出現的尖峰,其額定值為X1、X2或X3,以承受交流線上的電壓瞬變。L是共模或電流補償扼流圈,有兩個相位繞組,如圖所示。共模噪聲,由轉換器內部電壓的快速變化產生,從線路和中性點到接地,將扼流圈視為高阻抗,每個CY電容器將噪聲電流轉移到接地。通過扼流圈上兩個繞組的正常運行電流會導致磁芯中的磁場抵消,因此可以使用高電感值而無需擔心磁飽和。通常,L繞在繞組之間的耦合不夠完美,因此會產生一些漏感,表現為一個單獨的串聯電感,這會增加差模衰減。
雖然CX可以是實際限制范圍內的任何電容值,但這兩個CY值受接地漏電電流要求的限制,并且有Y1、Y2、Y3和Y4類型,額定工作電壓和瞬態電壓降低。通過Y電容器的漏電流是一個潛在的問題,因為它們跨越了一個安全屏障-線路和中性點接地。如果與設備金屬件的保護接地連接出現故障,則外殼通過Y電容器“浮動”至線路電壓,并可能導致電擊。因此,根據應用環境所用的標準,Y電容器的值被限制為允許不超過規定的電流流動。限制范圍從工業領域的幾十毫安到心臟漂浮醫療應用領域的小于10微安不等。
R1是一個高值電阻,如果突然斷開交流電源,并且不能依靠負載來耗盡電荷,則通常為1兆歐以放電CX,從而在交流連接器引腳上留下潛在的危險電壓。IEC 62368-1等標準規定,對于CX>300nF,R1應在2秒后將電容器放電至60V以下,對于CX<300nF,允許更高的電壓。對于只有經過培訓的人員才能接觸到的設備,允許的電壓限值也更高。其他標準則有所不同,例如,醫療設備的IEC 60601-1要求在1秒后放電小于60V,但如果CX小于100nF則沒有要求。IEC 62368-1等標準也對電阻器提出了要求,如果電阻器安裝在保險絲之前,則電阻偏差不超過10%的情況下,電阻器能夠承受瞬態電壓。因此,R1將是高規格零件。在某些應用中,R1在正常條件下的功耗是符合美國能源部(DoE)和歐洲ErP指令等機構規定的待機或空載損耗限制的限制。
圖1所示的保險絲可以包括在模塊化濾波器中,特別是面板安裝類型,如流行的IEC320-C14類型(圖2)。

圖2:典型的保險絲面板安裝EMI濾波器
在商業應用中,線路中的單個保險絲是正常的。如果熔絲元件符合標準,則簡化所述下游組件(如R1)的規格。一些應用,如醫療設備和Class II通訊類,要求線路和中性點都要熔斷,以覆蓋連接意外反轉的可能性,在單一熔斷器情況下,這將使帶電線路未熔斷,并依賴于電源開口中的上游熔斷器或斷路器,從帶電到保護接地短路。這些上游設備的額定電流值可能很高,以保護多個負載的布線,并且不能保證在設備故障時快速打開,從而可能導致火災。雙熔斷確實有缺點,但是,線對中性點的過電流可能只會打開中性點熔斷器,使設備表面上死掉,但內部仍然有帶電連接。
選擇濾波器
濾波器的機構圖是一個自然的起點;根據應用要求,可采用帶螺釘或卡入式安裝的IEC輸入插座,帶有開關選項和無保險絲、一個或兩個保險絲。對于C14,IEC入口類型的額定值為10A,對于C20,額定值為16A,機板安裝部件的額定值為20A及更高。機板安裝式濾波器,通常具有6面屏蔽,以及直接固定到導電接地金屬制品,提供非常有效的EMI衰減。
對于所有類型產品而言,醫療版本都可以省略Y電容器,以將漏電流降低到最大5μA。這必然意味著共模衰減減小,并且可能需要在其他地方進行補償,例如通過級聯濾波器。
額定電流可以很容易地從給定的最低輸入電壓和負載功率因數的負載功率要求計算出來。例如,在90VAC下,濾波器上的負載為200W,功率因數為0.9,將產生200W/(0.9 x 90VAC)=2.47A的電流,在這種情況下,可選擇3A額定濾波器。
從濾波器中選擇所需的衰減最好是在不安裝濾波器的情況下測量性能,然后計算從外部濾波器中需要的額外值。濾波器數據表中的衰減曲線給出了性能指示,但要記住,數據表的性能是在規定的測試條件下,通常是50歐姆源和負載阻抗。盡管AC-DC電源可以通過使用線路阻抗穩定器網絡(LISN)實現標準化,但應用負載可能會有很大的不同。在交直流電源中,與內部濾波器級聯的濾波器模塊也可能導致意外的結果,產生潛在的共振,甚至可能導致在臨界頻率下的電磁干擾放大。例如,EMI圖取自XP Power的典型AC-DC轉換器,部件PBR500PS12B在230VAC和180W下運行,如圖3所示。該圖顯示符合EN 55032曲線B準峰值檢測排放限值線。然后將濾波器插入XP Power FCSS06SFR型交流線路,其衰減特性如圖4所示。虛線為差模和實線共模衰減。結果的總體結果如圖5所示。

圖3:AC-DC電源,僅限內部濾波器

圖4:XP FCSS06SFR型模塊化濾波器

圖5:添加外部濾波器的AC-DC電源
可以看出,高達約1MHz時,濾波器衰減使發射降低了預期量,但在10MHz及以上時,改善并不一致,這意味著模塊化濾波器在這些頻率下沒有“看到”50歐姆作為終端,并且給出的衰減比預期的要低。這證實了進行實際測量以確認合規性的必要性。
咨詢專家
要避免在最終產品測試中出現代價高昂的失敗,在最早階段就讓EMC法規遵從性得到正確的執行是至關重要的。解決方案不僅僅是在交流入口安裝一個超大的模塊化濾波器,這會增加不必要的成本,甚至會適得其反,產生意想不到的衰減效果。作為電源制造商的XP Power,我們可以幫助客戶選擇AC-DC電源產品系列,采用模塊化濾波器,其電流額定值為1至20A,采用機板安裝式和IEC輸入格式。我們的產品可用于通訊、工業和低泄漏醫療應用,更多的應用還包括用于大電流三相應用的濾波器。如果需要,單級和雙級部件可用于增強衰減和定制版本。
XP Power還為客戶提供全面的應用支持,幫助他們在全球多個地方設計和免費使用其內部的EMC預合規性測試設施。
推薦閱讀:



