【導讀】電機軟啟動器一般以大功率雙向晶閘管構成三相交流調壓電路,以微處理器及信號采集、保護環節構成控制器,通過控制晶閘管的觸發角,調節晶閘管調壓電路的輸出電壓,實現電動機的無觸點降壓軟啟動、軟停車和空載、輕載的節能及保護功能。為此,通過對軟啟動方式與傳統的啟動方式進行比較,來分析軟啟動器的特性。
軟啟動器
原則上,籠型異步電動機凡不需要調速的各種應用場合都可適用。
目前的應用范圍是交流380V(也可660V/1140V),電機功率從幾千瓦到800KW。
軟啟動器特別適用于各種泵類負載或風機類負載,需要軟起動與軟停車的場合。
同樣對于變負載工況、電動機長期處于輕載運行,只有短時或瞬間處于重載場合,應用軟起動器(不帶旁路接觸器)則具有輕載節能的效果。
電機軟啟動器一般以大功率雙向晶閘管構成三相交流調壓電路,以微處理器及信號采集、保護環節構成控制器,通過控制晶閘管的觸發角,調節晶閘管調壓電路的輸出電壓,實現電動機的無觸點降壓軟啟動、軟停車和空載、輕載的節能及保護功能。為此,通過對軟啟動方式與傳統的啟動方式進行比較,來分析軟啟動器的特性。
軟啟動和一般降壓啟動的區別
在電動機啟動時,降低加到電動機定子繞組的電壓可以減小電動機的啟動電流。一般降壓啟動是指電動機在啟動過程中加在電動機定子繞組的電壓變化是瞬間突變的,主要有“Y—△”降壓啟動和自藕變壓器降壓啟動等;而軟啟動是使用調壓裝置在規定的啟動時間內,自動地將啟動電壓連續、平滑地上升,直到達到額定電壓。
若采用一般降壓啟動,則啟動過程是跳躍的、不平滑的,所以又叫作硬啟動,對生產工藝要求穩啟動的場合不宜采用。而軟啟動從初始電壓開始電壓連續平穩地增大,在啟動過程中電動機的轉矩是平滑的而不是跳躍的,啟動過程是平穩的,所以叫軟啟動。
軟啟動器工作原理是當電機啟動時,由電子電路控制晶閘管的導通角使電機的端電壓以設定的速度逐漸升高,一直升到全電壓,使電機實現無沖擊啟動到控制電動機軟啟動的過程。當電動機啟動完成并達到額定電壓時,使三相旁路接觸器閉合,電動機直接投入電網運行。
如果是輕載,則在正常運行時,也保持所需的較低端電壓,使電機的功率因數升高,效率增大。在電機停機時,也通過控制晶閘管的導通角,使電機端電壓慢慢降低至0,從而實現軟停機。
軟啟動的特性
(1) 啟動電流以一定的斜率上升至設定值,對電網無沖擊。
(2) 啟動過程中引入電流負反饋,啟動電流上升至設定值后,使電機啟動平穩。
(3) 不受電網電壓波動的影響。由于軟啟動以電流為設定值,電網電壓上下波動時,通過增減晶閘管的導通角,調節電機的端電壓,仍可維持啟動電流恒值,保證電機正常啟動。
(4) 針對不同負載對電機的要求,可以無級調整啟動電流設定值,改變電機啟動時間,實現最佳啟動時間控制。
電機各種啟動方式的對比
因異步電動機具有結構簡單、體積小、價格低廉、運行可靠、維修方便、運行效率較高及工作特性好等優點,在電力拖動平臺上廣泛使用。但是,它有啟動電流大的缺點(一般啟動電流為額定電流的4~7 倍,部分國產電動機的啟動電流經過實際測量高達額定電流的8~12 倍)。
過大的啟動電流對電動機本身和電網以及其他電氣設備的正常運行會造成不利影響,會在電動機軸上產生瞬時的過大轉矩(可達電機滿載轉矩的1.6~2.0 倍),扭曲電機軸、破壞鍵槽、損壞和軸聯接的其他設備,使電機發熱影響其壽命,供電線路電壓損失增大,可能使并聯于同一供電線路上的其他電氣設備的正常運行遭到破壞。
國家有關部門早有明確規定,電動機啟動時電網電壓降不能超過15%。對于容量較大的電動機,應采取措施降低電動機的啟動電流。通常異步電動機總是在全電壓下運行。電動機從空載到滿載,磁場幾乎不變。因此,磁化電流在所有負載下近似地相同。
通過比較異步電動機的各種啟動方式:
當電機全壓啟動時,對電網的沖擊最大,沖擊時間也最長;而通常使用的降壓啟動也就是硬啟動,對電網的沖擊雖比較小,但是由于涉及到一個線圈電壓切換過程,所以出現二次沖擊的不利環節;
軟啟動由于在啟動前設定了一個不對電網產生影響的啟動電流,電流是緩慢增大至設定電流,故無沖擊電流,對電網的影響最小,并且能消除啟動力矩的沖擊。

運用串接于電源與被控電機之間的軟起動器,控制其內部晶閘管的導通角,使電機輸入電壓從零以預設函數關系逐漸上上升,直至起動結束,賦予電機全電壓,即為軟起動。根據不同行業的需求不同,對軟啟動器的啟動方式也有不同的要求,一般有以下幾種方式:
1、斜坡升壓軟起動
這種起動方式最簡單,不具備電流閉環控制,僅調整晶閘管導通角,使之與時間成一定函數關系增加。其缺點是,由于不限流,在電機起動過程中,有時要產生較大的沖擊電流使晶閘管損壞,對電網影響較大,實際很少應用。
2、階躍起動
開機,即以最短時間,使起動電流迅速達到設定值,即為階躍起動。通過調節起動電流設定值,可以達到快速起動效果。
3、斜坡恒流軟起動
這種起動方式是在電動機起動的初始階段起動電流逐漸增加,當電流達到預先所設定的值后保持恒定,直至起動完畢。該起動方式是應用最多的起動方式,尤其適用于風機、泵類負載的起動。
4、脈沖沖擊起動
在起動開始階段,讓晶閘管在極短時間內,以較大電流導通一段時間后回落,再按原設定值線性上升,連入恒流起動。該起動方法,在一般負載中較少應用,適用于重載并需克服較大靜摩擦的起動場合。
5、電壓雙斜坡起動
在起動過程中,電機的輸出力矩隨電壓增加,在起動時提供一個初始的起動電壓Us,Us根據負載可調,將Us調到大于負載靜磨擦力矩,當輸出電壓達到達速電壓Ur時,電機也基本達到額定轉速。軟起動器在起動過程中自動檢測達速電壓,當電機達到額定轉速時,使輸出電壓達到額定電壓。
6、限流起動
限流起動就是電機的起動過程中限制其起動電流不超過某一設定值的軟起動方式。輸出電壓從零開始迅速增長,直到輸出電流達到預先設定的電流限值Im,然后保持輸出電流I這種起動方式的優點是起動電流小,且可按需要調整。

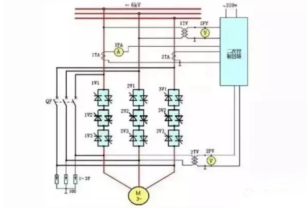
啟動器(軟起動器)是一種集電機軟起動、軟停車、輕載節能和多種保護功能于一體的電機控制裝置。軟啟動器采用三相反并聯晶閘管作為調壓器,將其接入電源和電動機定子之間。
這種電路如三相全控橋式整流電路。使用軟啟動器啟動電動機時, 晶閘管的輸出電壓逐漸增加,電動機逐漸加速,直到晶閘管全導通,電動機工作在額定電壓的機械特性上,實現平滑啟動,降低啟動電流,避免啟動過流跳閘。
待電 機達到額定轉數時,啟動過程結束,軟啟動器自動用旁路接觸器取代已完成任務的晶閘管,為電動機正常運轉提供額定電壓,以降低晶閘管的熱損耗,延長軟啟動器 的使用壽命,提高其工作效率,又使電網避免了諧波污染。
免責聲明:本文為轉載文章,轉載此文目的在于傳遞更多信息,版權歸原作者所有。本文所用視頻、圖片、文字如涉及作品版權問題,請聯系小編進行處理。
推薦閱讀:




